EasyManua.ls Logo

SEA FLIPPER - Page 3

SEA FLIPPER
14 pages
Print Icon
To Next Page IconTo Next Page
To Next Page IconTo Next Page
To Previous Page IconTo Previous Page
To Previous Page IconTo Previous Page
Loading...
FLIPPER
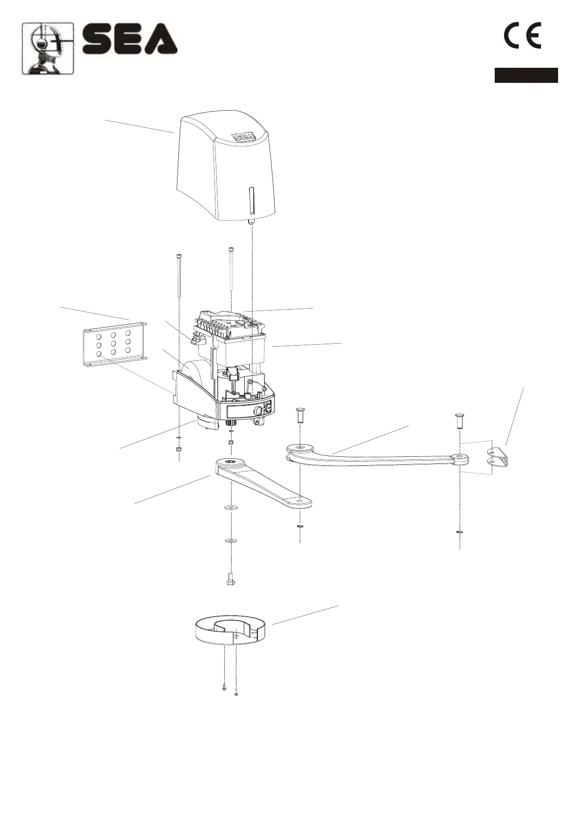
Fig. 3
17
1. Carter
2. Anchrage plate
3. Fuse
4. Transformator
5. Electronic control unit
6. Battery/card support (battery optional)
7. Mech./electr. Stop (electronical optional)
8. Streight articulated arm
9. Curved articulated arm
10. Back fixation
11. Portection cover
1
2
6
8
10
11
4
5
3
7
9
FITTING AND CONNECTION INSTRUCTIONS
ENGLISH
Sistemi Elettronici
di Apertura Porte e Cancelli
International registered trademark n. 804888
®
REV 02 - 03/2009

Other manuals for SEA FLIPPER

Related product manuals