EasyManua.ls Logo

Sears 300.7271 - Assembly Components and Diagrams; Assembly Components Diagram; Latch Engagement Check

Sears 300.7271
5 pages
Print Icon
To Next Page IconTo Next Page
To Next Page IconTo Next Page
To Previous Page IconTo Previous Page
To Previous Page IconTo Previous Page
Loading...
I I
i| i | i
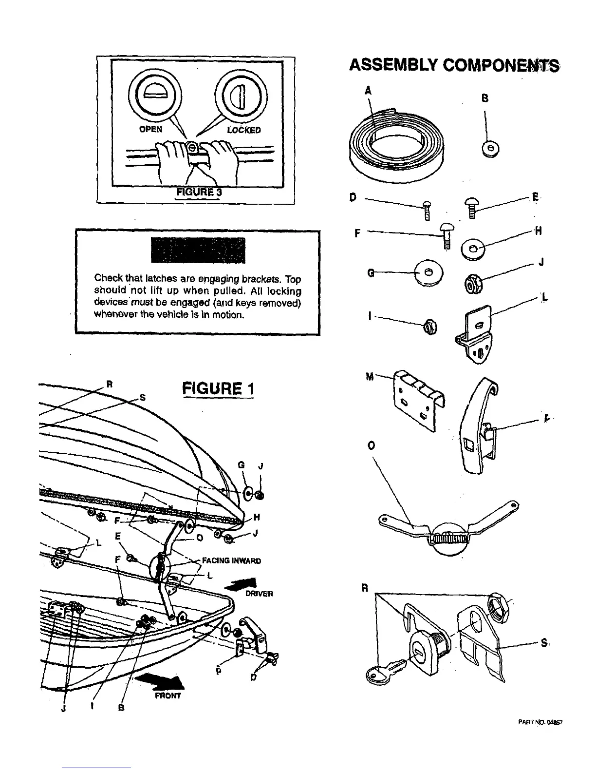
FIGURE 3
m
Check that,latches are engaging brackets. Top
should not lift up when pulled. All locking
devicesmust be engaged (and keys removed)
whenever the vehicle is in motion.
|1 i i i
R
FIGURE 1
G J
E
FACING INWARD
ASSEMBLY COMPONE_S
A
B
J
FRONT
B
D

Related product manuals