EasyManua.ls Logo

Secukey S2-MF - Connection Diagram

Secukey S2-MF
12 pages
Print Icon
To Next Page IconTo Next Page
To Next Page IconTo Next Page
To Previous Page IconTo Previous Page
To Previous Page IconTo Previous Page
Loading...
4
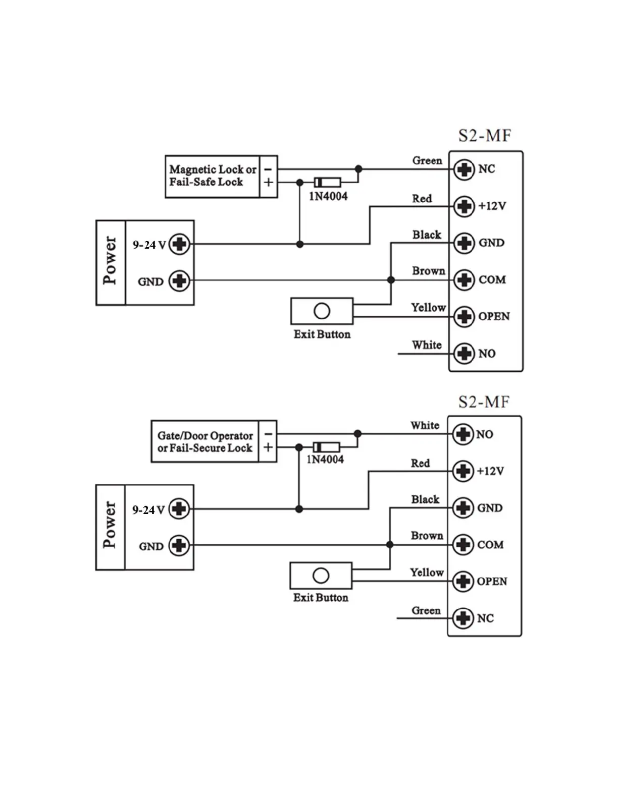
4. Connection Diagram
Common power supply:
Attention: Install a 1N4004 or equivalent diode is needed when use a common power supply, or the
reader might be damaged. (1N4004 is included in the packing)