EasyManua.ls Logo

Secumore G03 - Function setting; Initialization

Secumore G03
11 pages
Print Icon
To Next Page IconTo Next Page
To Next Page IconTo Next Page
To Previous Page IconTo Previous Page
To Previous Page IconTo Previous Page
Loading...
6
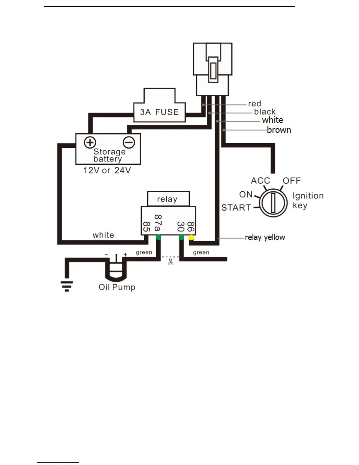
6. Function setting
6.1 Initialization
Send SMS begin123456” to the unit, it will reply BEGIN,CONFIG OK ” and
initialize to default factory settings.default password: 123456
The “+” in the command, please dont type +, space means press the
space keyboard on your cell phone.