EasyManua.ls Logo

Secutron MR-2900 - Page 28

Secutron MR-2900
60 pages
Print Icon
To Next Page IconTo Next Page
To Next Page IconTo Next Page
To Previous Page IconTo Previous Page
To Previous Page IconTo Previous Page
Loading...
22
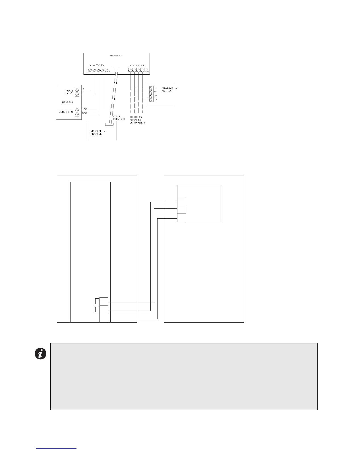
Annunciator, UDACT and Reverse Polarity Wiring
The MR-2614 and MR-2644 Annunciators, the MR-
2900-CITY Reverse Polarity module and the MR-
2900-DACT Dialer are connected to COMLINK 3 of
the panel by 4 wires; 2 for power and 2 for
communications. The communications wiring is
polarity sensitive. An example of the wiring is shown
in Figure 28. Up to eight of each type of annunciator
and either one dialer or one reverse polarity module
can be connected to the MR-2900. If more than one
MR-2614 is used, the 3.9k
Ω resistor across the MR-
2614 terminals should be removed from all but the
last MR-2614. The MR-2900 panel requires that the
MR-2109-3 communications board be installed. The
maximum length of communications wiring is 900m
(3000 ft) using 22 AWG. The maximum length of
power wiring is 300m (1000 ft) using 18 AWG.
Evax System Wiring
Notes:
For all EVAX installations, the maximum wiring distance from the FACP to the HMX panel is 20
feet in conduit. The two panels must be in the same room.
MV-2700M and MV-2700D are not ULC listed.
MV-2700M must be connected to an MV-2700D. The MV-2700M (M = Master) generates the
audio signals. The MV-2700D (D = Distributed) distributes the audio signal via NACs.
For information on connecting an MV-2700M to an MV-2700D, refer to those modules installation
instructions.
Devices connected to COMLINK 3 are to be installed close nippled.
Figure 28: MR-2614, MR-2644, MR-2900-
DACT and MR-2900-CITY Wiring
COMLINK 3
GND
RX
TX
TX
RX
GND
TS3
MV 2700 M
CONDUIT
20’ MAX
MR2900 BACKPLATE
MR2925 OR MR2926
TERMINAL BOARD
TB9
Figure 29: EVAX System Wiring
**The MR-2900 panel requires the use of the MR-2109-4 board.

Other manuals for Secutron MR-2900