EasyManua.ls Logo

Secutron MR-2900 - Keltron 3158 TTM

Secutron MR-2900
60 pages
Print Icon
To Next Page IconTo Next Page
To Next Page IconTo Next Page
To Previous Page IconTo Previous Page
To Previous Page IconTo Previous Page
Loading...
MR-2900 Installation Manual
47
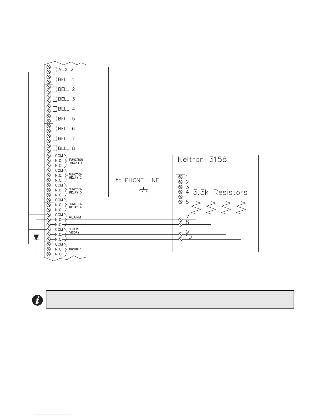
8.4 Keltron 3158 TTM
The Keltron 3158 TTM and the MR-2900 are wired together as shown below:
Addressable control modules cannot be used with the Keltron 3158 TTM.
Note: The Keltron 3158 TTM is separately listed equipment. Refer to the installation and wiring
instructions provided with the unit.
Figure 36: MR-2900 and Keltron 3158 TTM Wiring

Other manuals for Secutron MR-2900