EasyManua.ls Logo

Seiko LTP1245R-C384-E - Page 29

Seiko LTP1245R-C384-E
74 pages
Print Icon
To Next Page IconTo Next Page
To Next Page IconTo Next Page
To Previous Page IconTo Previous Page
To Previous Page IconTo Previous Page
Loading...
3-15
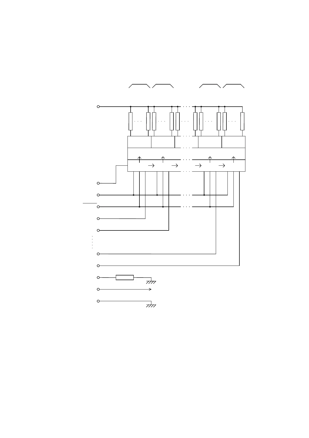
DAT
CLK
LATCH
DST6
DST5
DST2
DST1
TH
Vdd
GND
Vp
Shift Register
Latch Register
Output Driver
Heat Element
DOT 384
DOT 321
DOT 320
DOT 257
DOT 256
DOT 129
DOT 128
DOT 65
DOT 64
DOT 1
Block6 Block5 Block2 Block1
Thermistor
Figure 3-8 Thermal Head Block Diagram

Table of Contents

Related product manuals