EasyManua.ls Logo

Seitron TCD01B - Warnung - Sicherheitshinweise

Seitron TCD01B
Print Icon
To Next Page IconTo Next Page
To Next Page IconTo Next Page
To Previous Page IconTo Previous Page
To Previous Page IconTo Previous Page
Loading...
24
ITALIANODEUTSCHFRANÇAISESPAÑOLPORTUGUÊS ENGLISH
WARNUNG - SICHERHEITSHINWEISE.
- Zur Regelung der Raumtemperatur an einen dafür geeigneten Platz montiert
werden. Vermeiden Sie die direkte Sonneneinstrahlung, die Montage neben der
Tür oder hinter einem Vorhang, sowie in der Nähe von Heizkörpern.
- Die Gewährleistung der elektrischen Sicherheit setzt voraus, dass der Regler
mit den beiliegenden Schrauben an der Wandhalterung (Batteriefach) befestigt
wird.
- Schalten Sie direkt elektrische Geräte via Relaisausgang mit 230 VAC, so sind
die Mindestabstände zwischen den Leitern von 3mm einzuhalten.
- Einbau und Montage elektrischer Geräte dürfen nur durch eine Elektrofachkraft
(DIN VDE 0105 Teil1) erfolgen.
- Vor Arbeiten am Gerät ist die Stromzufuhr abzuschalten.
Das Gerät ist so konstruiert, das es für die Montage direkt auf der Wand, über Unterputzdosen
(2 oder 3-fach), sowie in Standardverteilern erfolgen kann.
Um die Vorrichtung zu installieren, folgende Operationen ausführen:
1. die Wand-Platte, welche unter den Sockel des Chronothermostates gekuppelt ist, frei
machen wie auf Abb. 1 gezeigt.
2. Die Platte direkt auf die Wand oder auf eine Abzweige-Schachtel mit 3 Modulen durch die zwei
Schrauben-Sitzen fest machen bei einem Achsabstand von 60 oder 85 mm (Abb. 2), indem man
gut aufpasst, dass die Kabel in die Schlitzscharte frei durchgehen , wie auf Abb. 2 gezeigt.
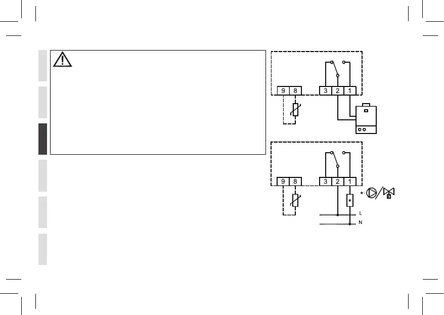
3. Die elektrischen Anschlüsse ausführen, indem man das Verbindungs-Schema von Abb. 3
oder Fig. 4 befolgt.
4. Den Chronothermostat an die Wandplatte näher bringen, indem man vorher die Verzahnung des Sockels zusammen mit der dazu vorhandenen Löchern
der Platte trifft; hinterher sollte man einen nach unten gerichteten Druck ausüben, bis die plastischen Zähnchen der Platte losschnellen; befestigen
Sie nun den Regler an der Wandhalterung und xieren diesen mit den beiliegenden Schrauben (Batteriefach) siehe Abb. 2.
5. Setzen Sie die Batterien in das Batteriefach (siehe M, Abb. 5); lesen Sie den Abschnitt ‘AUSTAUSCH DER BATTERIEN / BATTERIEWECHSEL’.
EXTERNER
SENSOR
EXTERNER
SENSOR
Abb. 4.
Abb. 3.

Related product manuals