EasyManua.ls Logo

Seitron TCD01B - General Installation Warnings; Installation Steps

Seitron TCD01B
Print Icon
To Next Page IconTo Next Page
To Next Page IconTo Next Page
To Previous Page IconTo Previous Page
To Previous Page IconTo Previous Page
Loading...
14
ITALIANODEUTSCHFRANÇAISESPAÑOLPORTUGUÊS ENGLISH
WARNING
- To adjust properly room temperature, install the programmable thermostat far
from heat sources, airstreams or particularly cold walls (thermal bridges).
- In order to grant the electrical safety, it is mandatory to screw the programmable
thermostat body to the wall mount plate through the two screws supplied which
must be mounted in the battery holder.
- If the load controlled by the relay of the programmable thermostat operates with
mains voltage, the connection must be made via an omnipolar switch complying
with current standards and with a contact opening of at least 3 mm in each pole.
-Installationandelectricalwiringsofthisappliancemustbemadebyqualied
technicians and in compliance with the current standards.
- Before wiring the appliance be sure to turn the mains power off.
The device is designed to be installed in a standard recess (or wall) mounted junction box
with two or three modules or else directly on the wall using the screw anchors provided.
To install the device carry out the following steps:
1. Release the wall mount plate tted under the base of the programmable thermostat as
shown in Fig. 1.
2. Fix the plate directly on the wall or onto 2 or 3 module junction boxes by means of the
two holes for screws (distance between centres: 60 mm or 85mm), taking care to pass
the wires through the opening as shown in Fig. 2.
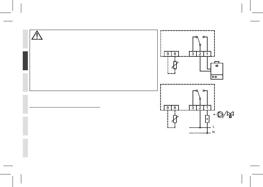
3. Make the electrical connections following the connection diagram in Fig. 3 or Fig. 4.
4. Fit the programmable thermostat onto the wall mount plate, rst matching up the teeth on the base with the holes provided on the plate and
then pressing downward on the device until the plastic teeth of the plate click into place; then x the programmable thermostat body to the
wall mount plate through the two screws supplied which must be mounted in the battery holder (Fig. 2).
5. Insert the batteries in the battery compartment (M in Fig. 5); see paragraph ‘ HOW TO INSERT/REPLACE THE BATTERIES ’.
Fig. 3.
Fig. 4.
REMOTE
SENSOR
REMOTE
SENSOR

Related product manuals