EasyManua.ls Logo

Seitron TCD01B - Page 34

Seitron TCD01B
Print Icon
To Next Page IconTo Next Page
To Next Page IconTo Next Page
To Previous Page IconTo Previous Page
To Previous Page IconTo Previous Page
Loading...
34
ITALIANODEUTSCHFRANÇAISESPAÑOLPORTUGUÊS ENGLISH
ATTENTION
- Pour un réglage correct de la température, il est conseillé d’installer le
chronothermostat à environ 1,5 m du sol et éloigné des sources de chaleur,
courants d’air ou des parois particulièrement froides (ponts thermiques).
-Pourgarantirlasécuritéélectrique,ilestobligatoiredexerlecorpsduthermostat
surlabasedexationmuraleaveclesdeuxvis(endotation)quisetrouventdansle
compartiment des piles.
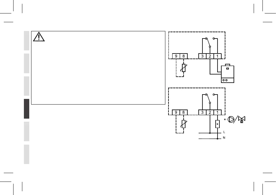
- Dans le cas où la charge pilotée par le relais du chronothermostat fonctionne
avec le secteur, il faut que le branchement se réalise au moyen d’un interrupteur
multipolaire, conforme aux normes en vigueur et avec un écartement des
contactsd’aumoins3mmàchaquepôle.
- L’installation et le branchement électrique du dispositif doivent être réalisés par
unpersonnelqualiéetenconformitéauxloisenvigueur.
- Avant d’effectuer tout type de branchement, s’assurer que le réseau électrique
soit hors tension.
L’installation du dispositif est prévue pour le montage en boîtier de dérivation encastrable (ou mural)
standard de deux ou trois modules ou directement sur le mur en utilisant les chevilles fournies.
Pour installer le dispositif, effectuer les opérations suivantes :
- Décrocher la plaque murale enfoncée sous la base du chronothermostat, tel qu’il est
indiqué sur la Fig. 1.
- Fixer la plaque directement sur le mur ou sur des boîtes de dérivation de 3 modules à
travers les deux logements pour vis, avec une distance de 60 mm ou 85 mm (Fig. 2), en
faisant attention à faire passer les câbles dans la fente, tel qu’il est indiqué sur la Fig. 2.
- Effectuer les raccordements électriques en suivant le schéma de connexion de la Fig. 3 ou Fig. 4.
- Approcher le chronothermostat à la plaque murale en faisant coïncider d’abord les ergots de la base avec les trous correspondants de la plaque et
ensuite, sur le dispositif, exercer une pression vers le bas jusqu’au déclic des ergots en plastique de la plaque; ensuite xer le corps du thermostat
à la bas de xation murale avec les deux vis en dotation qui se trouvent dans le compartiment des piles (Fig. 2).
- Insérer les batteries dans le logement des batteries (M de la Fig. 5) ; voir le paragraphe ‘ INSERTION/REMPLACEMENT DES BATTERIES ‘.
Fig. 3.
Fig. 4.
SONDE A
DISTANCE
SONDE A
DISTANCE

Related product manuals