EasyManua.ls Logo

Seitron TCD01B - Page 4

Seitron TCD01B
Print Icon
To Next Page IconTo Next Page
To Next Page IconTo Next Page
To Previous Page IconTo Previous Page
To Previous Page IconTo Previous Page
Loading...
4
ATTENZIONE
- Per una corretta regolazione della temperatura ambiente si consiglia di
installare il cronotermostato a circa 1,5 m dal pavimento e lontano da fonti di
calore, correnti d’aria o da pareti particolarmente fredde (ponti termici).
-E’obbligatorio, al ne di garantire la sicurezzaelettrica, ssare ilcorpo del
cronotermostato alla piastra a muro tramite le due viti (in dotazione) che trovano
sede all’interno del vano portapile.
- Qualora il carico pilotato dal relè del cronotermostato funzioni a tensione di rete,
è necessario che il collegamento avvenga tramite un interruttore onnipolare
conforme alle norme vigenti e con distanza di apertura dei contatti di almeno
3mm in ciascun polo.
- L’installazione ed il collegamento elettrico del termostato devono essere
eseguitidapersonalequalicatoedinconformitàalleleggivigenti.
- Prima di effettuare qualsiasi collegamento accertarsi che la rete elettrica sia scollegata.
L’installazione del dispositivo è prevista per il montaggio in scatole di derivazione da incasso
(o da parete) standard da due o tre moduli oppure direttamente sulla parete utilizzando i
tasselli in dotazione.
Per installare il dispositivo eseguire le seguenti operazioni:
1. Sganciare la piastra a muro innestata sotto la base del cronotermostato come indicato in Fig. 1.
2. Fissare la piastra direttamente sulla parete o su scatole di derivazione da 2 o 3 moduli
tramite le due sedi per viti con interasse 60 mm oppure 85mm facendo attenzione a fare
passare i cavi nella feritoia come indicato in Fig. 2.
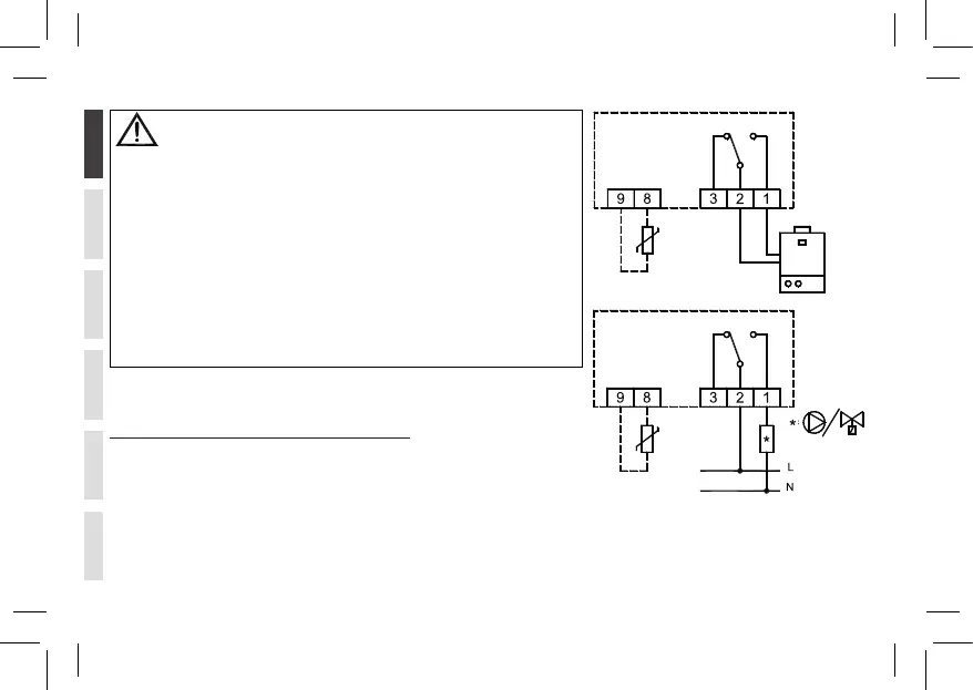
3. Eseguire i collegamenti elettrici seguendo lo schema di collegamento di Fig. 3 e Fig. 4.
4. Avvicinare il cronotermostato alla piastra a muro facendo dapprima coincidere i dentini della base con gli appositi fori della piastra e
successivamente esercitare sul dispositivo una pressione verso il basso no a far scattare i dentini plastici della piastra; quindi ssare il corpo
del cronotermostato alla piastra a muro tramite le due viti in dotazione che trovano sede all’interno del vano portapile (Fig. 2).
5. Inserire le batterie nel vano batterie (M di Fig. 5); vedi paragrafo ‘INSERIMENTO/SOSTITUZIONE BATTERIE’.
ITALIANODEUTSCHFRANÇAISESPAÑOLPORTUGUÊS ENGLISH
Fig. 3.
Fig. 4.
SONDA
REMOTA
SONDA
REMOTA

Related product manuals