EasyManua.ls Logo

Seitron TCD01B - Page 44

Seitron TCD01B
Print Icon
To Next Page IconTo Next Page
To Next Page IconTo Next Page
To Previous Page IconTo Previous Page
To Previous Page IconTo Previous Page
Loading...
44
ITALIANODEUTSCHFRANÇAISESPAÑOLPORTUGUÊS ENGLISH
ATENCIÓN
- Para una correcta regulación de la temperatura ambiente se aconseja instalar
el termostato lejos de fuentes de calor, corrientes de aire o de paredes
particularmente frías (peuntes térmicos).
-Es obligatorio, para garantizar la seguridad eléctrica, jar el cuerpo del
cronotermostato a la placa a muro mediante los dos tornillos (en dotación) cuyos
oriciosseencuentrandentrodelcompartimientobaterías.
- Si la carga pilotada por el relé del cronotermostato funciona con tensión de
red, es necesario que la conexión se haga mediante un interruptor omnipolar
conforme a las normas vigentes y con distancia de apertura de los contactos de
al menos 3 mm en cada polo.
- La instalación y la conexión eléctrica deben ser realizadas por personas
cualicadasyenconformidadconlasleyesvigentes.
- Antes de efectuar cualquier conexión asegúrarse que la red eléctrica esté desconectada.
La instalación del dispositivo está prevista para el montaje en cajas de derivación para
empotrar (o de pared) estándar de dos o tres módulos o bien directamente en la pared
utilizando los tacos en dotación.
Para instalar el dispositivo realizar las siguientes operaciones:
1. Desenganchar la plancha a muro conectada debajo de la base del cronotermostato como
se indica en la Fig. 1.
2. Fijar la plancha directamente a la pared o en cajas de derivación a 3 módulos mediante
los dos oricios para tornillos con una distancia entre ejes de 60 mm o bien 85 mm
prestando atención a pasar los cables por la rejilla como se indica en la Fig.2.
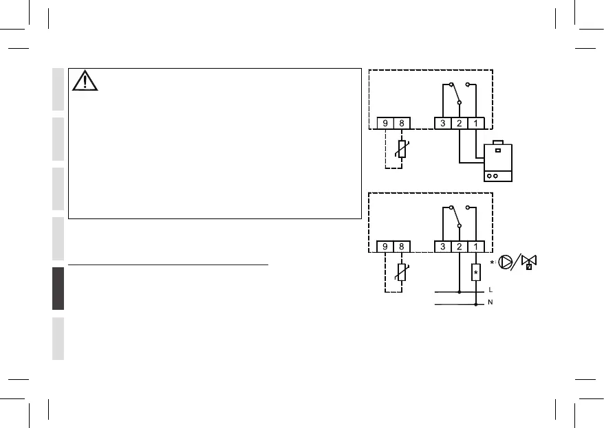
3. Realizar las conexiones eléctricas siguiendo el esquema de conexión de Fig. 3 o Fig. 4.
4. Acercar el cronotermostato a la plancha a muro haciendo coincidir desde el inicio los dientecitos de la base con los oricios pertinentes en la plancha y
sucesivamente ejercitar en el dispositivo una presión hacia abajo hasta que los dientecillos entren en la plancha y se escuche un clic; por lo tanto jar el cuerpo
del cronotermostato a la placa a muro mediante los dos tornillos en dotación cuyos oricios se encuentran el interno del compartimiento baterías (Fig. 2).
5. Inserir las pilas en el compartimiento pilas (M de Fig. 5); ver párrafo ‘ INSERCIÓN / SUSTITUCIÓN BATERÍAS ‘.
Fig. 3.
Fig. 4.
SONDA
REMOTA
SONDA
REMOTA

Related product manuals