EasyManua.ls Logo

Seitron TCD01B - Page 54

Seitron TCD01B
Print Icon
To Next Page IconTo Next Page
To Next Page IconTo Next Page
To Previous Page IconTo Previous Page
To Previous Page IconTo Previous Page
Loading...
54
ITALIANODEUTSCHFRANÇAISESPAÑOLPORTUGUÊS ENGLISH
ATENÇÃO
- Para ajustar adequadamente a temperatura ambiente, instale o cronotermostato
cerca de 1,5 m acima do nível do chão, longe de fontes de calor, correntes de ar
ou paredes particularmente frias ( pontes térmicas ).
-É obrigatório, a m de garantir a segurança eléctrica, xar o corpo do
cronotermostatoàchapa deparedepormeio dedoisparafusos(incluído) que
estão localizados no interior do compartimento das pilhas.
- Se a carga controlada desde o relé do cronotermostato funciona com tensão
de rede, é necessário que a conexão ocorra mediante um interruptor omnipolar
conforme as normas vigentes e com distância de abertura dos contactos de pelo
menos 3 mm em cada pólo.
-Ainstalaçãoeasligaçõeseléctricasdestaaparelhagemdevemserexecutadas
porprossionaisqualicadoseconformeasnormasregulamentares.
-Antes de fazer a instalação eléctrica da aparelhagem certique-se de que a
energia está desligada.
O dispositivo foi concebido para ser instalado em cavidade padrão (ou parede) montado
em caixa de junção com dois ou três módulos, ou então directamente na parede usando os
parafusos e buchas fornecidos.
Para instalar o dispositivo, realize as seguintes operações:
1. Desenganche a chapa de parede acoplada sob a base do cronotermóstato como indicado
na Fig. 1.
2. Fixe a chapa directamente na parede ou nas caixas de derivação de 3 módulos mediante
as duas sedes para parafusos com entre-eixo de 60 mm ou 85 mm (Fig. 2) prestando
atenção para fazer passar os cabos na fenda como indicado na Fig. 2.
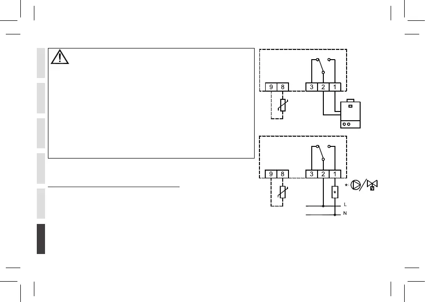
3. Execute as conexões eléctricas seguindo o esquema de conexão da Fig. 3 ou Fig. 4.
4. Aproxime o cronotermóstato à chapa de parede fazendo primeiramente coincidir os dentes da base com os furos apropriados da chapa
e sucessivamente exerça no dispositivo uma pressão para baixo até fazer saltar os dentes plásticos da placa; depois, xar o corpo do
cronotermostato à placa de montagem de parede utilizando os dois parafusos fornecidos junto a bateria (Fig. 2).
5. Coloque as pilhas no compartimento da bateria (M Fig. 5; Ver parágrafo “como inserir / substituir as pilhas”.
Fig. 3.
Fig. 4.
SONDA
REMOTA
SONDA
REMOTA

Related product manuals