EasyManua.ls Logo

Sel SEL-2505 - Distribution Bus Protection Example; Radial Feeders Application

Sel SEL-2505
12 pages
Print Icon
To Next Page IconTo Next Page
To Next Page IconTo Next Page
To Previous Page IconTo Previous Page
To Previous Page IconTo Previous Page
Loading...
4
SEL-2505 Remote I/O Module Date Code 20010214
Applications
f
Figure 5 Reduce Wiring From Control House to Outdoor Cabinets.
Example Distribution
Bus Protection:
Radial Feeders
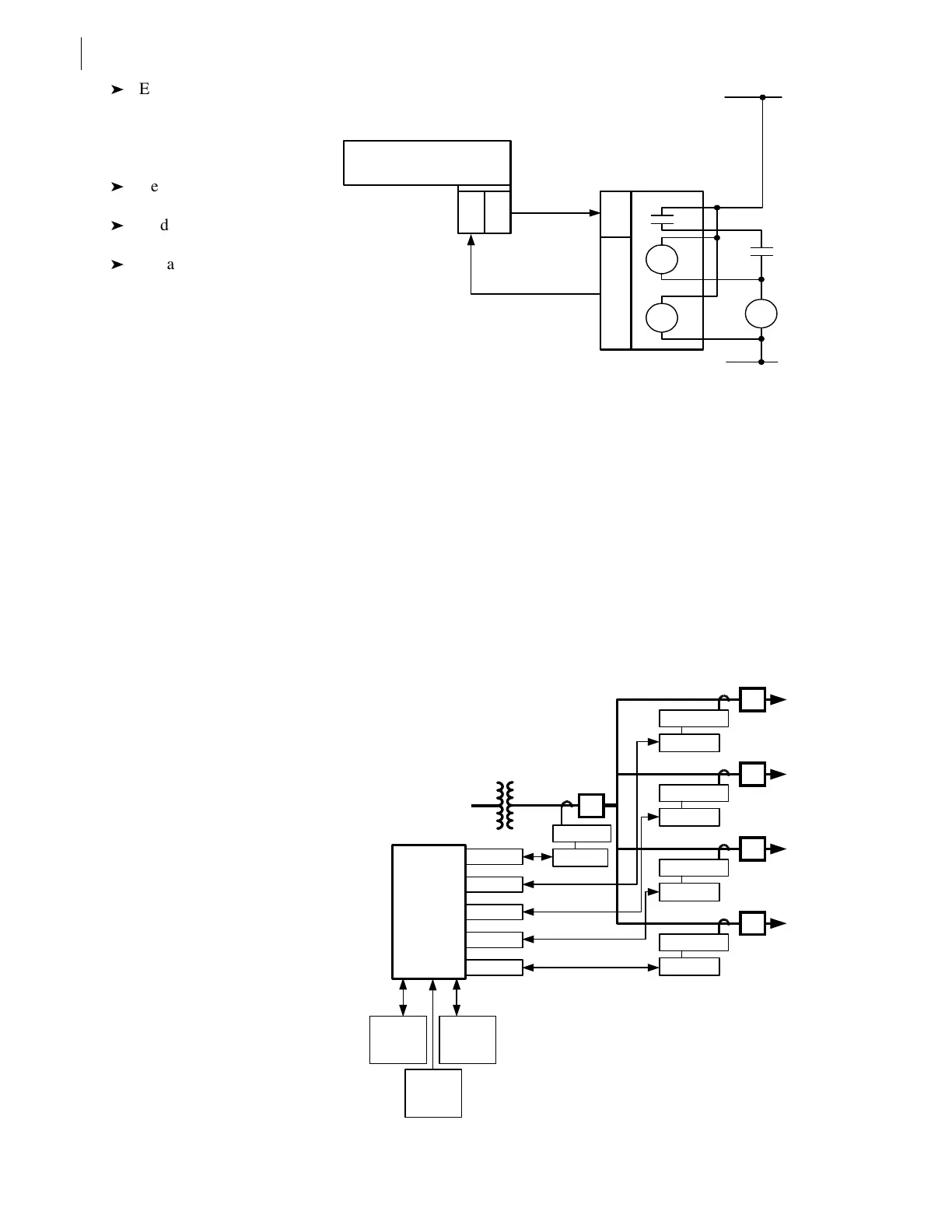
Figure 6 shows an SEL-2505 application using existing distribution
relays and a SEL-2100 Protection Logic Processor to provide bus and
line protection for the radial system. When the overcurrent elements of
the transformer low-side relay pick-up and the overcurrent elements in
the feeder relays do not, the detected fault must be located on the bus.
Using relay overcurrent element status transmitted by the SEL-2505
devices, the SEL-2100 uses SEL
OGIC
â
control equations to issue a bus
trip via a M
IRRORED BITS message to the protective relays through the
SEL-2505 modules. Unlike conventional schemes, there is no switch-
board wiring between relays. Eliminating this wiring reduces dc ground
exposure and replacing this wiring with SEL-2505s adds self-testing
and automatic communications path checking.
Figure 6 Distribution Bus Protection Application Example.
RELAY or
SEL-2100 (partial)
SEL Fiber-Optic
Transceiver
M
IRRORED
B
IT
Serial Port
+DC
SEL-2505 (partial)
RX TX
—DC
RX
TX
IN1
IN2
TC
52A
SEL-2800
SEL-2800
SEL-2800
SEL-2800
SEL-2800
Local User
Interface
5
4
SEL-2505
SEL-251
3
SEL-2505
SEL-251
2
SEL-2505
SEL-251
1
SEL-2505
SEL-251
SEL-2505
SEL-251C
2100
Protection
Logic
Processor
Transformer
HV LV
IRIG-B
Time
Receiver
SCADA
Eliminate hard-
wiring from control
room to breaker or
motor-operated
disconnect switch.
Reduce dc
ground exposure.
Add trip/close path
continuity monitoring.
Expand I/O capability
of relays with
M
IRRORED BIT
communications
protocol.