EasyManua.ls Logo

SENKO SP - Chimney Function and Wind Effects

SENKO SP
32 pages
Print Icon
To Next Page IconTo Next Page
To Next Page IconTo Next Page
To Previous Page IconTo Previous Page
To Previous Page IconTo Previous Page
Loading...
Fireplace stove SENKO SP 7
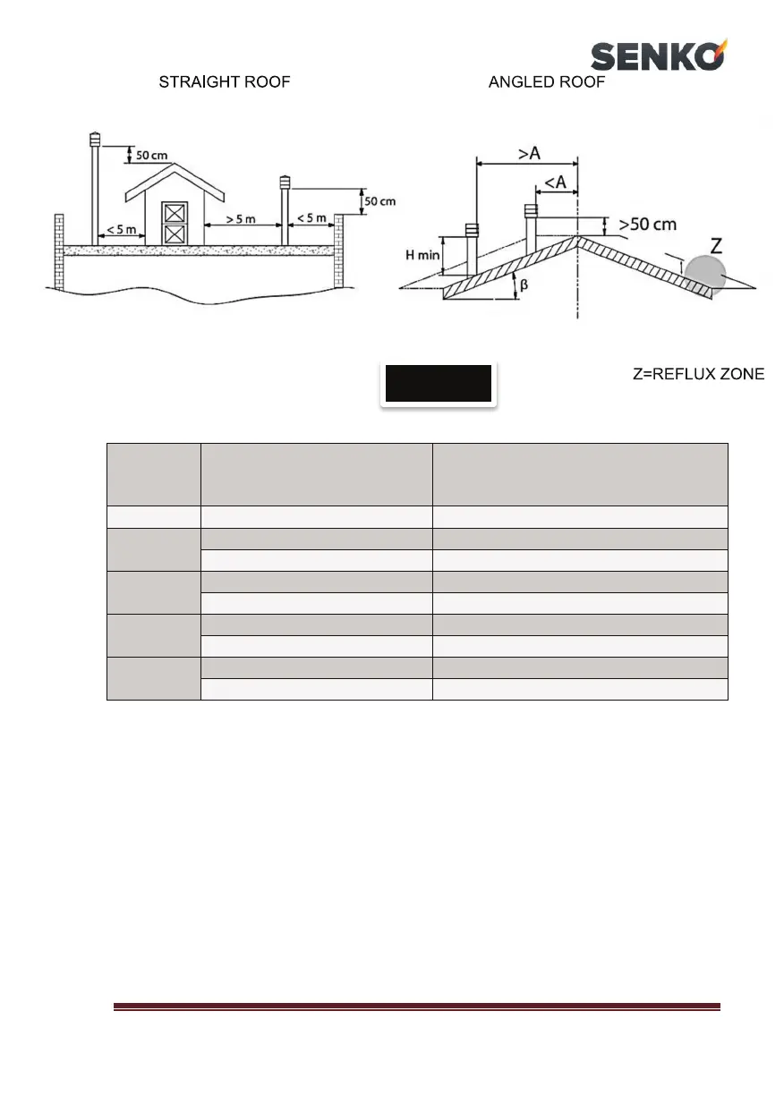
1.3.2. CHIMNEY FUNCTION
Among all the meteorological and geographical factors that aect the
function of the chimney (rain, fog, snow, altitude, period of insolation, etc.),
the wind is certainly decisive. In addition to the pressure due to the
dierence in temperature between the ue gases in the chimney and the
air outside the chimney, there is another type of pressure - dynamic wind
pressure.
The angle
of the roof
The distance between
the ridge of the roof
and the chimney
The minimum height
of the chimney (measured from the
surface of the roof)
A, m H
min
, m
15°
< 1,85 0,5 m above roof ridge
> 1,85 1 m from the roof
30°
< 1,5
0,5 m above roof ridge
> 1,5
1,3 m from the roof
45°
< 1,3
0,5 m above roof ridge
> 1,3
2 m from the roof
60°
< 1,2
0,5 m above roof ridge
> 1,2
2,6 m from the roof
slika 1

Related product manuals