EasyManua.ls Logo

SET SET-2010 - SET-2010 Description and Circuitry; Product Description; Circuitry Overview

Default Icon
10 pages
Print Icon
To Next Page IconTo Next Page
To Next Page IconTo Next Page
To Previous Page IconTo Previous Page
To Previous Page IconTo Previous Page
Loading...
3 of 10
www.smart-e-tech.com
SET-2010
Technical Description
Issue 02 13/04/2022
Description
The SET-2010 Routing Card is a large-scale, high density switching matrix. With 64 single-ended or 32
differential channels. The SET-2010 provides exceptional signal routing capabilities in a small form
factor. Unlike traditional routing matrix cards, the SET-2010 is designed specifically for the challenges of
signal routing in HIL systems. To maximize customizability, the SET-2010 features two plug-in module
slots that can provide features such as line fault insertion and instrument connect. The base card
provides multiplexer functions for both front-panel IO and rear connectivity. Additionally, the SET-2010
Routing Card comes with a high current fault injection bus.
Circuitry
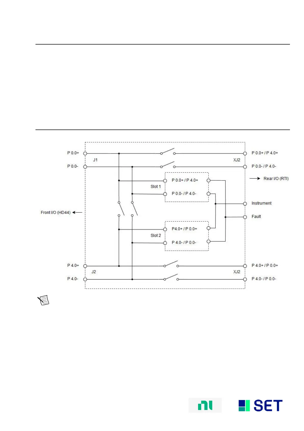
Note
The diagram only shows one channel for each connector J1/J2.
P0.x P3.x
are connected with Slot 1 P0.x P3.x
P4.x P7.x
are connected with Slot 2 P0.x P3.x

Related product manuals