EasyManua.ls Logo

Setec ST-III Series - Functional Diagram; ST-III Basics

Setec ST-III Series
19 pages
Print Icon
To Next Page IconTo Next Page
To Next Page IconTo Next Page
To Previous Page IconTo Previous Page
To Previous Page IconTo Previous Page
Loading...
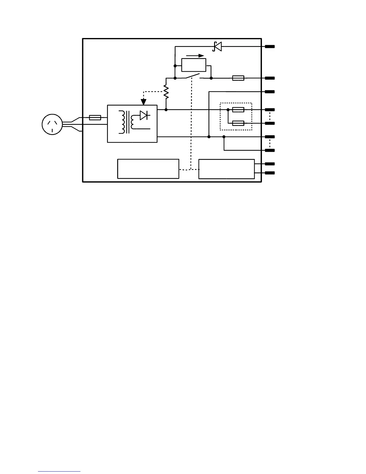
FunctionalDiagram
STIIIBasics
AC/DCPowerSupply:Thisprovidesanisolated13.65Vdcoutputforpoweringof
theloadandfloatchargingofthebattery.Batterycurrentissensedandmonitored
bythepowersupplytoensurethatthemaximumchargingcurrentisnot
exceeded.
BatteryFeatures:Thepowersupplyprovidesfullbatterymanagementasperthe
following.
ThepowersupplyisafourstagebatterychargerwithBoost(VBoost=14.05V),
Float(VFloat=13.65V),Store(VStore=13.25V)andTricklechargemodesto
ensurelongbatterylife.
BatteryChargingcurrentislimitedtoamaximumof10A(ST20III)and15A
(ST35III).Thisprovidesoptimumlifeforthebatteries.
Tochargeatthemaximumbatterychargecurrentabove,ensuretheloadcurrent
plusbatterycurrentisequalorlessthanthemaximumoutputcurrent.The
chargingcurrentwillbereducedinsituationswherethedifferencebetweenthe
ratedoutputcurrentandtheloadcurrent(theavailablechargingcurrent),isless
thanthemaximumchargingcurrent.
Alsonotethatthebatterycurrentsenseisprovidedinthe“Batt+ve”battery
output.Forthisfeaturetowork,theload“+ve”andbattery“Batt+ve”shouldnot
becrossconnected.(Appliancesshouldnotbeconnectedtoboththe“Batt+ve”
and“+ve”terminalsofthepowersupply.Appliancesshouldbeconnectedtothe
“+ve”and“ve”loadterminals).
6
Figure1:FunctionalBlockDiagram
ACInput
8xLoad
Outputs
CaravanBattery
AC/DC
Vadj
BatteryLowvoltage
DisconnectCircuit
LoadRemote
disconnectCircuit
RemoteLoad
on/offInput
Battery–Ve
8xLoad
Returns
CarBattery
BAT–VE
BAT+VE
DCIN+VE
–VE
L1–L8
LOADSWITCH
BATERYFUSE
LOADFUSES
0.8A
Trickle

Other manuals for Setec ST-III Series

Related product manuals