EasyManua.ls Logo

SGB VLR 410/E - Page 27

Default Icon
45 pages
Print Icon
To Next Page IconTo Next Page
To Next Page IconTo Next Page
To Previous Page IconTo Previous Page
To Previous Page IconTo Previous Page
Loading...
21-02-2017
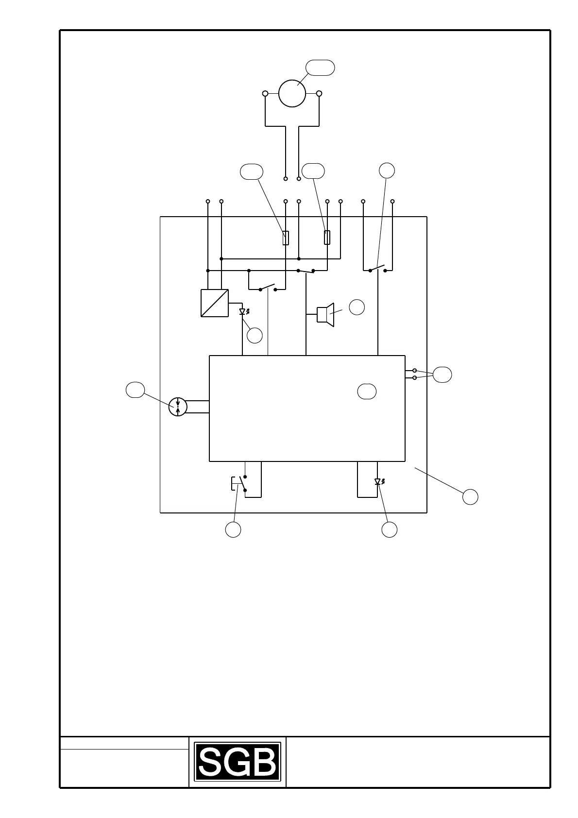
SL - 853 600
2 6
4
5
3
11 121
AC
DC
105
106
102
71 01
69
24.1
24.3
59
09
76
17/60
Rp
~

Related product manuals