EasyManua.ls Logo

Shark 50 - Page 70

Shark 50
194 pages
Print Icon
To Next Page IconTo Next Page
To Next Page IconTo Next Page
To Previous Page IconTo Previous Page
To Previous Page IconTo Previous Page
Loading...
Doc# E145701 4 - 12
4: Electrical Installation
Electro Industries/GaugeTech
The Leader In Power Monitoring and Smart Grid Solutions
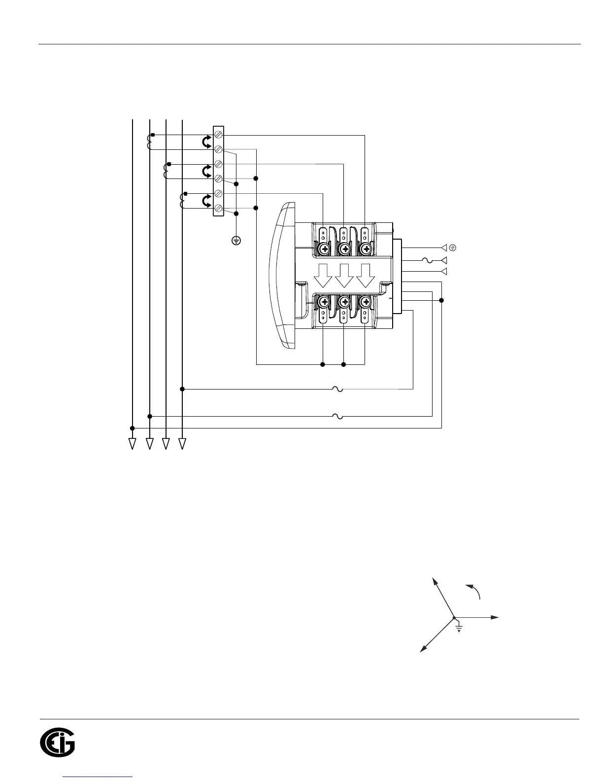
2. Service: 2.5 Element WYE, 4-Wire with No PTs, 3 CTs
Select: “2.5 EL WYE” (2.5 Element Wye) from the Shark® meters Front Panel
Display. (See Chapter 6.)
lc
HI
LO
lb
HI
LO
la
HI
LO
Earth Ground
L(+)
Power
Supply
Connection
N(-)
L(+)
GND
N(-)
Vref
Va
Vb
Vc
LINE
LOAD
CT
Shorting
Block
FUSES
2 x 0.1A
FUSE
3A
C
C
B
B
A
A
N
N
C
B
A

Table of Contents

Related product manuals