EasyManua.ls Logo

Sharp 14D1-S - Block Diagram:crt Unit; Block Diagram:headphone Unit

Sharp 14D1-S
40 pages
Print Icon
To Next Page IconTo Next Page
To Next Page IconTo Next Page
To Previous Page IconTo Previous Page
To Previous Page IconTo Previous Page
Loading...
23
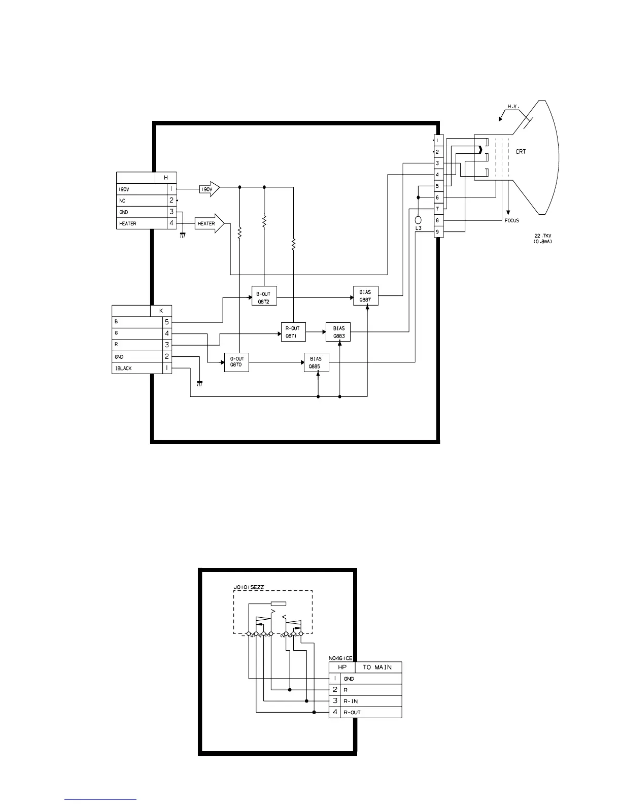
14D1-S/G/W
14D2-S/G
BLOCK DIAGRAM:CRT UNIT
BLOCK DIAGRAM:HEADPHONE UNIT

Related product manuals