EasyManua.ls Logo

Sharp 21KF-80S - Page 21

Sharp 21KF-80S
44 pages
Print Icon
To Next Page IconTo Next Page
To Next Page IconTo Next Page
To Previous Page IconTo Previous Page
To Previous Page IconTo Previous Page
Loading...
21
21KF-80S
SOUND
TRAP
TUNERAGC
+8V
HOUT V-DRIVE
RO
GO
B0
BCLIN
BLKIN
CVBS/Y
IFIN
AUDOUT
AUDEXT
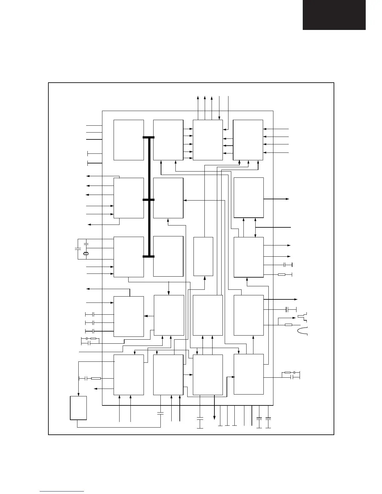
Fig. 1 Block diagram TDA935X/6X8X PS/N2 with mono intercarrier sound demodulator
CHROMA
SDASCL
VISION IF
ALIGNMENT-FREE
PLL DEMOD.
AGC/AFC
VIDEO AMP.
VIDEO SWITCH
VIDEO IDENT.
VIDEO FILTERS
PAL/SECAM/NTSC
DECODER
DEEMPHASIS
AUDIO SWITCH
(AVL)
VOLUME CONTROL
BASE-BAND
DELAY LINE
H/V SYNC SEP.
H-OSC. + PLL
H-DRIVE
2
nd
LOOP
H-SHIFT
V-DRIVE +
CONTR/BRIGHTN
OSD/TEXT INSERT
CCC
WHITE-P. ADJ.
80C51 CPU
I
2
C-BUS
TRANSCEIVER
ROM/RAM
TELETEXT
ACQUISITION
1/10 PAGE
MEMORY
TELETEXT/OSD
DISPLAY
RG
B
BL
Y
U
V
H
V
REF
ENHANCED
VST PWM-DAC
VST OUT
I/O PORTS
I/O PORTS (4x)
+3.3 V
RESET
LED OUT (2x)
ADC IN (4x)
VPE
(EW GEOMETRY)
GEOMETRY
EHTO
EWD
R/V
G/Y B/U BL
RGB/YUV INSERT
R
GB
REF
CVBS
SYNC
H
V
COR
27 37 38
33
(20)
29 28
34
44
60 55 59 58 57
10/11
2
34
5-8
1+62-64
9
12
54 56
61
51
52
53
49
50
45
484746
(20)
36
21
222625
16
35
17
31
15
19
14
39
18
41
(32)
13
43
42
40
24
23
RGB/YUV MATRIX
SATURATION
YUV/RGB MATRIX
30
LUMA DELAY
PEAKING
BLACK STRETCH
AGC CIRCUIT
NARROW BAND
PLL
DEMODULATOR
(32)
(32)
SNDIF
TDA9350 (IC801)
Block Diagram

Related product manuals