EasyManua.ls Logo

Sharp 21V-FR95S - Page 34

Sharp 21V-FR95S
47 pages
Print Icon
To Next Page IconTo Next Page
To Next Page IconTo Next Page
To Previous Page IconTo Previous Page
To Previous Page IconTo Previous Page
Loading...
35
654321
A
B
C
D
E
F
G
H
21V-FR95S
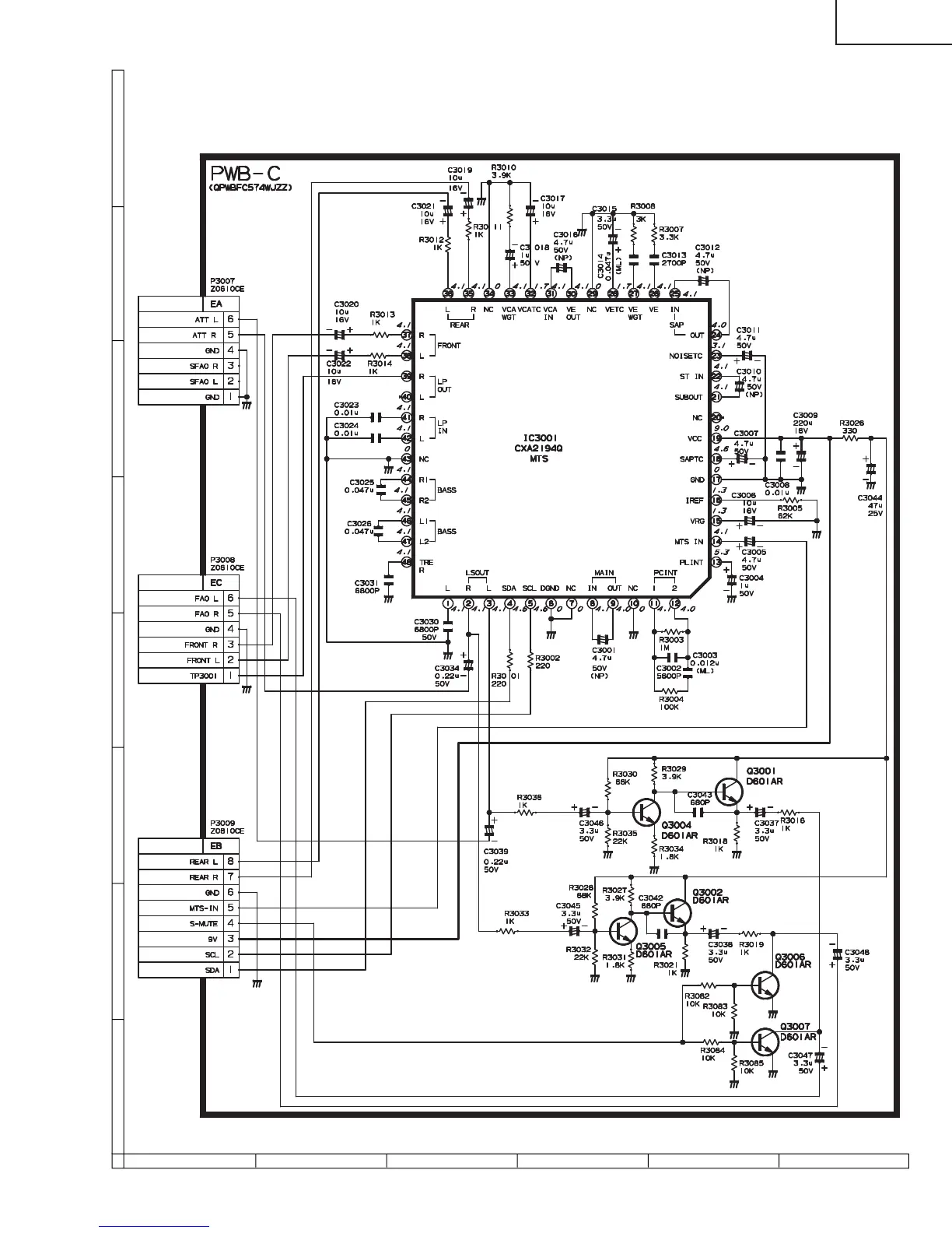
SCHEMATIC DIAGRAM: MTS Unit

Related product manuals