EasyManua.ls Logo

Sharp AY-X127E - Electronic Control Circuit Diagram (AY-X127 E)

Sharp AY-X127E
46 pages
Print Icon
To Next Page IconTo Next Page
To Next Page IconTo Next Page
To Previous Page IconTo Previous Page
To Previous Page IconTo Previous Page
Loading...
AH-X127E
AU-X127E
AY-X127E
AE-X127E
13
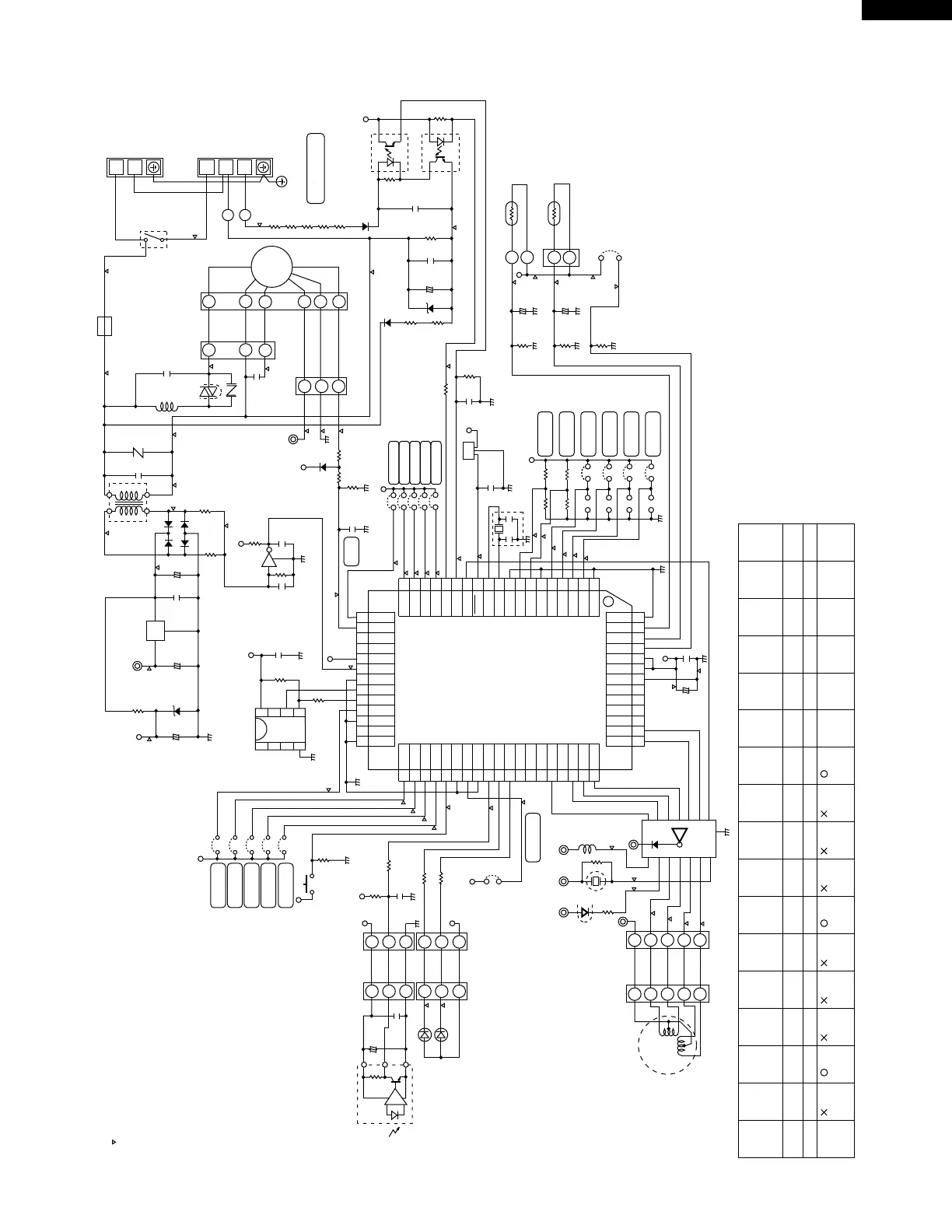
Figure L-3. Electronic Control Circuit Diagram for AY-X127E
1
2
3
4
5
C101
C102
0.1µ 25v
C80
25v
0.1µ
C8
16v
0.01µ
C10
25v0.1µ
C17
10v
100µ
NC
JP8
JP4
JP3
JP2
JP1
5v
5v SW1
5v
5v
5v
5v
5v
5v
5v
5v
5v
MODEL 8
MODEL 4
MODEL 3
MODEL 2
MODEL 1
RATING 1
RATING 2
CHAMB.T.
FAN L
FAN M
FAN H
POWER ON
AUX.
(TEST RUN)
CN1
CN2
CN3CN301
CN201
CN101
RED
GRAY
GRAY
GRAY
GRAY
WHITE
11
1 1
33
3 3
2
CN8 CN701
CN7
1
2
3
22
2
JP
99
60
61
(RED)LED101
(YELLOW)LED102
+
R9
10k
R12
10k
R29
680
R31
R33
R46
R35
R37
R39
R30
R32
R45
R34
R36
R38
PHOTO DETECTOR UNIT
R10 680
R11 330
33 P27
34 P26
35 P25
36 P24
37 P23
38 P22
39 P21
40 P20
41 K1
42 P17
43 P16
44 P15
45 P14
46 P13
47 P12
48 P11
49 P10
50 P07
51 P06
52 P05
53 P04
54 P03
55 P02
56 P01
57 P00
58 GND
59 VDD
60 VR
61 P57
62 P56
63 P55
64 P54
P41
P42
P43
P44
P45
P46
F
RESET
CK1
CK2
AGND
P30
P31
P32
P33
P50
P51
P52
P53
19
18
17
16
15
14
13
12
11
10
9
8
7
6
5
4
3
2
1
TEST
OSCout
OSCin
P60
P61
P62
GND
P63
P64
P65
P66
KH
P40
32
31
30
29
28
27
26
25
24
23
22
21
20
NC
NC
NC
NC
NC
NC
NC
NC
NC
NC
NC
NC
NC
NC
8
IC2
12v
12v
12v
12v
12v
12v
12v
5
4
3
2
1
9
8
31
32
33
34
35
RED
ORANGE
YELLOW
PEACH
BLUE
LOUVER MOTOR
RY1
R16
1.8k
2
SSR1
30
+
39
40
17
8
7
6
5
1
2
3
4
C9
50v
1000P
R1
470
1/2W
IC80
R80
6.8k
R81
1k
R4
33k
R3
2W
270
R5
33k
3
BZ
C6
10v
100µ
ZD1
ZD2
5C-1
C5
25v
47µ
+
+
+
C18
35v
100µ
+
41
43
OUT IN
7812
IC3
GND
C4
25v
0.1µ
C2
AC
250v
0.1µ
C14
25v
0.1µ
C3
25v
1000µ
44
5v
5v
R7
20k
R6
3.3k
3
1
2
Q1
C7
50v
1000P
45
14
15
9
7
5
4
3
2
1
13
12
11
JP5
JP6
JP7
JP9
JP10
SIGNAL IN
SIGNAL OUT
MODEL 5
MODEL 6
MODEL 7
WIRELESS
PREHEAT
1
2
3
OSC
8MHz
6
5v
5v
1
2
3
Q2
C16
16v
0.01µ
C15
16v
0.01µ
16
D5
R22
1.2k
R21
3.3k
R18 2.7k
R20
33k
R19
4.7k
IC1
TRANSFORMER
46
D1 D2
D3 D4
47
TR
C21
250VAC
0.01µ
C1
430VAC
1.5µ
NR1
55
50
48
49
67
66
68
56 54
NF1
FU1
2.5A 250v T
CNR1
13 11
S201D01
SSR1
YELLOW
RED
BLACK
BLUE
BROWN
GRAY
1
3
5
1
5
6
3
4
2
FAN
MOTOR
57
51
38
37
10
D6
R26
2W
11k
R23
100k
R24
22k
R25
4.7k
R44
2W
680 X 5
R43
R42
R41
R40
R27
2W
11k
C19
50v
0.047µ
C20
50v
0.01µ
24-2
C12
16v
10µ
+
R15
10.0kF
C11
16v
10µ
+
R14
10.0kF
R13
10k
TEST
36
62
63
CN4
2
1
5v
TH2
TH1
PIPE TEMP.
15k (25°C)
ROOM TEMP.
10k (25°C)
IN
OUT
BROWN
BLUE
BLUE
RED
BLACK
L
N
POWER
SUPPLY
TERMINAL
BOARD 3P
1
N
2
OUTDOOR
UNIT
TERMINAL
BOARD 4P
GREEN / YELLOW
A
S
52
D7
SERIAL SIGNAL
1
23
4
PC2
4
3
1
2
PC1
5v
S M 8 3 1 3
FUNC-
TION
IC1 PIN
No.
16(P44) 17(P43) 36(P24) 35(P25) 34(P26) 33(P27) 20(P40) 19(P41) 18(P42) 29(P60) 8(P30) 7(P31) 5(P33) 4(P50) 3(P51) 2(P52)
JP10SYMBOL JP9 JP1 JP2 JP3 JP4 JP5 JP6 JP7 JP8 R30, R31 R32, R33 R45, R46 R34, R35 R36, R37 R38, R39
NONESET USE R30: 15K
R31: 13K
R32: 15K
R33: 13K
R45: JP
R46:
NONE
R34: JP
R35:
NONE
R36: JP
R37:
NONE
R38: JP
R39:
NONE
PREHEAT
NONE/ON
WIRE-
LESS
NORMAL/
CHANGE
MODEL1
fmin UP
ON/
NORMAL
MODEL2
PANEL/
GRILL
MODEL3
AH/AY
MODEL4
HOT K.
NORMAL/
ON
MODEL5
RPM: 1/3
MODEL6
OUT T.
TH.
NONE/ON
MODEL7
ABILITY
1
MODEL8
ABILITY
2
RATED f
COOL
RATED f
HEAT
CHAMBER
TEMP.
CONTROL
FAN L
SPEED
1~5
FAN M
SPEED
6~10
FAN H
SPEED
11~12
USE USENONE NONE NONE NONE NONE NONE
NOTE:
1. : TEST POINT
2. Not specified R is 1/5W.
RPM
RY1
EVAPORATOR
10v
33µ
69
20
21
22
27
26
23
24

Related product manuals