EasyManua.ls Logo

Sharp AY-X127E - Electronic Control Circuit Diagram (AE-X127 E)

Sharp AY-X127E
46 pages
Print Icon
To Next Page IconTo Next Page
To Next Page IconTo Next Page
To Previous Page IconTo Previous Page
To Previous Page IconTo Previous Page
Loading...
AH-X127E
AU-X127E
AY-X127E
AE-X127E
14
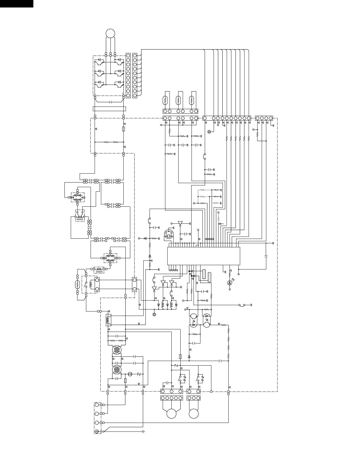
Figure L-3. Electronic Control Circuit Diagram for AE-X127E
+
1
33
34
35
36
37
38
39
40
41
42
43
44
45
46
47
48
49
50
51
52
53
54
55
56
57
58
59
60
61
62
63
64
32
31
30
29
28
27
26
25
24
23
22
21
20
19
18
17
16
15
14
13
12
11
10
09
08
07
06
05
04
03
02
01
5
1N2
4
3
2
1
5
3
1
1
2
3
1
3
1
2
1
2
(Terminal Board)
TB
RE
BL
BR
G/Y
T2
T1
T4
CN3
CN4
T11
T3
RY1
CNR1
RY2
R15
R14 R13 R12
CNR2
G/Y
(Control Box)
250v~
0.1µ
250v~
0.1µ
250v~
4700p
250v~
4700p
250v
0.1µ
3.3k
250v~
4700p
250v~
1µ
L3
CT1
L4
R1
3
4
3
4
1
2
1
2
C11
C2
C3
C4
SA1
NR1
C24
C12
NR2
430v 2.0µ
(Fan Motor 
Capactor)
510k
510k
R2
C1
WH
WH
L1
20A
250v
FM
SV
(Fan Motor)
(4 Way Valve)
3A
250v
WPE3
D1
2W
680
(Control Circuit Board Ass'y)
2W
680
2W
680
2W
680
R11
56k
JP16
R5
4.7k
R7
IC1
MB89855
(RH-IXA390JBE0)
C14
50v
1000p
C13
R4
2W
680
3
4
2
2
3
1
1
4
5v
5v
R16 10k
R17 10k
D4
PC817X7
PC1
PC2
PC853H
LED1
R6
2.7k
C16
5v
5v
2.2k
R3
NC
NC
NC
NC
NC
NC
NC
NC
NC
NC
NC
NC
NC
NC
NC
NC
NC
NC
0.1µ
25v
R38
(10k)
5v
5v
IC3
2
3
1
PST993D
5v
OSC1
1µ
50v
C23
R10
6.49kF
C15
10v
220µ
5v
D3
D2
1.00kF
R9
+
JP1
1.80kF
R8
BL
BL
BCN12
DTD113ZS
Q3
JP4
JP3
KRC106M
Q1
Q2
RY2
D5
RY1
D6
13v
T5
T6
BK
DB1
OR
BCN13
BL
PTC1
GR
GR
MRY1
BL
(PTC Thermistor)
(Reactor)
C10C6
RE
1
2 3
4
400v
150µ
400v
150µ
L2
(Reactor)
RE
RE
BK
C5 200v 50µF
WH
+
+
+
+
+
C8
CMP
YL
BL
DB2
GR
GR
BL BR
GR
WH
C7
YL
63v 4700µ
C9
GR
400v
2000µ
400v
2000µ
1/2W
270k
1/2W
270k
R40
C29
0.33µ630v
R39
T9
T10
T8
WPE2
20A
250v
T7
FC1
YL
BL
PM1
(IPM)
+
U RE
WH
BK
V
W
(Compressor)
C26
+
+
50v
1000p
+
TH3
TH2
(Thermistor for Air)
(Thermistor for Condenser)
TH1
(Thermistor for Compressor)
GN
OR
WH
WH
WH
WH
WH
WH
WH
WH
WH
WH
RE
5v
BCN11
R33U 330
R32X 330
R31V 330
R30Y 330
R29W 330
R28Z 330
5v
5v
13v
13v
ARM
CN8
JP2
R35
C18
1k
C21 C22
R20 R21
6.80kF 6.80kF
6.80kF
16v
10µ
16v
10µ
16v
10µ
R37
R36
330k
(for WINTER-KIT)
CN10
R34
10k
5v
R27
R26
R25
R23
R24
R22
(for WINTER-KIT)
10 9 8 7 6 5 4 3 2 1
10 9 8 7 6 5 4 3 2 1
6
5
4
3
2
6
5
4
3
2
1
4
3
2
1
1
2
3
4
10
9
8
7
6
5
FREQ
NOTE:
BK
BL
BR
GN
GR
G/Y
OR
RE 
WH 
YL
(Black)
(Blue)
(Brown)
(Green)
(Gray)
(Green/Yellow)
(Orange)
(Red)
(White)
(Yellow)
TEST 2
TEST 1

Related product manuals