EasyManua.ls Logo

Sharp CD-C1W - Page 30

Sharp CD-C1W
72 pages
Print Icon
To Next Page IconTo Next Page
To Next Page IconTo Next Page
To Previous Page IconTo Previous Page
To Previous Page IconTo Previous Page
Loading...
CD-C1W,CP-C1W
– 30 –
A
B
C
D
E
F
G
H
1
23456
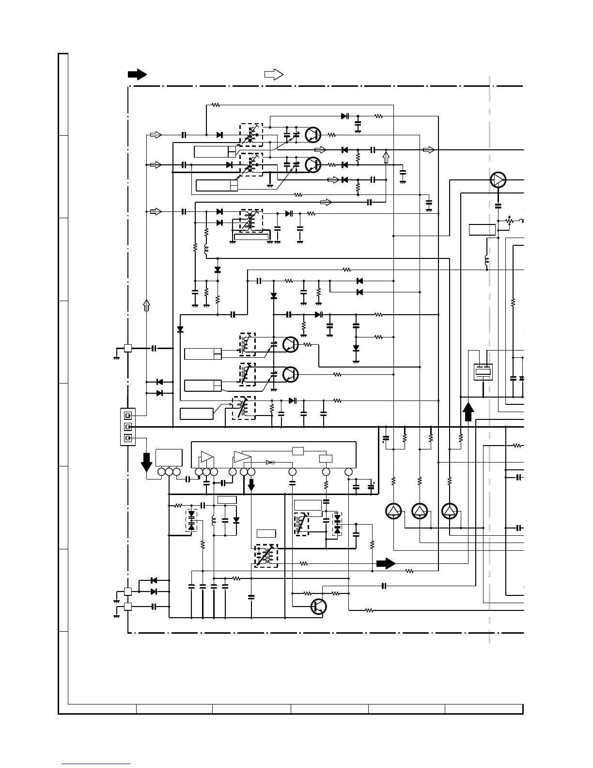
Figure 30 SCHEMATIC DIAGRAM (8/15)
NOTES ON SCHEMATIC DIAGRAM can be found on page 16.
RT03
22
RT10A
4.7K
RT08A
10K
CT15A
0.022
RT04
47
C309
330P
C310
0.001
R311
100K
L311
560µH
Q365
KRC10
7
CT13A
3.9P(UJ)
C390
100P
VDT02
KDV147B
C338
0.001
C301
0.001
C349
1/50
C321
0.0039
D317
1SS135
R326
1K
R302
82
R316
22K
D316
1SS135
LT02
SW2 OSC
T308
MW OSC T306
TT01
T302
T303
SW1 ANT
T304
SW2 ANT
C307
0.047
TC302
C308 (UJ)
8.2P
TC303
Q308
2SC2878 B
Q309
2SC2878 B
R314
3.3K
R312
33K
VD302-B
KV1236Z23F
D309
1SS135
D310
1SS133
D311
1SS135
R315
22K
R313
22K
C311
0.022
D315
1SS135
D314
1SS133
D313
1SS133
D308
1SS135
D307 1SS135
D306
1SS135
D305
1SS135
CT03A
4.7P
RT06A
10
CT04A
0.001
VDT01
KDV147B
1DT01A
SS133
ICT01A TA7358AP
CT16A
10/16
LT01
CT02
0.01
CT01
18P(CH)
FM BAND PASS
BFT01
D302
1SS133
D301
1SS133
0.047
C305
C304
0.022
C303
0.022
C314
0.022
R317
10K
R330
1K
R325
56K
C320
0.0018
R329
100K
C319
0.022
VD302-A
KV1236Z23F
R328
10K
C318
0.022
R322
5.6K
C316
0.1
R320
10K
R318
1.5K
R324
100K
R319
100K
C331
0.047
VD301-1
KV1236Z23F
C342
0.022
VR351
10K(B)
R38
2
150
X352
4 5MHz
D304
1SS133
D303
1SS133
R321
5.6K
1SS133
D312
C315
0.1
VD301-2
KV1236Z23F
C336
470P
R323
68K
R327
5.6K
Q307
2SC2878 B
TC304
Q306
2SC2878 B
TC305
RT09A
820
C381
12P (C
C382
15P (C
L356
1mH
R341
47K
Q364
KRA107 M
Q362
KRA107 M
Q363
KRA107 M
R342
47K
R343
47K
C312
0.022
C313
0.022
C351
0.022
R351
5.6K
2 06V
0V
0V
0V
0V
0V
0V
0V
0V
0V
12.18V
0V
0V
0V
0V
L3
5
1
m
R
3
8.
2
CF302
10.7MHz
FM1F
R310
22K
C335
18P (CH)
R340
220
R339
470
R338
470
RT02
33K
RT01
100K
QT01A
2SC535 C
AMP
RT07A
680
RT05A
47K
CT10A
0.022
CT09A
0.0047
CT08A 0.0047
CT07A 0.001
CT06 0.022
98
7
6
5
4321321
C
3
0.
0
CT12A
33P
RF
MIX
B.A
OSC
VCC
FM FRONTEND
SW1 OSC
T307
MW ANT
SW2+B
SW1+B
MW+B
CT14A
22P(CH)
CT11A
15P
(CH)
CT05A
6.8P
(UJ)
+B
+B
fH
fL
fL
fH
fL
fL
fH
fH
3
2
1
3
2
1
FM MUTE
LEVEL
MW TRACKING
FM
75ohms
SW2
TRACKING
SW1
TRACKING
SW1
TRACKING
SW1 BAND
COVERAGE
MW BAND
COVERAGE
FM BAND
COVERAGE
FM
OSC
FM SIGNAL MW/SW1/SW2 SIGNAL
SW1
SW2
MW
GND
SO301
ANTENNA
TERMINAL
FILTER
FMRF
FMIF
+B
3
2
1
3
2
1
3
2
1
C334
18P
(UJ)
C330
8.2P
(UJ)
C306
10P (UJ)

Related product manuals