EasyManua.ls Logo

Sharp CD-C440W - Page 21

Sharp CD-C440W
68 pages
Print Icon
To Next Page IconTo Next Page
To Next Page IconTo Next Page
To Previous Page IconTo Previous Page
To Previous Page IconTo Previous Page
Loading...
– 21 –
CD-C440W/CP-C440W
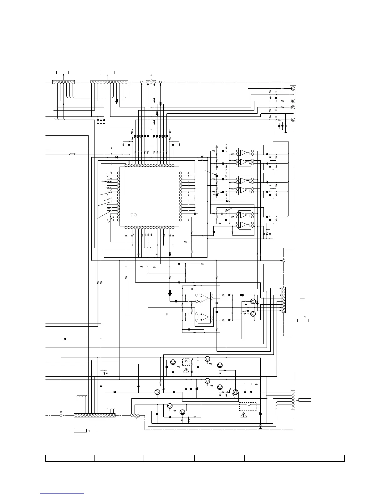
Figure 21 SCHEMATIC DIAGRAM (6/14)
7
8 9 10 11 12
MAIN_SO
CLEAR
POWER
M_12V
D_5V
D_GND
+B
+B
+B
+B
+B
+B
+B
65
41
7
8
76
5
4
3
2
1
8
7
6
5
4
3
2
1
8
76
5
4
3
2
1
16
14
15
13
12
11
10
9
8
7
6
5
4
3
2
1
64 63 62 61 60 59 58 57 56 55 54 53 52 51 50 49
47
46
45
44
43
48
33
34
35
36
37
38
39
40
41
42
323130292827262523 24222120191817
8
7
6
5
4
3
2
1
+B
31
2
28
41
27121110
9876543217654321
1
2
3
4
5
6
7
8
13121110
987654321
+B
+B
+B
+B +B
6
5
4
3
2
1
/63
/63
/63
/63
/63
AUDIO PROCES
OPE AMP.
OPE AMP.
OPE AMP.
OPE AMP.
/63
0V
0V
0V
0V
0V
0V
6.3V
8.8V
5.7V
13.5V
18.5V
12.9V
12.9V
18.5V
12.3V
13.5V
13.5V
0V
18.5V
13V
12.4V
18.5V
12.4V
11.8V
7.8V
17V
7.8V
7.8V
17V
7.3V
0V
0V
4.2V
RTIN
RF1C1
RF1C2
RF1C3
RF2C1
RF2C2
RF2C3
RF3C1
RF3C2
RF3C3
RF4C1
RF4C2
RF4C3
RF5
RTOUT
RFIN
RFCOM
1817
RFOUT
RRIN
RRCOM
RROUT
RVREF
VREF
LVREF
CE
DI
CL
VSS
LROUT
LRCOM
LRIN
LFOUT
LFCOM
LFIN
LTOUT
LF5
LTIN
LF1C1
LF1C2
LF1C3
LF2C1
LF2C2
LF2C3
LF3C1
LF3C2
LF3C3
LF4C1
LF4C2
LF4C3
LSELO
LINVIN1
L5
L4
L3
L2
L1
VDD
R1
R2
R3
R4
R5
RINVIN1
TO DISPLAY PWB
FW703
–B
–B
–B
–B
VF1
–VP
VF2
POWER
F_MUTE
M_12V
D_GND
D_5V
M_GND
CD_7V
CD_GND
TO CD
SECTION
TO DECK
SECTION
TO DISPLAY PWB
FW702
TO TUNER PWB
CNP303
VIDEO/AUX 1
R-CH
L-CH
CLK
DO
DI
CE
TUN_MUTE
TUN_SD
TUN_SM
D_GND
CLK
DO
CE
DI
A_12V
A_GND
TO CD/DECK
SECTION
CE
DO
CLK
–B
FW901
TO POWER AMP.PWB
FRONT_L-CH
FRONT_R-CH
TO DECK
SECTION
STAND-BY
GND2
A_12V
SPE5
SPE4
SPE1
SPE3
SPE2
VIDEO/AUX 2
R-CH
L-CH
TO CD SECTION
TO DECK
SECTION
TO DECK
SECTION
TAPE_R-CH
CD_R-CH
A_GND
CD_L-CH
TAPE_L-CH
TUN_R-CH
TUN_L-CH
TUN_MUTE
TUN_SD
TUN_SM
VF1
–VP
VF2
CL
DI
DO
CLEAR
CE
A_12V
POWER ON/STB
SWITCHING
VOLTAGE
REGULATOR
VOLTAGE
REGULATOR
VOLTAGE
REGULATOR
VOLTAGE
REGULATOR
SWITCHING
VOLTAGE
REGULATOR
3
2
1
2
3
1
GND3
GND2
TO POWER
PWB
CNS801
REAR_OUT
CENTER_OUT
A_GND
D_GND
STAND-BY
–15V
VF1
VF2
–VP
+B2
F_MUTE
MAIN_STB
MAIN_SCK
MAIN_SI
P18 5-A
P27 10-G
P23 12-D P23 12-D
P17 12-C
P23 12-E
P24 2-E
P24 5-G
P17 12-E
P23 12-B
P19 8-G
P23 12-C
P17 12-E
R575
1K
R576
1K
C535
0.0047
C501 1/50
C507 1/50
C502 1/50
C504 1/50
C509 1/50
C503 1/50
C510 1/50
C506 1/50
C505 1/50
C508 1/50
D556
1SS133
C583
0.022
R551
15K
R553
270K
C541
2.2/50
D557 1SS133
R564
1.8K
C586
390P
R561
27K
R562
27K
R563
1.8K
C585
390P
C855
330P
R574
2.2K
C852
0.1/63
C856
330P
WT901
J501
CNP502
W
T502
WT601
D828
1SS133
R832
100
D824
1SS133
Q829
KRC107 M
R820
10K
C827
0.022
Q828
2SD468 C
C828
47/25
R830
22
D825
1SS133
R826
560
C865
0.022
F821
T500mA L 250V
CNP801
R567
1.8K
C587
390P
R566
27K
C588
390P
R565
27K
R568
1.8K
D560
1SS133
D561
1SS133
R511 1K
C539
10/50
C546
10/50
R514 1K
R520 1K
C522
0.22/50
R503
15K
C550
330/16
C527
0.22/50
R515 1K
C537
1/50
C515
1/50
C533
0.0022
C534
0.0022
R516 1K
R513 1K
C545
10/50
C517
1/50
C518
1/50
R501
2.2K
C513
100P
R502
2.2K
IC501
LC75396E
C529
0.033
R504
15K
R517 1K
R518 1K
C532
0.015/63
R512 1K
R519 1K
C531
0.015
C528
0.22/50
C516
1/50
C514
100P
C512
47/16
C536
0.0047/63
C530
0.033/63
C521
0.22/50
C511
47/16
C549
0.022
C566
270P
C580
2.2/50
IC502
BA4558
R535
470K
R542
220K
R534
220K
R540
12K
C570
0.0027
R557
100K
R539
390K
D555
1SS133
D551
1SS133
D554
1SS133
R547
2.2M
D552
1SS133
R552
560K
C571
0.0082
C574
0.0068
R537
39K
C568
680P
C578
2.2/50
C565
270P
R554
100K
R549
470K
C576
2.2/50
C575
0.022
IC504
BA4558
C573
0.0068
R558
100K
R545
22K
R548
56K
D553
1SS133
R543
680K
R556
100K
R550
2.2M
R555
100K
C577
2.2/50
R532
10K
IC503
BA4558
R544
18K
R533
33K
R546
220K
R531
390K
C579
2.2/50
R536
12K
R538
220K
C569
0.0027
C572
0.0082
C567
680P
R541
68K
ZD551
MTZJ6.2C
C582
0.022
C581
0.022
R569
220K
R570
220K
R559
330
C542
2.2/50
R854
100K
IC651
BA4558
C860
0.022
R852
2.2K
C555
0.001
R855
8.2K
R853
100K
Q501
KTC3199 GR
Q502
KTC3199 GR
C851
0.1/63
C556
0.001
R521
2.2K
C854
0.15/63
R858
6.8K
R522
2.2K
R856
8.2K
R857 6.8K
C859
0.022
C853
0.15
R851
2.2K
C861
2.2/50
R862
3.9K
C862
2.2/50
R864
2.2K
R861
3.9K
R863
2.2K
Q823
2SD2012
ZD821
MTZJ8.2C
C826
47/25
C822
47/25
R823
47
C825
47/25
R825
33K
R824
1K
Q821
2SD2012
D821
1SS133
C821
0.022
ZD822
MTZJ13C
R822
560
Q822
KTC3199 GR
R821
47
Q824
KTC3199 GR
D823
1SS133
Q825
KRA107 M
C823
4700/25
R560
330
R866
330
D831
1SS133
D829
1SS133
C864
0.022
R530 1K
R529 1K
R528 1K
C559
22/25
R525
22K
Q827
KTC3199 GR
C829
22/25
R829
1K
C830
47/25
R831
1.2K
ZD823
MTZJ6.2C
R828
47
Q826
2SD2012
C591
0.022
D502
1SS133
D501
1SS133
C548
2.2/50
C547
2.2/50
R508
47K
R507
47K
R573 2.2K
R509
47K
R510
47K
R865
330
R572
2.2K
R571
2.2K
C553
47/16
C552
47/16
C551
47/16
C540
10/50
C538
1/50
C520
0.1/50
C524
0.22/50
C526
0.068/63
C519
0.1/50
C523
0.22/50
C525
0.068/63
R223
220K
D822
1SS133
C824
0.022
C831
47/25
D830
1SS133

Related product manuals