EasyManua.ls Logo

Sharp CD-C492 - Page 22

Sharp CD-C492
88 pages
Print Icon
To Next Page IconTo Next Page
To Next Page IconTo Next Page
To Previous Page IconTo Previous Page
To Previous Page IconTo Previous Page
Loading...
CD-C492/492C
– 22 –
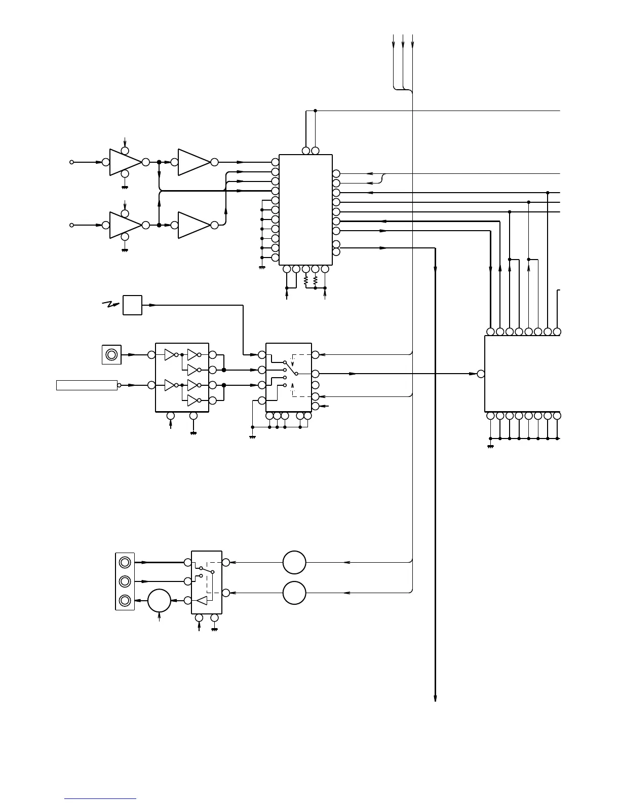
Figure 22 BLOCK DIAGRAM (2/5)
13
8
10
1 4
6
7
14
TOS
ICA14
GP1F38R
DVD2
DIGITAL
IN
ICA15
TC74HCU04
INVERTER
IN
IN
DVD2
DIGITAL
IN
FROM CD UNIT
4
3
5
6
7
1
6
11
~
13
15
+B13
IN
IN
IN
ICA16
TC74HCU15
SWITCH
61
D4-GND
D4-GND
14
13
12
11
D-OUT
DEM0
DEM1
16
17
15
SCK
CLK
CLK2L/R
83
79
91
D-IN
CLK2L/R OUT
92
CLK2OUT
97
95
66
CL
CL
S
C
SCK2IN
78
94
86
85
62
60
36
4
2
D3-GND
D-OUT
D-IN
SL/SR OUT
SL/SR IN
ANAROG LCH
4
7
IN
2
1
6
7
IN
6
3
4
5
6
23
24
PWDA
PWAD
AINR+
AINR–
AINL+
AINL–
2
8
18
19
20
22
25
1
7
9
10
21
+B13+B9
AINR–
AINL–
AINL+
IN
IN
OUT
OUT
OUT
ICA13
AK4520A
A/D,D/A
CONVERTER
ANAROG RCH
ICA11
NJM4580M
LOW PASS FILTER &
DIFFERENTIAL AMP
A-GND
8
4
2 1
8
+B7
A-GND
A-GND
+B7
ICA12
NJM4580M
LOW PASS FILTER &
DIFFERENTIAL AMP
27
LS OUT
RS OUT
26
VIDEO1 IN
VIDEO2 IN
MONITOR
OUT
1
7
3
+B7
2
4
8
5
+B7
ICH51
NJM2246M
SWITCH
QH51
V-GND
LS/RS
OUT
DGTL2
V1/V2
16
+B13
2
DGTL2
9
14
DGTL1
V1/V2
DGTL2
DGTL1
QH52
QH53
DGTL2
V1/V2
SWITCHING
SWITCHING

Related product manuals