EasyManua.ls Logo

Sharp CD-C492 - Page 24

Sharp CD-C492
88 pages
Print Icon
To Next Page IconTo Next Page
To Next Page IconTo Next Page
To Previous Page IconTo Previous Page
To Previous Page IconTo Previous Page
Loading...
CD-C492/492C
– 24 –
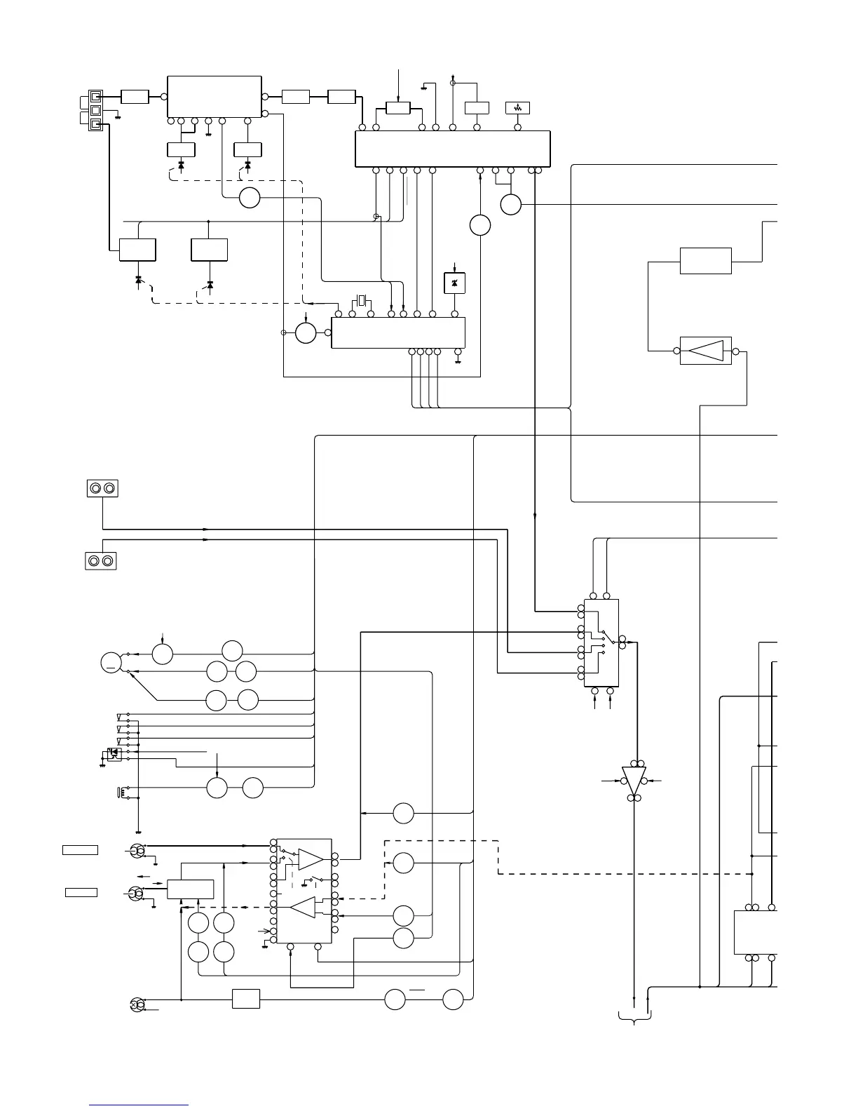
Figure 24 BLOCK DIAGRAM (4/5)
ANTENNA
TERMINAL
SO301
FM
AM
L
R
7
SPE IN
H/N
T1/T2
ERASE
HEAD
R-CH
L-CH
PB HEAD
L-CH
R-CH
REC/PB
HEAD
P.B
AC BIAS
P.B
REC
REC/PB
TAPE 2
TAPE 1
T1/T2
SWITCHING SWITCHING
BAIS
L NF
L(T1)
R(T1)
L(T2)
R(T2)
R NF
L
R
POP REDUCE
L REC
R REC
PLAYBACK&RECORD AMP
AN7345K
IC101
L
R
REC
P.B.
REC
ALC
HIGH
NOR/
T1/T2
REF
+B7
P.B
REC/PB
MUTING
MUTING
PB MUTE
REC MUTE
HI SPEED
L NF
R NF
SWITCHING
SWITCHING
SWITCHING
M
MOTOR
+B2
TA MOT H/L
HI SPEED
TA MOT SW
DRIVER
DRIVER
MOTOR
T2 A/B-FP
SWM3
SWM4
T1 RUN SW
CAM SW
FAS SW
PHM1
TA PUL
+B2
SOLM1
DRIVER
TA CUM SW
BAIS
T2 PH-IN
T2 PH-OUT
1
2 3
FM BPF
4
5
7
8
6
FM IF
OSC BUFF
FM RF
FM
OSC
Q202
9
A1064
T202
AM RF
AM ANT
IC201
FM FRONT END
TA7358AP
BF301
T301
T204
B1074
AM
FM IF
CF301
FM OSC
FM +B
Q344
+B7
GND
AM IF
FM IF IN
FM/AM IF+MPX
AM MIX AM IF
VCC
IC241
MPX VCO ADJ
FM DET VCO
FM DET
MO/ST
T351
FM IN
AM IN
IC302
TC72131
+B7
+B7
AM OSC IN
AM+B
AM RF IN
STEREO
+B7
+5V
MONO/ST
FM MONO/ST
REGURATER
VOLTAGE
PLL CONTROLLER
OSC
X352
4.5MHz
FM/AM DET OUT
MPX IN
FM +B
Q342
Q343
R
L
DI
CL
CE
DO
FMOSC
FM
SWITCHING
FM/AM
I
C
QS
7
QS
O
L
B.P.F
LA1805
T352
VR351
R
L-IN
R-IN
L-OUT
R-OUT
C-IN
C-OUT
SL
-
IN
SL OUT
TO AC-3
L
R
L
R
R
L
L
R
TAPE
L
R
FUNC-A
FUNC-B
IN
OUT
NJM4565D
ICZ09
LINE AMP.
-B10
+B10
+B10
-B10
TUNER
VCR 1
VCR 2
L
R
JR11
JR12
VCR/AUX1
VCR/AUX2
ICH11
QK21
QK22
QK26
QK24
QK28
LK04
QK07
QK08
QK11
QK10
QK09
QK03
QK04
QK05
QK06
QK19
QK15
QK16
QL15
DRIVER
QL13
QL11
QL17
QL12
QL19
QL18
QL14
2
QK17
QK18
132021
653
1
24 23
22
7
15 11
17
16
9
10
L302
L303
17
10
11
16
15
221
20
7
3
4
5
6
21
20
19
18
42
41
40
R
L
71
8
4
3
5
R
L
7
16
4
11
2
15
5
14
1
12
10 9
21
27
15
19
10
17
8
18
7
12
13
14
16
9
6
4
3
23
2
24
1
5
21
4
20
OSC

Related product manuals