EasyManua.ls Logo

Sharp CD-C492 - Page 33

Sharp CD-C492
88 pages
Print Icon
To Next Page IconTo Next Page
To Next Page IconTo Next Page
To Previous Page IconTo Previous Page
To Previous Page IconTo Previous Page
Loading...
– 33 –
CD-C492/492C
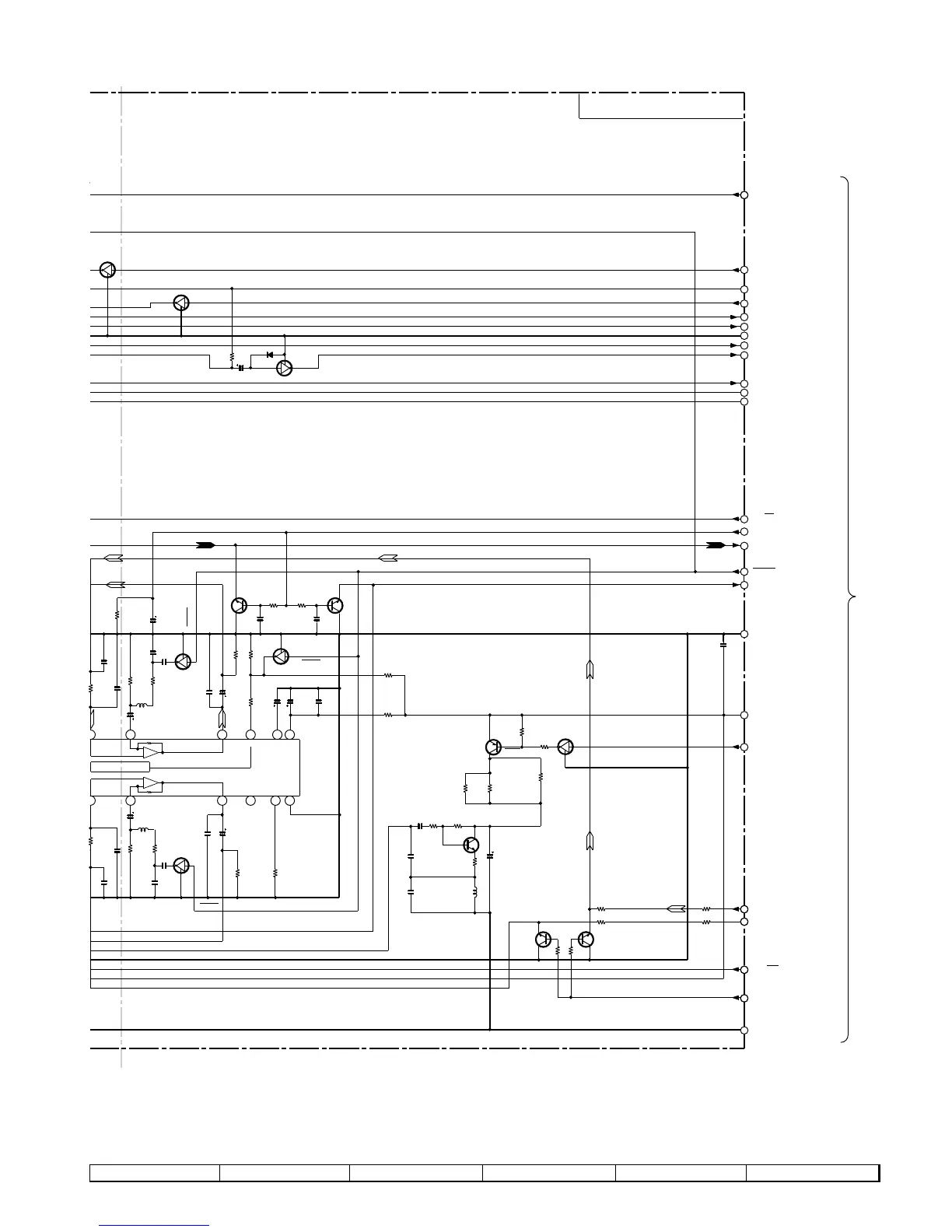
Figure 33 SCHEMATIC DIAGRAM (8/20)
7
8 9 10 11 12
RK57
4.7K
QK19
KRC104 M
CK41
47/25
CK46
220/10
CK45
22/25
RK50
10K
RK58
470
ICK01 AN7345K
QK15
KRC104 M
CK37
0.018
CK10
47/25
CK35
0.022
RK41
82
CK33
22/25
RK39
560
LK01
1.8mH
CK31
270P
CK29
470P
CK39
0.0033
CK42
47/25
CK34
22/25
QK16
KRC104 M
CK38
0.018
CK36
0.022
8
CK32
270P
CK30
470P
CK47
0.022
RK45 10K
RK49 10K
CK40
0.0033
RK47
10K
CK44
0.022
CK43
0.022
QK18
2SC2878 A
RK48
10K
RK43
10K
QK17
2SC2878 A
RK46
10K
RK52
1K
RK67
47K
QK28
KTC3203 Y
QK24
KTA1266 GR
CK52
47/16
RK62
47K
RK72
56K
RK64
4.7K
QK26
KRC104 M
RK73
56K
CK50
0.0082
CK51
0.027(ML)
RK68
4.7
LK04
330µH
QK21
KTC3199 GR
RK53
10K
QK22
KTC3199 GR
RK54
10K
RK55
33K
RK56
33K
12
131415
987
111016178
RK60
270
RK61
270
CK62
0.047(ML)
RK66
27K
RK42
82
RK40
560
RK63
10K
CK55
0.022
CL13
3.3/50
RL24
3.3K
7
4
M
QL18
K
RC104 M
QL19
KRC104 M
QL16
KRC107 M
DL11
1SS133
GND(D)
PB.MUTE
GND(A)
12V(A)
VCC GND
HI.SP
HI.SP
HI.SP
BIAS
T1_CRO2
TA_MOT_SW
M_12V
TA_CAM_SW
T2_RUN
T2_B_FP
T1_RUN
T2_A_FP
M_GND
TA_F/R SPEED
TA_SOL
3
1
2
3
1
2
3
1
2
3
TA_MOT_SW
M_12V
TA_CAM_SW
T2_A_FP
M_GND
TA_F/R SPEED
T1_RUN
T2_RUN
TA_SOL
1
2
3
4
5
6
7
8
9
10
11
12
T2_B_FP
13
14
15
16
17
18
19
20
PB.MUTE H:ON L:OFF
PRE L-CH
HI. SP H:LOW L:HIGH
PRE R-CH
BIAS H:ON L:OFF
+B
1
2
3
+B
21
22
23
24
27
REC R-CH
REC L-CH
REC MUTE
TA R/P H:PB L:REC
1
2
3
1
2
3
1
2
3
MAIN PWB-A (3/5)
HIGH=CHROME
NOR/CrO2
RIPPLE
ALC
ALC
+
56K
+
56K
MAIN SECTION
P31 8-G
TA/T2/T2H:T1 L:T2
PLAYBACK AND RECORD
/PLAYBACK AMP.
LK02
1.8mH

Related product manuals