EasyManua.ls Logo

Sharp CD-C492 - Page 35

Sharp CD-C492
88 pages
Print Icon
To Next Page IconTo Next Page
To Next Page IconTo Next Page
To Previous Page IconTo Previous Page
To Previous Page IconTo Previous Page
Loading...
– 35 –
CD-C492/492C
7
8 9 10 11 12
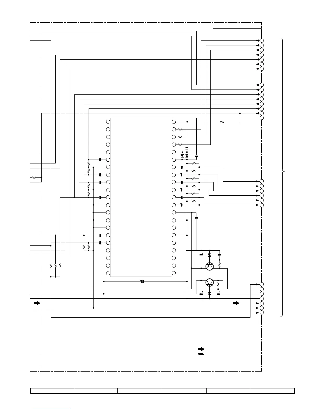
Figure 35 SCHEMATIC DIAGRAM (10/20)
CZ61
1/50
CZ60
1/50
CZ59
1/50
CZ57
1/50
CZ58
1/50
CZ56
1/50
DZ01
1SS133
DZ02
1SS133
ICZ10
M62446FP
ZDZ02
MTZJ7.5C
QZ02
KTC3203 Y
CZ66
1/50
CZ65
10/50
CZ62
22/16
CZ67
22/16
CZ49
1/50
CZ51
1/50
CZ50
1/50
CZ48
1/50
CZ55
0.001
CZ54
0.022
RZ80
10K
RZ82
10K
RZ81
10K
RZ79
10K
RZ84
10K
RZ83
10K
RZ76
1K
RZ78
1K
RZ77
1K
RZ70
10K
RZ72
10K
RZ71
10K
RZ69
10K
RZ86
1K
RZ95
220
RZ87
470K
RZ88
470K
RZ89
470K
ZDZ01
MTZJ7.5C
QZ01
KTA1271 Y
CZ64
1/50
RZ85
1K
CZ63
10/50
CZ52
1/50
CZ53
1/50
RZ74
10K
RZ73
10K
RZ75
10
94
95
96
97
98
99
100
101
102
103
104
105
106
107
108
1
2
3
4
5
6
7
8
9
10
11
12
13
14
15
16
17
18
19
20
21
2 2
3 2
2 4
2 5
6 2
27
28
29
30
31
32
33
34
35
36
37
38
39
40
41
42
39
38
37
36
35
34
115
116
117
118
119
120
121
OUT4 (NC)
OUT3 (NC)
OUT2 (NC)
OUT1 (NC)
SWIN
GNDS
SRIN
SLIN
GNDC
GNDR
C IN
R IN
L IN
BYPASSR
BYPASSL
LTRE
LBASS3
LBASS2
LBASS1 RBASS1
RBASS2
RBASS3
RTRE
CR2
CR1
CL2
CL1
AVSS
R OUT
L OUT
C OUT
SL OUT
SW OUT
LA TCH
DATA
CLK
SR OUT
–7V
C IN
SWIN
SRIN
SLIN
L OUT
R OUT
A
B
DI
CLK
VR CLK
VR DATA
LT IN
RT IN
–15V
SPE-ANA
L IN
R IN
GND(D)
+7V
+12V
GND(A)
GND(A)
D GND
4
.6V
+4.6V
+4.6V
C IN
SWIN
SRIN
SLIN
L OUT
R OUT
+4V
GND(D)
DI
VR CLK
VR DATA
VR LA TCH
FUNC A
FUNC B
CLK2
VR LA TCH
+B
+B
AVDD
GND
A GND
D GND
DVDD
SW OUT
SR OUT
SL OUT
C OUT
R OUT
L OUT
SW OUT
SR OUT
SL OUT
C OUT
R OUT
L OUT
LT IN
RT IN
GND(A)
SPE-ANA
+12V
GND(A)
–15V
–B
+B
–B
+B
B
TO MAIN SECTION
P31 9-C
MAIN PWB-A (4/5)
PLAYBACK SIGNAL
FM SIGNAL

Related product manuals