EasyManua.ls Logo

Sharp CD-C7000W - Page 28

Sharp CD-C7000W
68 pages
Print Icon
To Next Page IconTo Next Page
To Next Page IconTo Next Page
To Previous Page IconTo Previous Page
To Previous Page IconTo Previous Page
Loading...
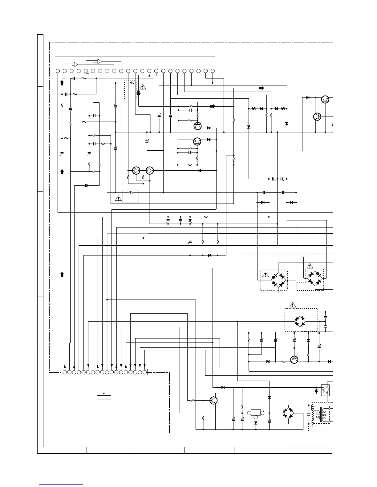
CD-K7000W/C7000W,CP-C7000
– 28 –
Figure 28 SCHEMATIC DIAGRAM (8/11)
A
B
C
D
E
F
G
H
1
23456
• NOTES ON SCHEMATIC DIAGRAM can be found on page 16.
LVL_CTRL
+B
GND
+5V
UN_SW_5V
AC_RLY_CON
-VP
VF1
VF2
VL+
VL-
VH+
VH-
-
+
-
+
SP DET
VL+
VL-
VH-
VH+
SP_DET
M_+10V
M_GND
SP_RLY
-15V
A_GND
R CH
A_GND
L CH
2 3 4 51 7 8 96
12 13 14 1511 17 1810 16
2
345
1
789 6
12131415 11171819 1016
2223 21 20
2
3
1
+B
+B
+B
+B
+B
+B
+B
+B
+B
+B
+B
+B
+B
+B
+B
+B
+B
+B
+B
+B
+B
+B
+B
-B
-B
-B
-B
-B
-B
-B
-B
-B
-B
-B
-B
CNS901
P24 1 - C
TO MAIN PWB
3
2
3
2
1
1
POWER
TRANSFORMER
CONSTANT
VOLTAGE
C925
47/50
D909
1SS133
Q904
KTC3199GR
Q903
KTC3199
G
D905
1N5402M
R961
47K
D903
1SS133
ZD901
MTZJ13B
R915
3.9K
R916
3.9K
D904
1SS133
ZD902
MTZJ13B
D906
1N5402M
R962
47K
C904
4700/50
C901
3300/100
D902
1N4004S
C902
3300/100
C903
4700/50
D901
1N4004S
D809
TS6B04GM
D810
D10XB60F
C816
100/50
C818
47/50
ZD801
MTZJ36C
C817
220/63
R802
2.2K
D811
1N4004S
D814
1N4004S
D812
1N4004S
D813
1N4004S
C81
0.2
2
C81
0.2
2
D81
7
1N400
4
Q803
KTA1274Y
R805
10
D801
1SS133
RL801
D808
1SS133
D802
1N4004S
T802
D804
1N4004S
D805
1N4004S
C802
0.047(ML)
D803
1N4004S
C805
2200/6.3
R801
100
C804
10/16
D806
1SS133
Q801
AN78L05
C803
470/35
R809
47K
R804
1K
D807
1SS133
Q802
KTC3199GR
C819
47/50
ZD802
MTZJ6.2A
C820
100/35
R803
12K
C920
100/100
R959
8.2K
Q911
KRC107M
R913
100(1/4W)
Fusible
R906
1K
C916
47/50
R908
390
R910
56K
C918
2.2/50
C917
2.2/50
C919
100/100
R902
1K
R911
33K
R904
56K
C912
220P
C914
47P
R909
56K
R907
390
C915
47/50
R905
1K
C957
100/100
C913
47P
R901
1K
R903
56K
C911
220P
R912
100(1/4W)
Fusible
C923
0.022(ML)
C921
100/50
C922
100/50
R921
1.8K
Q901
KTC3199GR
R919
1.5K
Q902
KTC3199GR
D908
1SS133
R917
0.1(3W)
D907
1SS133
Q910
KRC107M
R960
10K
D910
1SS133
R920
1.5K
C924
0.022(ML)
R918
0.1(3W)
R922
1.8K
C952
220/25
C951
0.022
C946
100/6.3
R949
470K
R950
1K
D913
1SS133
ZD951
MTZJ13B
R943
680(2W)
IC901
STK4115G
POWER AMP.
CNP901

Related product manuals