EasyManua.ls Logo

Sharp CD-C7000W - Page 29

Sharp CD-C7000W
68 pages
Print Icon
To Next Page IconTo Next Page
To Next Page IconTo Next Page
To Previous Page IconTo Previous Page
To Previous Page IconTo Previous Page
Loading...
– 29 –
CD-K7000W/C7000W,CP-C7000
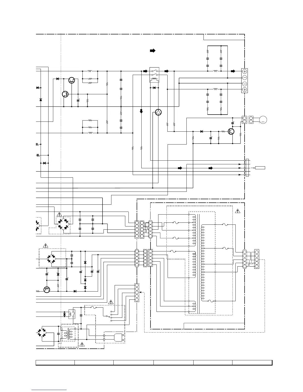
Figure 29 SCHEMATIC DIAGRAM (9/11)
7
8 9 10 11 12
110V
HP_RLY
HP_GND
HP_R-CH
HP_L-CH
M_+10V
110V
127V
220V
230/240V
220V
230/240V
+
VL+
VH+
127V
T.F
6 OHMS
SPEAKER
R CH
L CH
M
2
1
2
1
2
3
4
5
1
2
3
4
5
1
2
3
4
5
1
2
3
4
5
1
2
3
4
5
1
2
3
4
5
1
2
3
4
5
1
2
3
4
5
1
2
3
4
5
1
+B
+B
+B
+B
+B
+B
+B
+B
+B
+B
+B
+B
+B
+B
-B
-B
POWER
TRANSFORMER
AC POWER SUPPLY
CORD (229)
AC 110/127/220/230-240V
50/60Hz
WT601
P21 1 - B
TO HEADPHONES
PWB
POWER PWB-B2
POWER SUPPLY PWB-B1
FM SIGNAL
1
5
C927
0.22
C929
0.22
R931
4.7(1/2W)
RL901
D911
1SS133
R936
220
R938
68K
C943
10/50
D912
1SS133
R939
1K
C945
47/25
Q907
KTC3203Y
DRIVER
CNP903
R941
560(2W)
R942
560(2W)
C928
0.22
C930
0.22
R932
4.7(1/2W)
R930
56K
C925
47/50
R923
56K
L902
0.29µH
R928
10(1/2W)
R926
10(1/2W)
D909
1SS133
Q904
KTC3199GR
Q903
KTC3199GR
R925
10(1/2W)
R927
10(1/2W)
R929
56K
L901
0.29µH
D905
1N5402M
3
3
ZD901
MTZJ13B
C901
3300/100
C903
4700/50
D901
1N4004S
D809
TS6B04GM
C811
0.22
(ML)
C812
0.22
(ML)
C809
0.22
C810
0.22
C821
100/63
C815
100/50
D816
1N4004S
D815
1N4004S
D818
1N4004S
C816
100/50
C818
47/50
ZD801
MTZJ36C
C817
220/63
R802
2.2K
D811
1N4004S
D814
1N4004S
D812
1N4004S
D813
1N4004S
C814
0.22
C813
0.22
D817
1N4004S
C801
0.0047
Q803
KTA1274Y
R
805
10
D801
1SS133
RL801
F801
T6.3A L 250V
3
3
D802
1N4004S
T802
4
0
04S
0
4S
C802
0.047(ML)
D803
1N4004S
K801
K802
Q905
KRC107M
R933
2.2K
R934
2.2K
R937
15K
CNP803
CNP802
BI802
CNP801
CNS802
CNS801
F806
T2A L 250V
F805
T6.3A L 250V
BI803
CNS803
F803
T3.15A
L 250V
SW801
VOLTAGE
SELECTOR
BI801
T801
POWER TRANSFORMER
F804
T6.3A L 250V
CNS903
M901
FAN MOTOR
SO901
SPEAKER
TERMINAL
FW902
F802
T3.15A
L 250V
L904
0.29µH
L903
0.29µH
C933
0.022
C931
0.022
R945
3.9(1/2W)
C937
0.022
C935
0.022
R947
5.6(1/2W)
C934
0.022
C932
0.022
C938
0.022
C936
0.022
R946
3.9(1/2W)
R948
5.6(1/2W)

Related product manuals