EasyManua.ls Logo

Sharp CD-DK2500W - Page 27

Sharp CD-DK2500W
72 pages
Print Icon
To Next Page IconTo Next Page
To Next Page IconTo Next Page
To Previous Page IconTo Previous Page
To Previous Page IconTo Previous Page
Loading...
– 27 –
CD-DP2500W/DK2500W
7
8 9 10 11 12
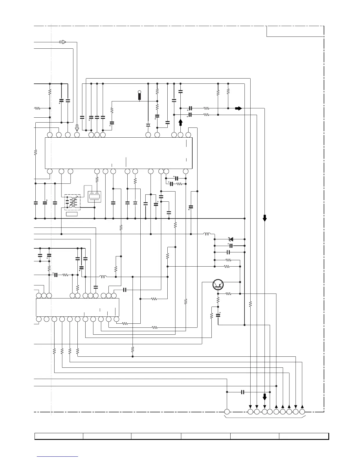
Figure 27 SCHEMATIC DIAGRAM (8/13)
24
23
22
21
20
19
18
17
16
15
14
13
12
11
10
9
8
7
6
5
4
3
1
3
2
21
22
21
20
19
18
17
16
15
14
13
12
11
5
10
9 6
8
3 1
2 4
7
10
9
8
7
6
5
4
321
CONT
IF
FM/AM
FM/AM
SD
MO/ST
ST IND
MO/ST
VSS
AOUT
AIN
PD
VDD
FM IN
AM IN
DO
CL
DI
CE
X IN
IF IN
REG
AM IF IN
GND
SD
STEREO
FM DET
VCC
IF OUT
PHASE
(FM/AM)
PHASE
L-CH OUT
R-CH OUT
MPX IN
MPX VCO
FM/AM OUT
VSM
AM LOW CUT
AM RF IN
AM OSC IN
FM AFC
AM OSC OUT
AM MIX OUT
FM IF IN
A GND
D GND
CLK
DO
TP302
CE
DI
SM
A+10V
L
R
X OUT
+B
+B
+B
+B
+B
+B
+B
+B
+B
+B
R364
3.9K
5
R374 1K
R373 1K
R372 1K
R378 1K
R386
22K
R376
1K
R360
4.7K
C386
330P
R395
47K
C385
0.01
R379
2.2K
R380
1.5K
C393
1/50
C380
10/16
R381
10K
L351
100µH
R377
47K
C387
0.022
C392
0.001
C394
47/16
7
2
IC302
LC72131
PLL (TUNER)
T351
C351
0
.
022
C350 0.022
CF352
AM IF
R352
1K
C353 0.022
R393
1K
C354 0.022
CF351
FM IF
R353
270
C356
0.001
C399
0.022
C398
100/10
C355
22P
C357
2.2/50
R355
3.3K
C358
1/50
C370
1/50
R388
3.9K
R387
5.6K
L352
100µH
ZD351
MTZJ5.1B
C396
100/10
C395
0.022
R392
270
R391
270
Q360
KTA1266 GR
R383
5.6K
R385
5.6K
R359
1.8K
C391
47/16
R384
5.6K
R370 1K
C625
0.022
R362
10K
C372
1/50
R361
10K
R363
3.9K
C371
1/50
C373
0.015
C374
0.015
R356
1K
C369
27P
R357
470K
C368
1/50
X351
456KHz
C367
1/50
R350
2.7K
C366 0.001
C365 0.022
C364 10/16
C363 0.022
C361 0.022
C362 3.3/50
R
358
3.9K
R365
10K
R351
5
.
6K
C352 10/16
IC303
LA1832
FM IF DET/FM MPX/AM IF
TO MAIN AUDIO SECTION
P25 7-A
AM IF
MAIN PWB-A1(3/3)
SWITCHING

Related product manuals