EasyManua.ls Logo

Sharp CD-DK2600V - Page 24

Sharp CD-DK2600V
76 pages
Print Icon
To Next Page IconTo Next Page
To Next Page IconTo Next Page
To Previous Page IconTo Previous Page
To Previous Page IconTo Previous Page
Loading...
CD-DK2600V
– 24 –
A
B
C
D
E
F
G
H
1
23456
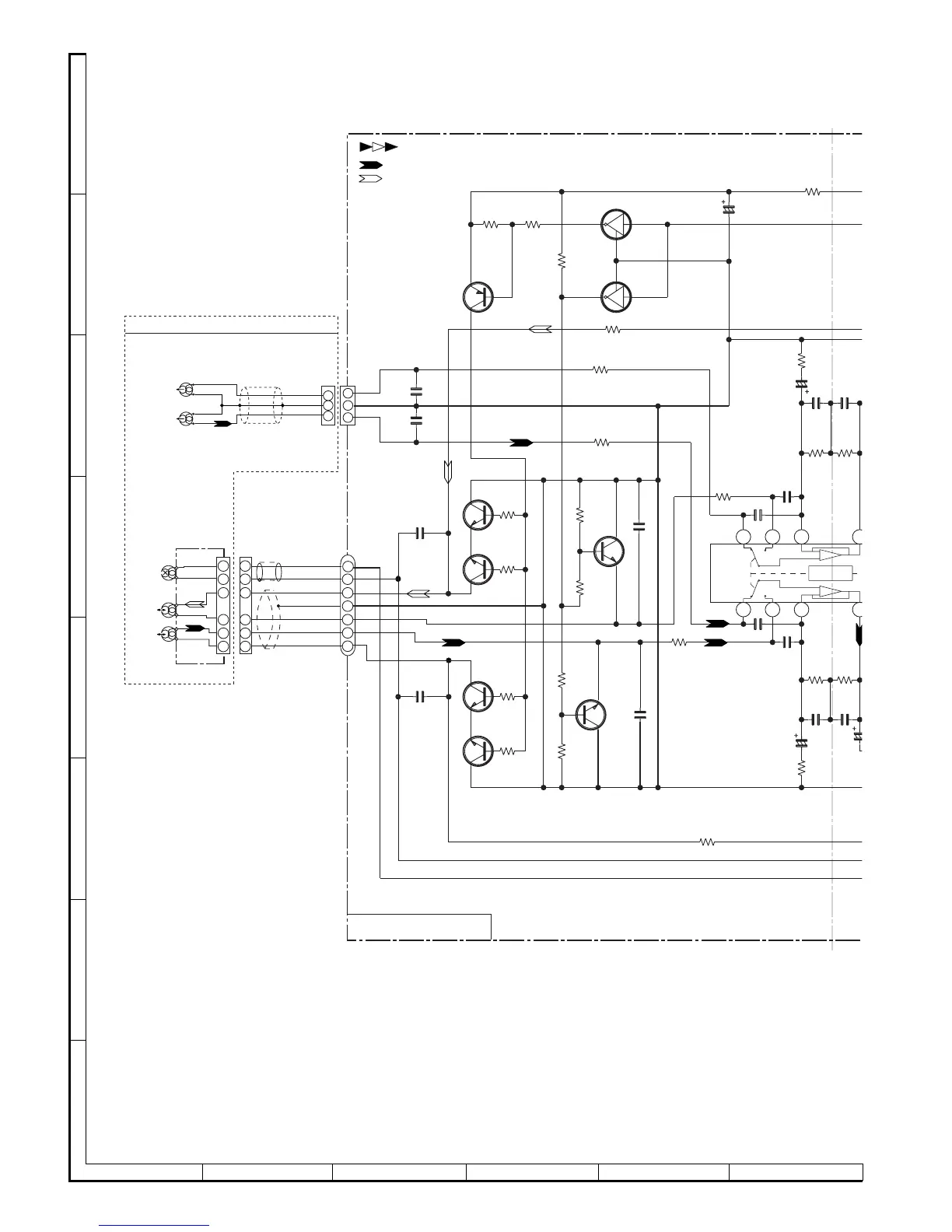
• NOTES ON SCHEMATIC DIAGRAM can be found on page 16.
Figure 24 SCHEMATIC DIAGRAM (5/15)
24
23
22
2
1
43 2
1
112K
112K
+
Hich=T1
+
-
-
TAPE2_L2
TAPE2_L1
TAPE2_R1
TAPE2_R2
ERASE
M_GND
A_GND
2
1
3
3
2
1
PLAYBACK SIGNAL
RECORD SIGNAL
MAIN PWB-A1(1/3)
A_GND
TAPE1_R
TAPE1_L
1
2
3
TAPE MECHANISM ASS'Y(210)
MIC SIGNAL
C119
560P
C121
47/25
R119
56
C115
47/25
C117
0.033
R121
100K
R123
3.9K
IC101
AN7345K
PLAYBACK AND
RECORD/
PLAYBACK AMP.
C113
330P
C111
330P
R117
1K
C114
330P
C112
330P
R118
1K
C120
560P
R122
100K
C118
0.033
R120
56
C116
47/25
R132
R174
150
C153
100/16
Q110
KRC104 M
R115
4.7K
Q111
KRC104 M
R112
15K
R102
1K
R101
1K
C108
0.001
R108
47K
Q108
KTC3199 GR
R110
4.7K
C107
0.001
Q107
KTC3199 GR
R107
47K
R109
4.7K
R111
15K
Q103
2SC1845 F
R103
2.2K
R105
3.3K
C105
180P
Q105
2SC1845 F
R106
3.3K
Q106
2SC1845 F
C106
180P
R104
2.2K
Q104
2SC1845 F
C101
0.001
Q109
KTA1266 GR
C102
0.001
R114
10K
R113
10K
ERASE
HEAD
TAPE2
RECORD/
PLAYBACK HEAD
R-CH
L-CH
7
6
5
3
2
1
4
6
5
3
2
1
4
6
5
3
2
1
4
CNP102
CNS102
TAPE1
PLAYBACK HEAD
R-CH
L-CH
3
1
2
CNS101
CNP101

Related product manuals