EasyManua.ls Logo

Sharp CD-DK2600V - Function Table of IC

Sharp CD-DK2600V
76 pages
Print Icon
To Next Page IconTo Next Page
To Next Page IconTo Next Page
To Previous Page IconTo Previous Page
To Previous Page IconTo Previous Page
Loading...
CD-DK2600V
– 50 –
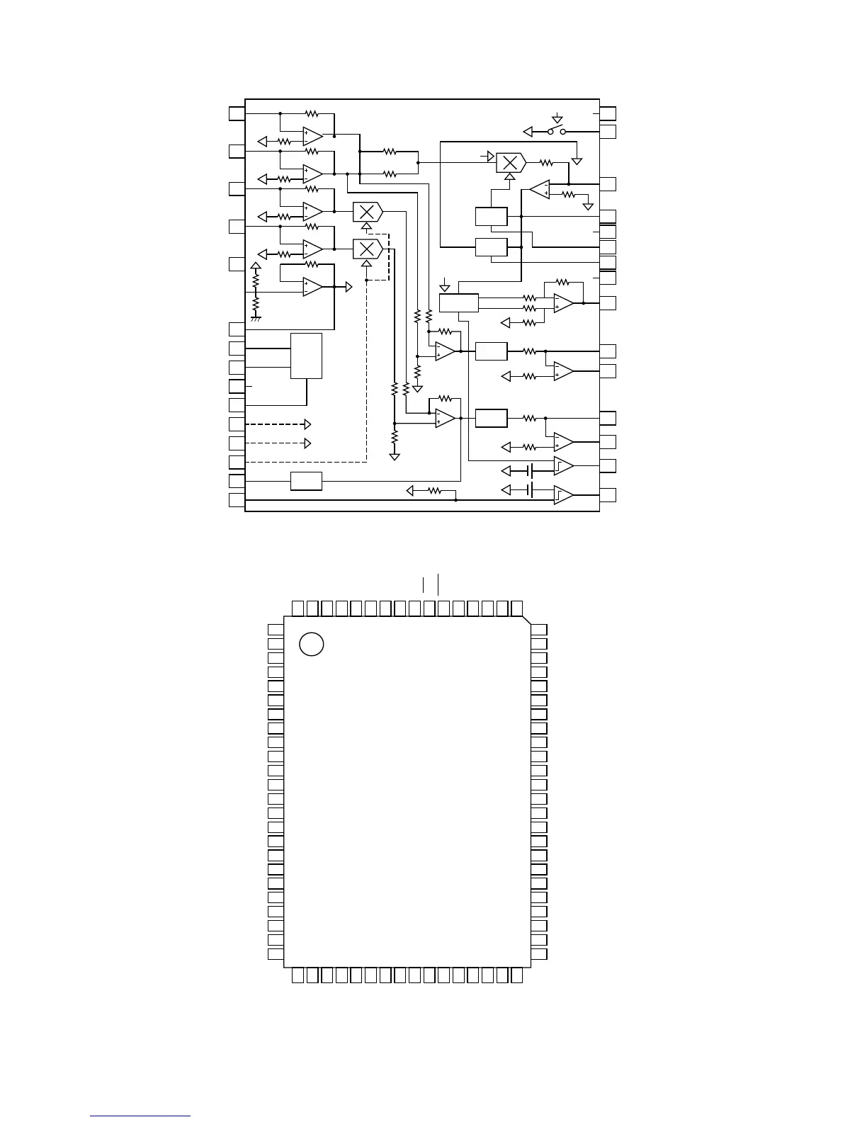
FUNCTION TABLE OF IC
Figure 50 BLOCK DIAGRAM OF IC
IC1 VHiLA9235M/-1: Servo Amp. (LA9235M)
IC2 VHiLC78636E-1: Servo/Signal Control (LC78636E)
REF
LA9235M
REF
REF
REF
REF
REF
REF
REF
REF
AGCON
ODRV
AGCON
ODRV
REF
REF
LPF
LPF
APC
ODRV
REF
REF
REF
REF
LPF
PH/BH
PH
BH
1 30FIN1 VCC
2
29
FIN2
RFSW
3TIN1
4
27
TIN2
RF
26 NC
25 PH
24 BH
23 NC
5REF1
15
16
TES1
14TESO
13EFBL
12AGON
11ODRV
10LDOF
9GND
8LDD
7LDS
6VREF
TEST
17 HFL
18 TE
19 TE-
20 FE
21 FE-
22 RFEV
28 RF-
1
PD01
2
PD02
3
VVSS
4
PCKIST
5
VVDD
6
FR
7
HFL
8
SLCIST
9
SLCO
10
EFMIN
11
JITTV
12
JITTC
13
BH
14
PH(RFENV)
15
FE
16
TE
25
SPDO
26
SLDO
27
FG(D_Vref)
28
LASER
29
CONT1
30
CONT2
CONT3
CONT4
CONT5
31
32
33
34
PCK
35
C2F
36
VDD
37
DOUT
38
FSX
39
EFLG
40
TEST
EFMO
DEFECT
FSEQ
V/P
CONT7
CONT6
VSS
VDD
DEF
RES
WRQ
INT
DO
DI
CL
CE
17
VREF
18
ADAVDD
19
ADAVSS
20
PHREF
21
BHREF
22
TBLO
23
TDO
24
FDO
SBCK
PW
SBSY
SFSY
16M
DATA
DATACK
LRSY
ASDACK
ASLRCK
ASDFIN
XVSS
XOUT
XIN
XVDD
RVDD
RCHO
RVSS
LVSS
LCHO
LVDD
MUTER
MUTEL
EMPH
80
79
78
77
76
75
74
73
72
71
70
69
68
67
66
65
64
63
62
61
61
59
58
57
56
55
54
53
52
51
50
49
48
47
46
45
44
43
42
41
LC78636E

Related product manuals