EasyManua.ls Logo

Sharp CD-PC651H - CD Programming and Repeat Play; Automatic Programmable Music Selector (APMS); Repeat All Tracks or Sequence

Sharp CD-PC651H
80 pages
Print Icon
To Next Page IconTo Next Page
To Next Page IconTo Next Page
To Previous Page IconTo Previous Page
To Previous Page IconTo Previous Page
Loading...
CD-PC671H/651H
– 20 –
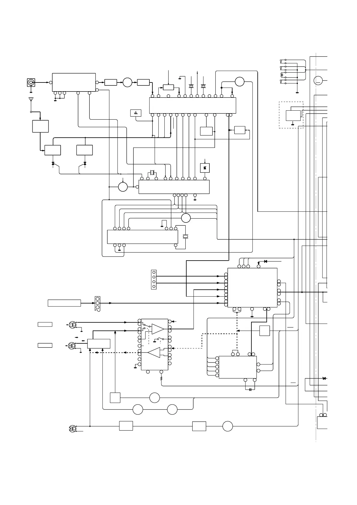
Figure 20 BLOCK DIAGRAM (2/3)
IC951
LA4551
POWE
R
X501
VOLUME
JOB
VR702
VSSD
VDDD
XIN
XOUT
VSSA
VDDA
MPX
IN
DO
CL
DI
CE
XT21
4.332MHz
ICT21
LC72720
RDS DECORDER
X351
456kHz
FM IF
CF351
+B4
+B4
+B4
+B4
SM
VOLTAGE
REGURATER
+5V
QT21
AMP.
FM +B
VT
T306
T302
L341
CF302
DO
CE
CL
DI
CF301
FE301
FM FRONT END
Q360
MPX
VCO
CUT
RL
Q354
Q353
PHASE
Q361
MPX
MPX
IN
FM/AM
OUT
IF IN
IC303
LA1832
FM/AM IF MPX.
IF
OUT
SD
FM MONO/ST
MONO/ST
AM RF IN
AFC
IN
OUT
VR351
FM MUTE LEVEL
AM OSC
REG INOUT VCC
FM IF IN
12 3 4589
17 19
20
18 16
15
14
12
11
10
67
13
21
22
23
24
FM IF
AMP
Q301
FM IF
FM
X352
4.5MHz
OSC
STEREO
IC302
LC72131
PLL (TUNER)
INAM
FM IN
FMOSC
T351
AM IF
GND
OSC
FM
FM IF
BALUN
AM OSC
VOLTAGE
REGULATOR
AM ANT
AM RF
AM LOOP ANT
TUNER MUTE
MUTING
SO301
ANTENNA
TERMINAL
2
8
67 3 4
1
5
4
3 6
5
21
17
1213
10
1116
15
2220
7
1
4
2
3
23 22
21
20 15 14
13
12
Q371
PC671H
ONLY
1
24
2
23
3
4
4
21
5
20
6
7
17
8
9
16
10
14
12
13
18
H/N
T1/T2
R-CH
L-CH
L-CH
R-CH
P.B
REC
TAPE 2
TAPE 1
L NF
L(T1)
R(T1)
L(T2)
R(T2)
R NF
L
R
POP REDUCE
L REC
R REC
L
R
REC
P.B.
REC
ALC
NOR/
HIGH
T1/T2
REF
L NF
R NF
PB HEAD
REC PB HEAD
SWITCHING
Q103~Q106
AC BIAS
IC101
AN7345K
PLAYBACK AND RECORD
/PLAYBACK AMP.
PB
ERASE
HEAD
SWITCHING
BAIS
Q126
Q124
Q128
L104
Q111
Q110
Q109
Q107
Q108
SWITCHING SWITCHING
SWITCHING
+B4
1
2
3
CNS11
FROM CD SECTION
CNP11
SWM3
FOOL PROOF
SWM4
F.A.S
SOLM1
SOLENOID
SWM5
CAM
52
60
51
61
53
59
54
58
55
57
49
63
48
33
48
33
45
44
34
38
35
37
36
33 32
13
9
9
9
IC401
LC75396N
AUDIO PROCESSOR
L
L
R
R
L
R
L
R
L
R
L
R
L
L
R
R
TUNER
VIDEO1
L
R
VIDEO2
TAPE
CD
BAIS
T1/T2
REC
MUTING
Q121
Q122
+B4
17
31
30
18
22
20
28
ZD8
0
BIAS
OCS
15 19
23 24 25
56
JK401
VIDEO IN
M
MM1
TAPE MOT
O
IC501
LV1035M
DOLBY PRO LOGIC
DECORD
CL
DI
CE

Other manuals for Sharp CD-PC651H

Related product manuals