EasyManua.ls Logo

Sharp CD-PC651H - Radio Preset Storage and Recall; Storing Radio Stations in Memory; Scanning Preset Radio Stations

Sharp CD-PC651H
80 pages
Print Icon
To Next Page IconTo Next Page
To Next Page IconTo Next Page
To Previous Page IconTo Previous Page
To Previous Page IconTo Previous Page
Loading...
CD-PC671H/651H
– 22 –
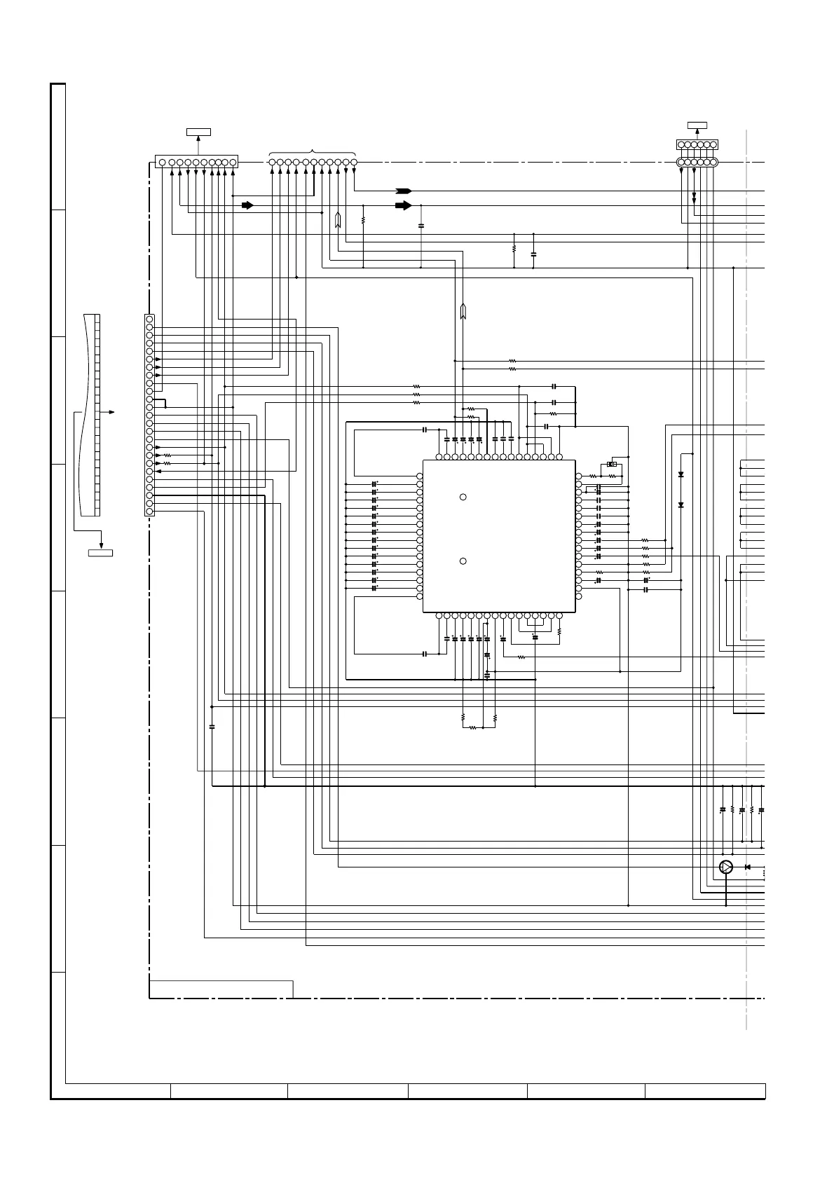
Figure 22 SCHEMATIC DIAGRAM (1/13)
A
B
C
D
E
F
G
H
1
23456
• NOTES ON SCHEMATIC DIAGRAM can be found on page 18.
CNS303
R521 1K
R522 1K
C563 0.022
C532 220/16
R512 4.7K
R509 4.7K
R507 1K
R506 4.7K
R505 4.7K
C
1
D516
1N4004S
D515
1N4004S
C531 2.2/50
R508 39K
C527 10/50
C524 10/50
C523 10/50
C521 0.33/50
C547 0.022
C541 220/16
IC501
LV1035M
DOLBY PRO LOGIC
DECORDER
C544
220/16
C519 0.47/50
R503
1K
R518 1K
C508 680P
C507 0.047
C506 0.022
C505 0.47/50
C504 47/25
C503 1/50
C502 1/50
C509
0.1(ML)
X501
C514 0.082(ML)
C515 0.0033(ML)
C517 0.082(ML)
R501
100K
C420
0.0047(ML
C
1
0
C422
1/50
C412 0.
2
C410 0.
0
C414 0.
0
C416 0.
0
C418 0.
0
R372
1.5K
C
0.
2
C
0.0
8
C408 0.
NC
D_GND
D_GND
H/PSW
Q11
SPEANA1
SPEANA2
SPEANA3
TUN SM
M_+12V
SR_MUTE
S_MUTE
ENA
SPN_P
CLK
A_GND
SUB_VOL_OUT
SUB_VOL_IN
4V
0V
0V
R_RECT
L_RECT
VLR_TH
VLR_1
VLR_2
VCS_2
VCS_1
VCS_TH
L+R_RECT
L-R_RECT
DC_OUT1
DC_OUT2
DC_OUT4
DC_OUT3
OSC
OSC
VDD
A/D
NS
D/A
DC_OUT
DC_OUT
L_OUT
R_OUT
S_OUT
D_GND
IREF
DET
VCC
S_IN
R_IN
L_IN
AC_GND
L_OUT
R_OUT
S_OUT
C_OUT
VCC
VREF
L_DC_OUT
R_DC_OUT
C_DC_OUT
S_DC_OUT
R_BPF1
R_BPF2
TAPE BIAS
REC/PLAY
T1/T2
CE
DI
DO
C MUTE
POWER
C322
0.027
C545
220P
R371
123456
123456
CNS11
TUN_SM
A_GND
TUN_R
A_12V
TUN_L
DI
CE
DO
D_GND
M_GND
A_12V
REC_MUTE
BIAS
T1/T2
123456789
10 11 12 13 14 15 16
17
18
19
20
21
22
23
24
25
26
27
28
29
30
31
32
33343536373839404142434445464748
49
49
50
51
52
53
54
55
56
57
58
59
60
61
62
63
64
64
C436 22/25
R443 22K
C437 22/25
R442 22K
C438 22/25
R514
330
R513
3.3K
R515
3.3K
C535 10/50
C536 10/50
C537 10/50
C538 10/50
C539
220/16
C540
10/50
C543
0.1(ML)
C534 0.1(ML)
R516 1K
C549 100P
R523 1K
R517 1K
C551 100P
C501
0.1
(ML)
R502 100K
R520 22K
R519 1K
C
1
C550 100P
R504
1M
C542
220/16
R510
18K
CNP502
1
2
3
4
5
6
7
8
9
10
11
12
13
14
15
16
17
18
19
20
21
22
23
24
25
Q405
KRC104 M
D402
DS1SS133
R511
1K
A_GND
REC_L
TAPE_R
D_GND
TAPE_L
REC_R
C510 0.47/50
C512 4.7/50
C511 0.47/50
C513 4.7/50
C516 0.15/50
C518 3.3/50
C520 0.15/50
C522 0.15/50
C525 3.3/50
C526 0.15/50
C528 4.7/50
C529 0.47/50
C530 4.7/50
C533 0.47/50
L_BPF3
R_BPF3
L_BPF2
L_BPF1
RT_IN
LT_IN
C_MODE
DC_OUT
GND
NS_BPF1
NS_BPF2
OSC
CLK
ENABLE
CLK
VSS
DATA
DATA
1
2
3
123456789
10
11 12 13 14 15 16 17 18 19 20 21
+B
+B
A_GND
LCH
RCH
D_GND
7.3V
M_12V
BI401
+B
C546
0.022
+B
+B
+B
+B
+B
FFC701
+B
MAIN PWB-A1(1/2)
TO DECK SECTION
P25 12-B
TO CD SERVO PWB
P29 12-C
CNP11
FROM TUNER PWB
P34 6-B
CNP303
CNP701
TO DISPLAY PWB
P26 1-E
CL
C323
0.027

Other manuals for Sharp CD-PC651H

Related product manuals