EasyManua.ls Logo

Sharp CD-PC651H - Page 24

Sharp CD-PC651H
80 pages
Print Icon
To Next Page IconTo Next Page
To Next Page IconTo Next Page
To Previous Page IconTo Previous Page
To Previous Page IconTo Previous Page
Loading...
CD-PC671H/651H
– 24 –
A
B
C
D
E
F
G
H
1
23456
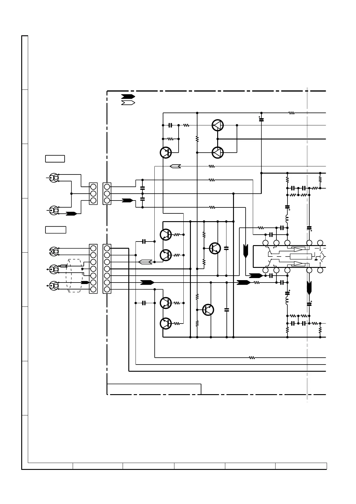
• NOTES ON SCHEMATIC DIAGRAM can be found on page 18.
Figure 24 SCHEMATIC DIAGRAM (3/13)
L102
2.2µH
L101
2.2µH
0V
0V
0V
0.7V
0V
0V
0V
0.7V
0V
0V
0.7V
0V
0.7V
0V
0V
3.4V
3.4V0V
9.3V
8.6V
9.3V
0V
0V
0V
1
2 3
1
2 3
R112
10K
C107 0.001
R174
150(1/2W)
C109
0.047
R113
10K
C153
100/16
C108
0.001
C121
1/50
R123
3.9K
R121
100K
C119
560P
C117
0.033
R125
5.6K
R119
56
R131
C116
47/25
R122
100K
R124
3.9K
C118
0.033
C120
560P
R126
5.6K
R120
56
R132
R111
10K
R101
1K
R102
1K
C105
180P
C106
180P
R117
1K
R118
1K
R109
4.7K
IC101
AN7345K
PLAYBACK AND
RECORD/
PLAYBACK AMP.
R115
4.7K
R110
4.7K
R108
47K
Q108
KTC3199 GR
C111
330P
Q111
KRC104 M
Q110
KRC104 M
R114
10K
Q109
KTA1266 GR
C113
330P
R104
2.2K
Q106
2SC2389 SE
Q104
2SC2389 SE
R106
3.3K
R107
47K
Q107
KTC3199 GR
Q105
2SC2389 SE
R105
3.3K
Q103
2SC2389 SE
R103
2.2K
C102
0.001
C101
0.001
C112
330P
C114
330P
C122
1/50
2021222324
5
4321
112K
112K
NC
NC
HICH=T1
+B
7
6
5
2
1
1
3
2
CNP101
TAPE1_R
A_GND
TAPE1_L
2
1
CNS101
3
L-CH
R-CH
PLAYBACK HEAD
TAPE1
M_GND
ERASE
TAPE2_R2
A_GND
TAPE2_R1
TAPE2_L1
TAPE2_L2
3
4
RECORD/
PLAYBACK HEAD
TAPE2
R-CH
L-CH
ERASE
HEAD
7
6
5
4
3
2
1
CNS102
CNP102
C115
47/25
MAIN PWB-A1(2/3)
PLAYBACK SIGNAL
RECORD SIGNAL
+
+

Other manuals for Sharp CD-PC651H

Related product manuals