EasyManua.ls Logo

Sharp CD-PC671H - Page 21

Sharp CD-PC671H
80 pages
Print Icon
To Next Page IconTo Next Page
To Next Page IconTo Next Page
To Previous Page IconTo Previous Page
To Previous Page IconTo Previous Page
Loading...
– 21 –
CD-PC671H/651H
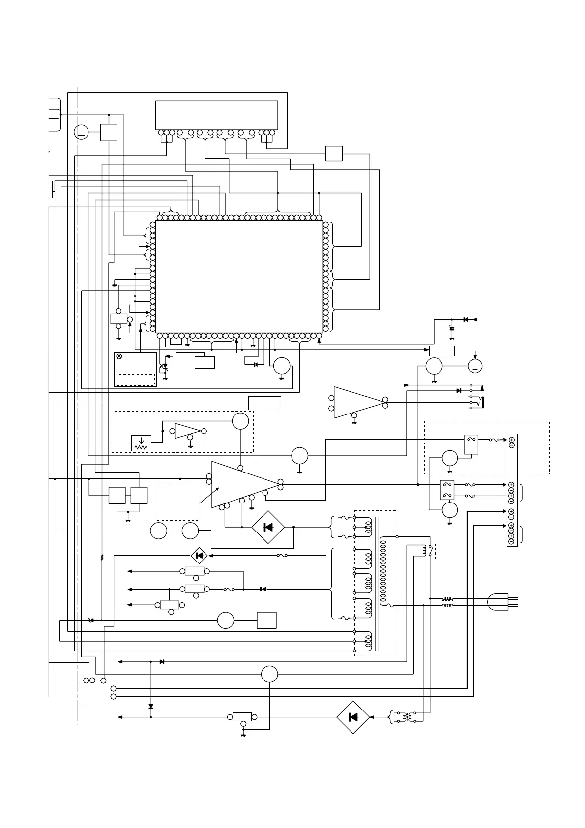
Figure 21 BLOCK DIAGRAM (3/3)
Q704
IC951
LA4551
POWER AMP.
IC803
IC806
IC805
IC804
IC650
IC651
Q601,Q602
Q603, Q604
KIA4558P
OPE AMP.
IC601
NJM4560D
OPE AMP.
D802
F804
T3.15A L250V
F832
T500mA L250V
E
F902 T3.15A L250V
F901 T3.15A L250V
IC471
Sub Woofer
Volume
VR701
F903
T3.15A L250V
Sub Woofer
Front
Speaker
Center
Speaker
Rear
Speaker
SO901
Speaker Terminal
PC671H
ONLY
PC671H ONLY
1 2 3
4
15 2516
26
28
37 3839
FL701
DISPLAY
9
8
7
6
5
4 3 2 1
IC701
IX0281AW
SYSTEM CONTROL
MICROCOMPUTER
13
9
1
7
13
2
13
2
13
2
13
2
6
VDD
UNSWITCH
+B7
MEMORY
BACK UP
VDD
XL701
4.19MHz
+B5
+B7
KEY
SW703~SW717
SW722~SW725
SW728~SW733
Q908
Q904
Q903Q405
+B5
M
Q905
+B1
TO CD
SECTION
M901
FAN MOTOR
JK970
HEADPHONES
T.F
PT801
POWER
TRANSFORMER
RL801
L801
LINE FILTER
AC POWER
SUPPLY CORD
AC 230V, 50Hz
PT802
POWER
TRANSFORMER
Q802
+B6
+B7
UNSWITCH
D801
D803~D806
Q801
D807
~D809
2
3
1
+B7
RX701
Q705
Q706
Q707
2
4
37
1
3
3
1
7
4
5
9
8
L-OUT
IC901
POWER AMP.
IC901
STK40724
(PC671H)
STK40704
(PC651H)
–B
+B
R-OUT
Q401
Q402
ZD801
Q403
Q404
+B4
+B5
+B2
+12V(ANALOG)
+12V(MOTOR)
+5.6V
+5V
VOLTAGE
REGULATOR
VOLTAGE
REGULATOR
VOLTAGE
REGULATOR
VOLTAGE
REGULATOR
Q702
Q703
AVDD
~~~
16
18
12
15
20
101112131415161718192021222324
25
2627
282930
31
32
33
34
35
36
37
38
39
40
41
42
43
44
45
46
47
48
49
50
100
99
98
97
96
95
94
93
92
91
90
89
88
87
86
85
84
83
82
81
7170696867666564636261 80797877
767574
737260595857
56
5554
535251
VDD
PHM1
D811~D814
FRONT
F802
T5A L250V
F803
T5A L250V
F805
T1.6A L250V
29
36
~
M
MM1
TAPE MOTOR
+B7
+B7
Q907
RL901
RL902
Q906
SW726,SW727
PC651H Only

Related product manuals