EasyManua.ls Logo

Sharp CP-C1W - Page 22

Sharp CP-C1W
72 pages
Print Icon
To Next Page IconTo Next Page
To Next Page IconTo Next Page
To Previous Page IconTo Previous Page
To Previous Page IconTo Previous Page
Loading...
CD-C1W,CP-C1W
– 22 –
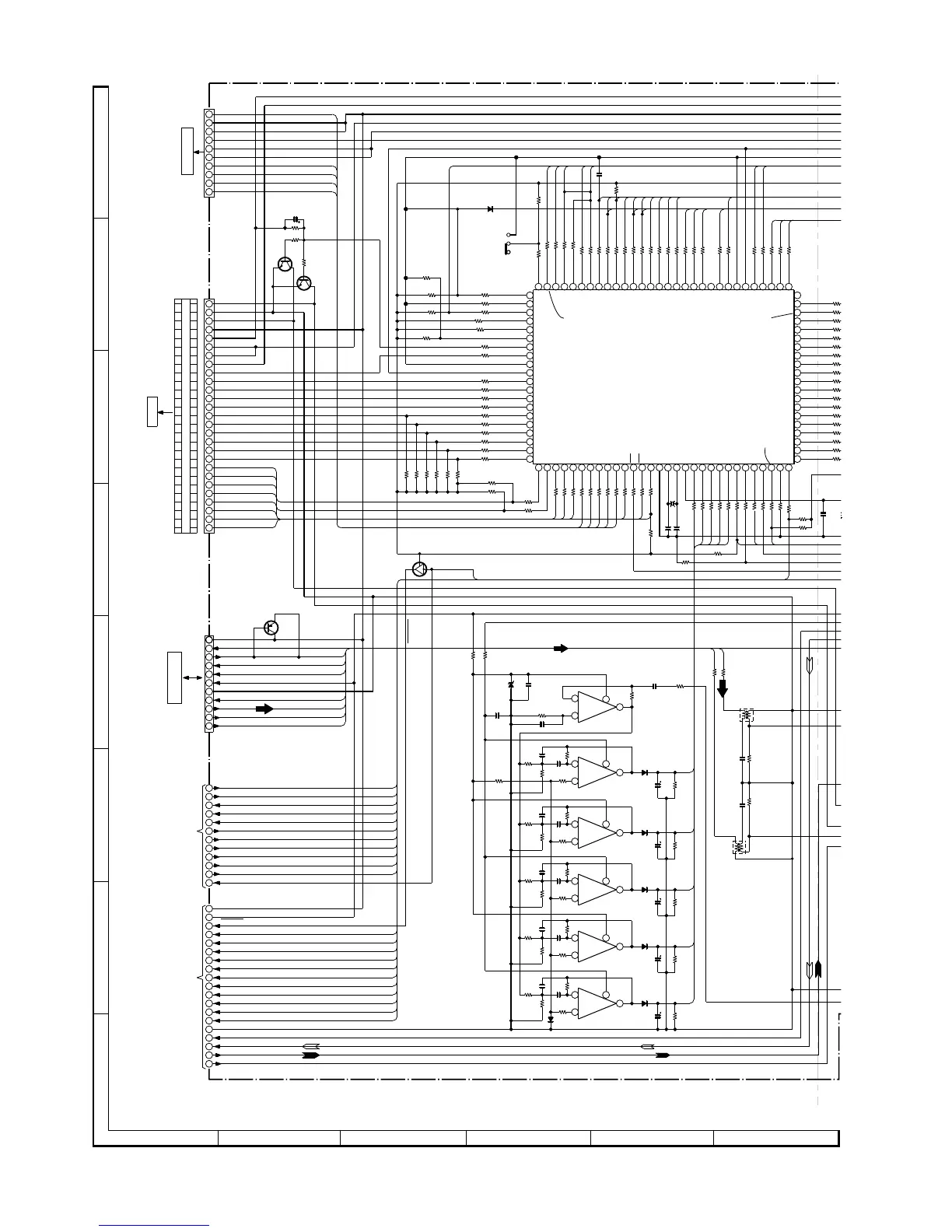
Figure 22 SCHEMATIC DIAGRAM (1/15)
NOTES ON SCHEMATIC DIAGRAM can be found on page 16.
A
B
C
D
E
F
G
H
1
23456
IC502
(1/2)
R555
270K
SW202
SPAN
SELECTOR
CNP202
CFW2
CNP201
FW1
R206 10K
R240 10K
R210
47K
C207
22/25
R596
2.2K
RA76 1K
RA77 1K
RA80 1K
RA78 1K
Q502
2SC3199 GR
C256
0.022
R238
100K
R216
10K
RA30
1K
R208 10K
R207 10K
R214
47K
Q206
KRA107 M
Q204
KTA1266 GR
R594
1K
R593
1K
R592
2.2K
C251
0.0033
R591
2.2K
C252
0.0033
R211
10K
D206
1SS133
R595
2.2K
Q501
2SC3199 GR
C206
15P (CH)
C205
15P (CH)
X201
4.19MHz
RA26 1K
0.022
C576
ZD550
MTZJ5.6A
R583
220
R582
330
RA19 1K
RA20 1K
RA21 1K
RA22 1K
RA23 1K
RA24 1K
RA25 1K
RA27 1K
RA28 1K
C560
0.022
R553
15K
R558
100K
C575
0.022
R554
470K
RA29
1K
IC201
IX0210AW
SYSTEM MICROCOMPUTER
10K
R204
1K
RA79
R205
10K
RA55 1K
R
R209 10K
R223 10K
R224 10K
R225 10K
R226 10K
R227 10K
R228 10K
RA58 1K
RA59 1K
R256 10K
RA99 10K
RA98 10K
RA97 10K
RA96 10K
RA95 10K
RA94 10K
RA93 10K
RA92 10K
RA91 10K
RA88 1K
RA87 1K
RA83 1K
RA82 1K
RA81
1K
RA02
1K
RA01
1K
RA06 1K
RA07 1K
RA08 1K
RA14 1K
RA13 1K
RA12 1K
RA11 1K
RA10 1K
RA09 1K
RA05 1K
RA04 1K
RA03 1K
R202 10K
R201 10K
R
R
R
R
R
R
R
RA49–RA3
1
R
R
R
R
R
R
R
R
R
R
R
RA51 1K
RA52 1K
RA53 1K
RA54 1K
RA61 1K
RA62 1K
RA63 1K
RA64 1K
RA65 1K
RA67 1K
RA68 1K
RA69 1K
RA70 1K
RA71 1K
RA72 1K
RA73 1K
RA74 1K
RA75 1K
RA66 1K
D557
1SS133
C577
0.022
C562
0.0068
C561
0.0068
R557
470K
R561
100K
R556
56K
R560
2.2M
R559
2.2M
D552
1SS133
C559
2.2/50
R563
22K
C563
0.0082
R566
100K
R562
18K
R565
220K
C564
0.0082
R564
680K
IC503
(2/2)
D553
1SS133
C567
2.2/50
R568
68K
C565
0.0027
R571
100K
R567
12K
R570
220K
C566
0.0027
R569
390K
D554
1SS133
C568
2.2/50
R574
39K
C569
680P
R576
100K
R573
12K
R575
220K
C570
680P
R572
470K
D555
1SS133
C573
2.2/50
R579
33K
C571
270P
R581
100K
R578
10K
R580
220K
C572
270P
R577
390K
D556
1SS133
C574
2.2/50
NJM4558MF
OPE AMP.
31
30
29
28
27
25
26
24
23
22
21
20
19
18
17
16
15
14
13
12
11
10
9
8
7
6
5
4
3
2
1
11
10
9
8
7
6
5
4
3
2
1
27
26
25
24
23
22
21
20
19
18
17
16
15
14
13
12
11
10
9
8
7
6
5
4
3
1
2
10
9
8
7
6
5
4
3
2
1
C208
0.022
R257
10K
R258
10K
5
6
7
1
4
3
2
+
63Hz
SPE-5
8
250Hz
SPE-4
+
5
6
7
3
2
1
IC504
(2/2)
4
+
1KHz
SPE-3
8
IC504
(1/2)
+
4KHz
SPE-2
3
2
1
16KHz
SPE-1
4
+
5
6
8
7
+
PRE R-CH
PRE L-CH
REC R-CH
REC L-CH
GND(A)
HIGH_SP
PRE R-CH
PRE L-CH
REC R-CH
REC L-CH
TA_REC EQ
PB_MUTE
HIGH_SP
REC_MUT
BEAT_CUT
TA_BIAS
TA_R/P
DUBB_MOD
D-PB/REC
D-ON/OFF
TA_PB-EQ
TA_T1/T2
GND(A)
T2_B-FP
MOTOR
T1_SOL
T2_SOL
T1_RUN
T2_RUN
T1_PLAY
T2_PLAY
T2_A-FP
T1_CROM
T2_CROM
TUN MUTE
+7.3V(CD)
+7.3V(CD)
PCCC
GND(4A)
CQCK
COIN
SQ_OUT
TRY_SW4
TRY_SW3
WRQ
DRF
PIUN
TRY_SW2
TRY_SW1
CAM_SW4
CAM_SW3
CAM_SW2
CAM_SW1
RWC
SL+
SL–
RES
GND(CD2)
GND(D)
PCCL
RWC
SL+
SL–
RES
AUT_SCAN
VOL SW
MOTOR
SP DET
POSISTOR
PROTECT
TUN_SM
SP_16K
SP_4K
SP_1K
T1_CROM
T2_A-FP
T1_RUN
BEAT_CUT
TA_BIAS
T2_B-FP
T2_CROM
T2_RUN
T2_PLAY
T2_SOL
T1_SOL
T1_PLAY
HIGH_SP
TA_R/P
TA_PB-EQ
SRS_A/NA
DOL_A/NA
DRF
CD_MUTE
CQCK
SQ_OUT
COIN
TRY_SW2
TRY_SW1
CAM_SW1
CAM_SW2
CAM_SW3
CAM_SW4
SP_63Hz
SP_250Hz
SYS_STOP
PIUN
WRQ
DS_RES
STB
SCK
DAT
COM
TRY_SW4
TRY_SW3
RES
VSS
CF1
CF2
VDD
VDD
VSS
P31
P30
P03
PB0
PA7
PB1
PB2
PB3
PB4
PB5
PB6
PB7
PC0
GND(µ-CO
N
+4.6V(µ-CO
N
H/P SW
TUN_ST
REC-EQ
REC_MUT
TA_T1/T2
MIC_DET
PC6
PC7
PD0
PD1
FUN_MOTO
D-ON/OFF
D-PB/REC
PB_MUT
SP_RELAY
VSS
VDD
PD2
PD3
PD4
PD5
PD6
PD7
PE0
PE1
PE2
PE3
PE4
PE5
PE6
PE7
PF0
PF1
PF2
PF3
PF4
PF5
PF6
PF7
CENT_MUT
REAR_MUT
LINE_MUT
SYS_MUT
QS_CL
QS_DA
9K/10K
C2B_DO
VOICE-CA
TUN_MUT
SRS_INH
SRS_B
SRS_A
SRS_3D
SRS_PASS
QS_STRB
PL_ENA
C2B_CE
C2B_CL
TUN_SD
C2B_DI
SWFE_MUT
POWER
PC1
PC4
PC3
PC5
PC2
PL4
PL5
PL6
+4.6V(D)
+12V(M)
+7.3V(CD)
GND(D)
GND(CD1)
GND(CD2)
MPX.FILTER
L252
MPX.FILTER
L251
+12V(A)
GND(A)
SD
CL
CE
DI
DO
R-CH
L-CH
GND(D)
+4.6V(D)
GND(D)
GND(D)
+12V(M)
RESET
STB1
+12V(M)
COM1
SCK1
DATA1
GND(A)
–15V
+12V(A)
HIGH SP
HIGH SP
IC502
(2/2)
IC503
(1/2)
31
32
33
34
35
36
37
38
39
40
41
42
43
44
45
46
47
48
49
50
515253545556575859606162636465666768697071727374757677787980
9
8
7
6
5
4
3
2
1
18
17
16
15
14
13
12
11
10
27
26
25
30
29
28
24
23
22
21
20
19
99
98
97
96
95
94
93
92
91
90
89
88
87
86
85
84
83
82
81
+12V(A)
GND(D)
INT0
SI1
INT3
INT2
INT1
AN7
AN6
AN5
AN4
AN3
AN2
AN1
AN0
Si0
SO0
SCK1
SO1
SCKØ
P33
P32
VDD3
VSS3
P04
P02
P01
P00
P35
P34
P05
P06
P16
P17
P07
RES
P75
P74
VSS1
CF1
CF2
VDD1
PA0
PA1
PA2
PA3
PA4
PA5
PA6
PL3
PL2
VDD2
VSS2
PL1
PL0
CNS701
TO DISPLAY PWB
P36 1-C
CFW1
TO CD SERVO PWB
P35 7-H
CNP303
TO TUNER PWB
P31 11-H
P27 12-B
TO TAPE MECHANISM
SECTION
P25 12-D
TO DECK SECTION
GND(Au)
CD R-CH
CD L-CH
100
–B
+B
+B
+B
–B
–B
+B
–B
+B
+B
–B
+
B
3
2
1
+B
+B
+B
+B
+B
100/10
4.0V
4.0V
4.0V
4.0V
4.0V
3.7V
3.7V
0V
0V
4.0V
0V
4.0V
0V
4.0V
0V
0V
4.0V
0V
0V
0V
0V
3.6V
3.8V
0V
4.0V
0V
3.8V
3.8V
0V
3.8V
3.8V
0V
4.0V
0V
0V
0.3V
4.0V
4.0V
0V
0V
0V
0V
4.0V
4.0V
4.0V
4.0V
4.0V
0V
4.0V
4.0V
4.0V
0V
0V
0V
0V
0V
0V
0V
0V
4.0V
2.0V
1.7V
0.4V
0V
4.0V
0V
4.0V
2.0V
3.8V
0V
0V
4.0V
0V
4.0V
4.0V
4.0V
0V
3.8V
0V
0V
0.7V
0V
0V
0V
0V
0.7V
0V
0V
4.0V
4.0V
0V
3.8V
0V
0V
4.0V
4.0V
0V
0V
0V
0V
0V
0V
0V
0V
4.0V
4.0V
0.3V
0V
0V
0.5V
5.5V
0.4V
0.5V
0.5V
0.5V
0.5V
-11.6V
0.4V
0.4V
5.5V
0.5V
0.5V
-11.6V
0.4V
0.5V
0.5V
0.5V
-11.6V
0.4V
0V
5.5V
0V
50/9
+B
+B
+B
+B
+B
+B
+B
+B
+B
+B
+B
CD MUTE
11
27
27
NJM4558MF
OPE AMP.
NJM4558MF
OPE AMP.
NJM4558MF
OPE AMP.
NJM4558MF
OPE AMP.
NJM4558MF
OPE AMP.
+B

Related product manuals