EasyManua.ls Logo

Sharp CP-C1W - Page 28

Sharp CP-C1W
72 pages
Print Icon
To Next Page IconTo Next Page
To Next Page IconTo Next Page
To Previous Page IconTo Previous Page
To Previous Page IconTo Previous Page
Loading...
CD-C1W,CP-C1W
– 28 –
A
B
C
D
E
F
G
H
1
23456
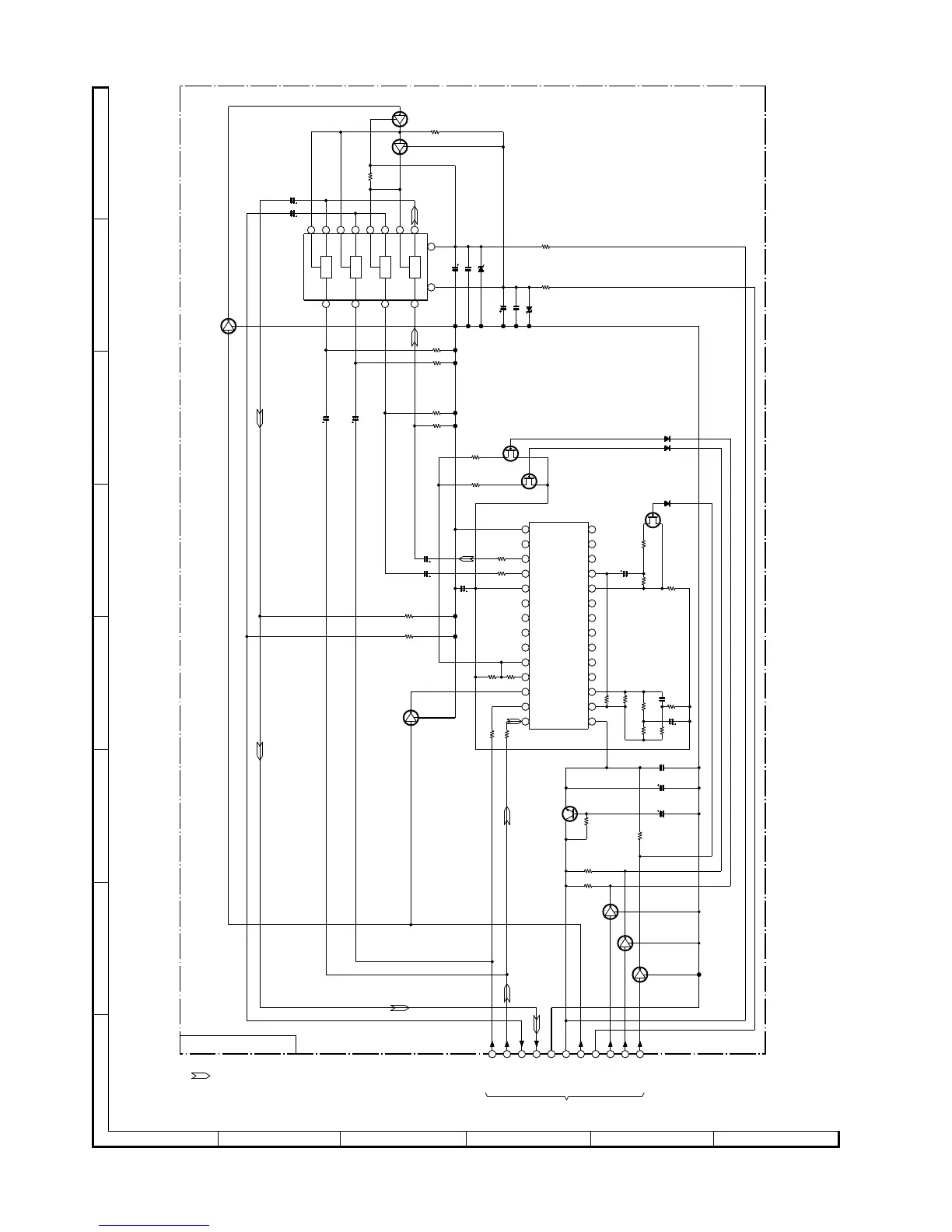
Figure 28 SCHEMATIC DIAGRAM (7/15)
NOTES ON SCHEMATIC DIAGRAM can be found on page 16.
R466
1K
D401
1SS133
D402
1SS133
D403
1SS133
R493
1K
R498
4.7K
Q465
2SK2541
Q466
2SK2541
R491
1.5K
Q467
2SK2541
R492
4.7K
R488
4.7K
R465
1K
R468
1K
R469
1K
R487
100K
R490
4.7K
R484
1.5K
R480
47K
R479
22K
R481
3.9K
R483
100K
R482
33K
C461
0.0047
C454
2.2/50
C472
0.33/50
C460
0.47/50
IC451
SRS5250AS1
R475
2.2K
C458
0.047 (ML)
C457
100/16
C456
100/16
Q461
KTC3203 Y
Q460
KRC107 M
Q459
KRC107 M
Q458
KRC107 M
R461
100K
C483
2.2/50
C484
2.2/50
R462
100K
Q451
KRA107 M
Q452
KRC107 M
ZD451
MTZJ8.2C
C486
0.022
47/25
C485
R455
100K
R459
100K
R460
100K
R456
100K
C482
2.2/50
C481
2.2/50
R467
270
R477
270
C488
0.022
C487
47/25
ZD452
MTZJ8.2C
Q463
KRC107 M
R470
10K
R474
10K
R473
10K
Q464
KRC107 M
C453
2.2/50
C471
100/16
R471
100K
R472
100K
56 57 58 59 60 61 62 55 63 64 65
17
6
28
27
26
25
24
23
22
21
20
19
18
16
15
13
11
14
12
10
9
8
7
5
4
3
2
1
5
3
69
12 10 13
4
8
11
7
14
2
1
0V
0V
0V
0V
2.6V
0V
0V
0V
0V
0V
0V
-8.3V
0V
0V
1.6V
0V
1.6V
0V
0V
-8.3V
-8.3V
-8.3V
0V
0V
0V
0V
0V
2.6V
11.7V
11.7V
11.7V
0V
0V
0V
0V
0V
11.0V
0V
11.0V
11.6V
5.5V
5.5V
0V
5.5V
5.5V
5.5V
5.5V
5.5V
5.5V
11.0V
5.5V
5.5V
5.5V
5.5V
5.5V
5.5V
0V
5.5V
5.5V
5.5V
-8.3V
CR2
CR3
CR4
S_OUT
S_IN
C6
C5
C4
C3
C2
PN_IN
PN_OUT
L_IN
MODE
C_OUT
C_IN
CL4
VCC
C1
R_IN
CL3
CL2
CL1
Vref
L_OUT
R_OUT
CR1
GND
S
D
G
S
D
G
S
D
G
–15V
IN(L)
IN(R)
OUT(L)
OUT(R)
SRS INH
SRS B
SRS A
SRS PASS
+12V(A)
GND(A)
3
2
1
1
3
2
1
–B
+B
3
2
1
1
3
2
–B
+B
3
2
1
3
2
1
IC452
BU4066BC
SRS MODE
SELECTOR
TO MAIN SECTION
P23 12-C
MAIN PWB-B(4/4)
RECORD SIGNAL
+B
–B
–B
+B+B
3
2
SRS
+B

Related product manuals