EasyManua.ls Logo

Sharp DV-NC65S - Page 66

Sharp DV-NC65S
113 pages
Print Icon
To Next Page IconTo Next Page
To Next Page IconTo Next Page
To Previous Page IconTo Previous Page
To Previous Page IconTo Previous Page
Loading...
1234567891011 12 13 14 15 16 17 18 19 20
A
B
C
D
E
F
G
H
I
J
DV-NC65H/S
DV-NC70H
DV-NC65H/S
DV-NC70H
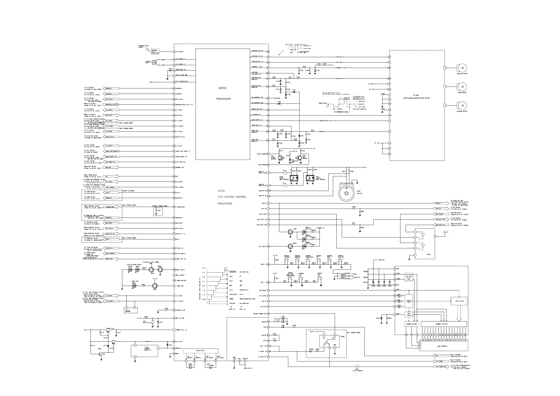
12-3. VCR SERVO BLOCK DIAGRAM
68~69

Other manuals for Sharp DV-NC65S

Related product manuals