EasyManua.ls Logo

Sharp GF-4343H - Page 5

Sharp GF-4343H
20 pages
Print Icon
To Next Page IconTo Next Page
To Next Page IconTo Next Page
To Previous Page IconTo Previous Page
To Previous Page IconTo Previous Page
Loading...
GF-4343H(S)
ROD
ANTENNA
2
B.P.F
FM
IFT
FM
DET
SWI-A
FM
IF
FILTER
GF
IC
|
Or)
FM
FRONT-END
s)
+B
SW
ANTENNA
IC2
FM
IF/AM
FM
RF
COIL
FM
OSC
COIL
SWI-E
LW/MW
BAR
ANTENNA
DIOS
FM
STEREO
L7
L8
L9
LIO
T3
CF3
VRI
|
IND.
|
AM
IF
FILTER
+B
Sw
osc
mw
OSC
AM
OSC
COIL
AM
IFT
V.C.0.
COIL
COIL
SWIOI-H,G
REC
EQ
VR2OI
:
TONE
|
i
ee
oy
|
S
&)
P.B
EQ
x i
VR202
:
BALANCE
(s|L
POWER
AMP
SWIl02-C,D
;
SP20l
HEADPHONES
+B
RECORD/PLAYBACK
-—_
HEAD
(1)
(9)
SS"
ine
62)
Q
0%
{g
2
hee
piay>
V\
<
S
i
SWIOI-A,B
SW1I02-E,F
MUTING
(6)
BUILT-IN
MIC
|
REC
|
7
246
+B
EXT.
MIC
ees
To
ic20!
2
+B
+B
Ks
a
ae
zs
ee
ar
[Rec
+6
|
|
ERASE
HEAD
L
pe
Swio4
AC
INPUT
DC
BIAS
4
|
Q
MAIN
SO5O!
a
Sener
eee
ACIIO
120V
Gs)
poF-4543E(s)
|
RIPPLE
FILTER
|
st
eens
(and
220
240v)
GF
4343H(S)BR)
RECTIFIER
50/60Hz
CIRCUIT
AC
BIAS
Gora
)
GF-4343E(s)
50/60Hz
BIAS
OSC
/-
/
|
yea
|
ie
!
ey
©
r
b=
Gtr
fe
©
SW5OI
BATTERIES
GF-4343H
(S)(BR)
©
®
AC/DC
SELECTOR
9Vv
Ssoioi
RUE
QRT
ENT,
SWI-A~F
:
BAND
SELECTOR
SWITCH
SWIOI-A~J
:
RECORD/PLAYBACK
SWITCH
SWIO2-A~D
:
FUNCTION
SELECTOR
SWITCH
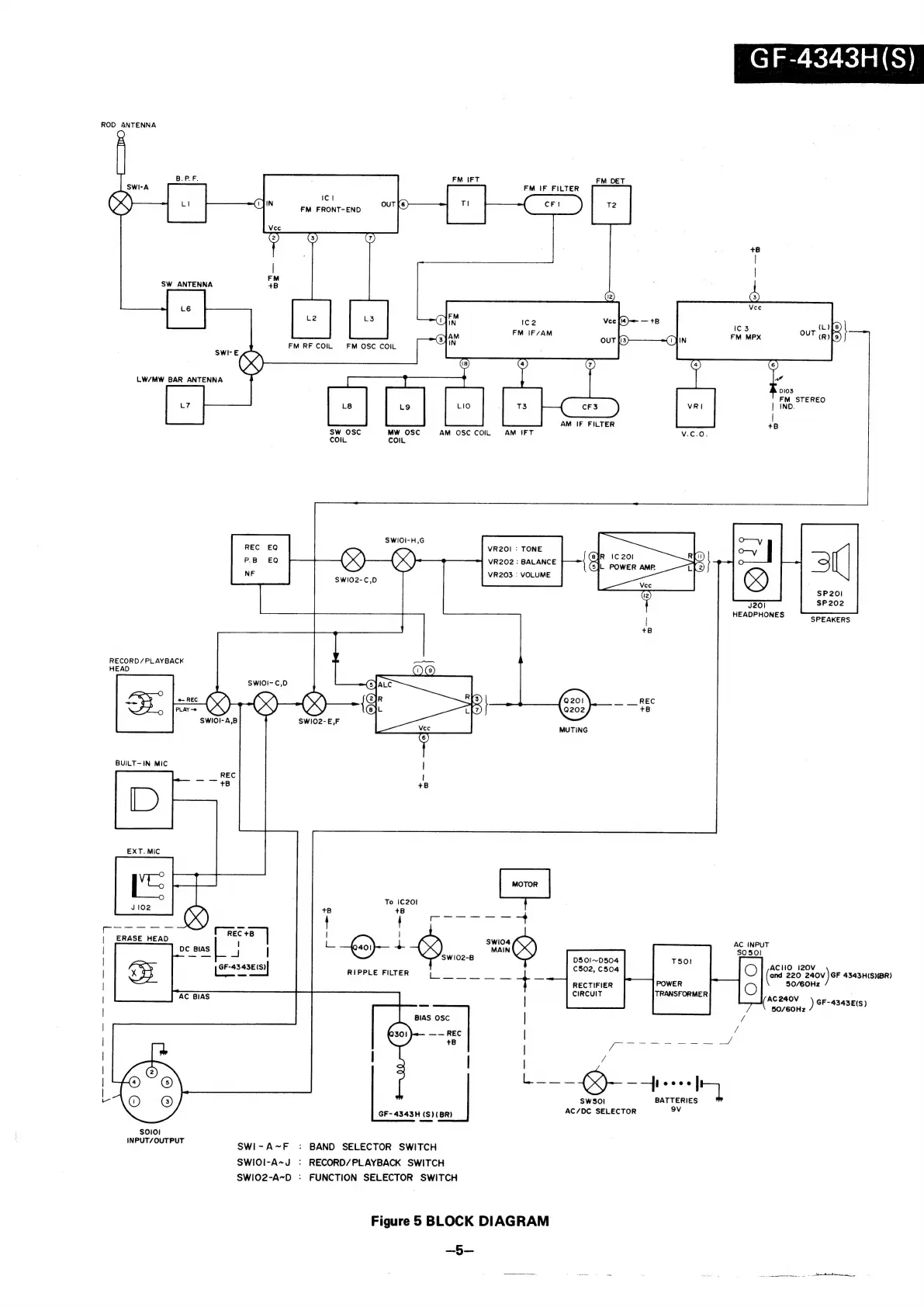
Figure
5
BLOCK
DIAGRAM
me
oe

Related product manuals