EasyManua.ls Logo

Sharp GX-CD555Z - Page 17

Sharp GX-CD555Z
52 pages
Print Icon
To Next Page IconTo Next Page
To Next Page IconTo Next Page
To Previous Page IconTo Previous Page
To Previous Page IconTo Previous Page
Loading...
------------__----------------
____--__________________________________----~~-~-------------~-----~-------~-~~--~----------------------
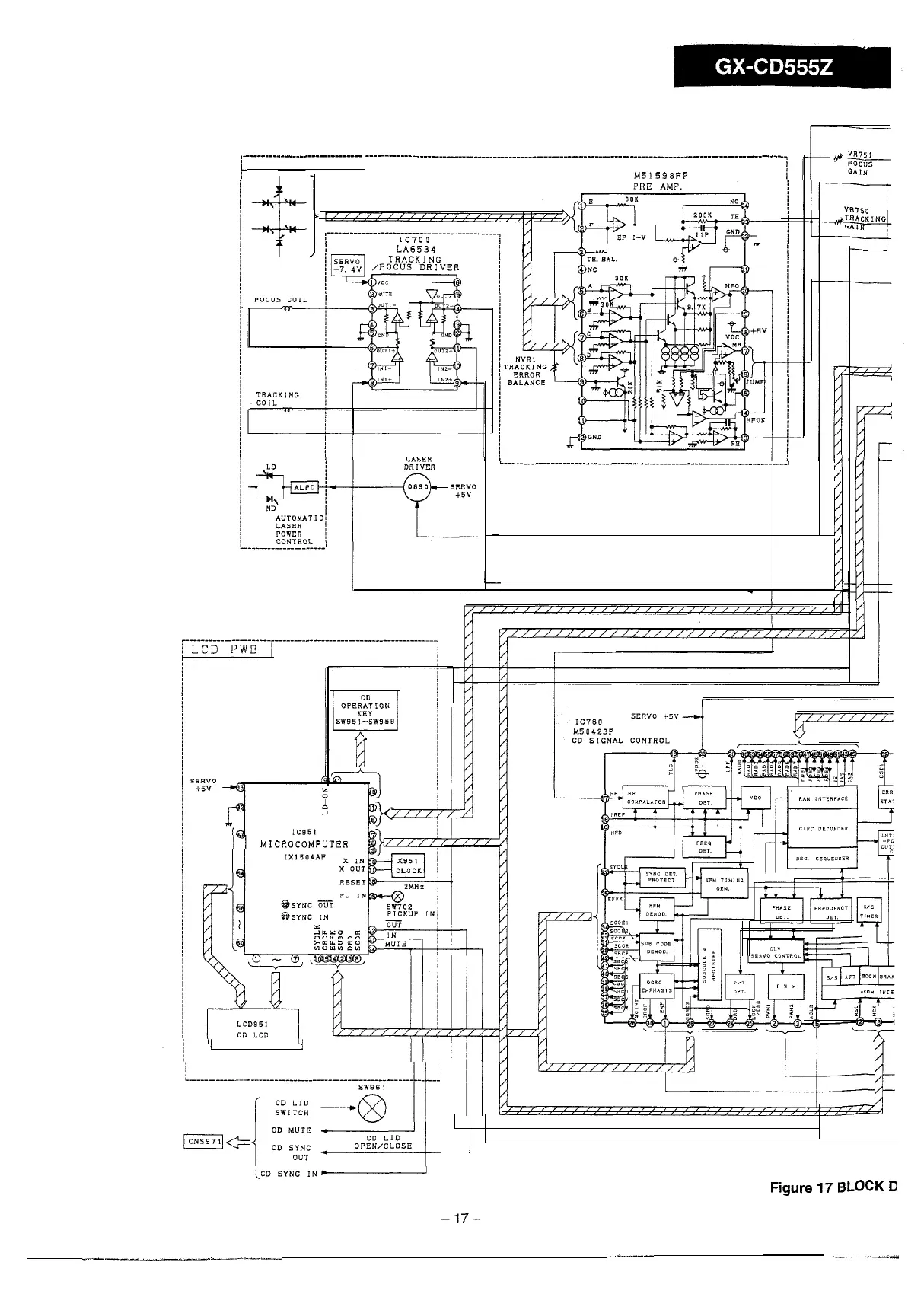
PICKUP UNIT]
M51598FP
--.
_-
LA6534
L-_______-_-____________________________----------------____,
/
/
/
/
/
/
/
/
/
/
/
/:
/
-
MICROCOMPUTER
I I
L_______-____________________________I__---------------
-_
__A
,..+[;:a(
/
Figure
17
BLOCK
0
-17-
-~~--^-_____-
..-
------
---
-_...
_.---

Related product manuals