EasyManua.ls Logo

Sharp GX-CD555Z - Page 20

Sharp GX-CD555Z
52 pages
Print Icon
To Next Page IconTo Next Page
To Next Page IconTo Next Page
To Previous Page IconTo Previous Page
To Previous Page IconTo Previous Page
Loading...
IF
FM
DET
--t
T"Nh?+B
FM MONO
+B
VOLUME
POWER AMP
LINE
VR301
IC601
AMP.
MUTING
BA5412
J601
HEADPHONES
b03-c
I
;
iPE1
CTION
SWITCHINli
-
SP3
WOOFER
I
I
I
/I
SPl
I
I
RIPPLE
FILTER
/I
-
F&If
I
SP2
D
R-CH
I
A
'APE
'EED
NTROL
SELECTOR
W203-A;
t
+B
1
F::%:~
9
(CD)
SWITCHIN'
FUNCTION
------d
@CD
SERVO
+-z
-v
,
L@---*f,'V::,vo
VOLTAGE
REGULATOR
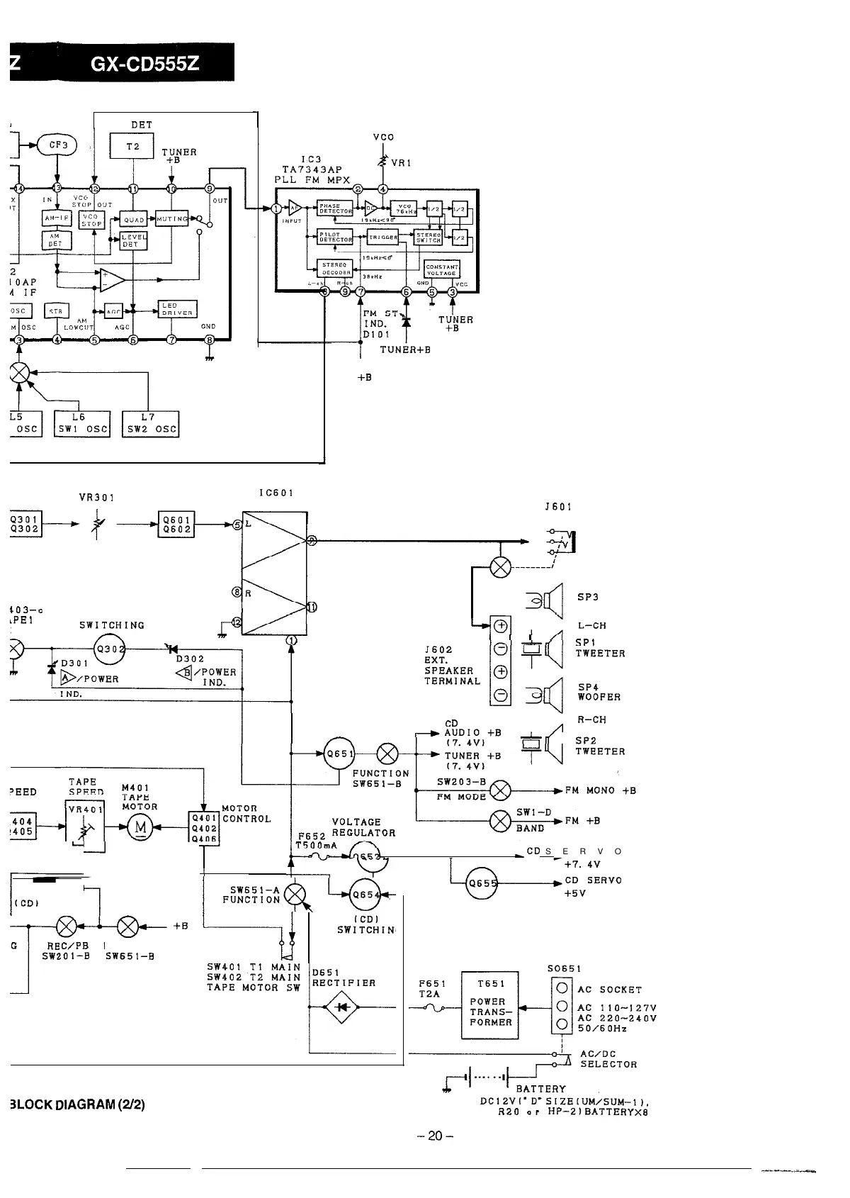
3LOCK
DIAGRAM
(2/2)
DClPV~'D'SIZElUM/SUM-1).
R20
or
HP--2)BATTERYXB
-2o-
__-----.,--

Related product manuals