EasyManua.ls Logo

Sharp GX-CD555Z - Page 24

Sharp GX-CD555Z
52 pages
Print Icon
To Next Page IconTo Next Page
To Next Page IconTo Next Page
To Previous Page IconTo Previous Page
To Previous Page IconTo Previous Page
Loading...
I_
7
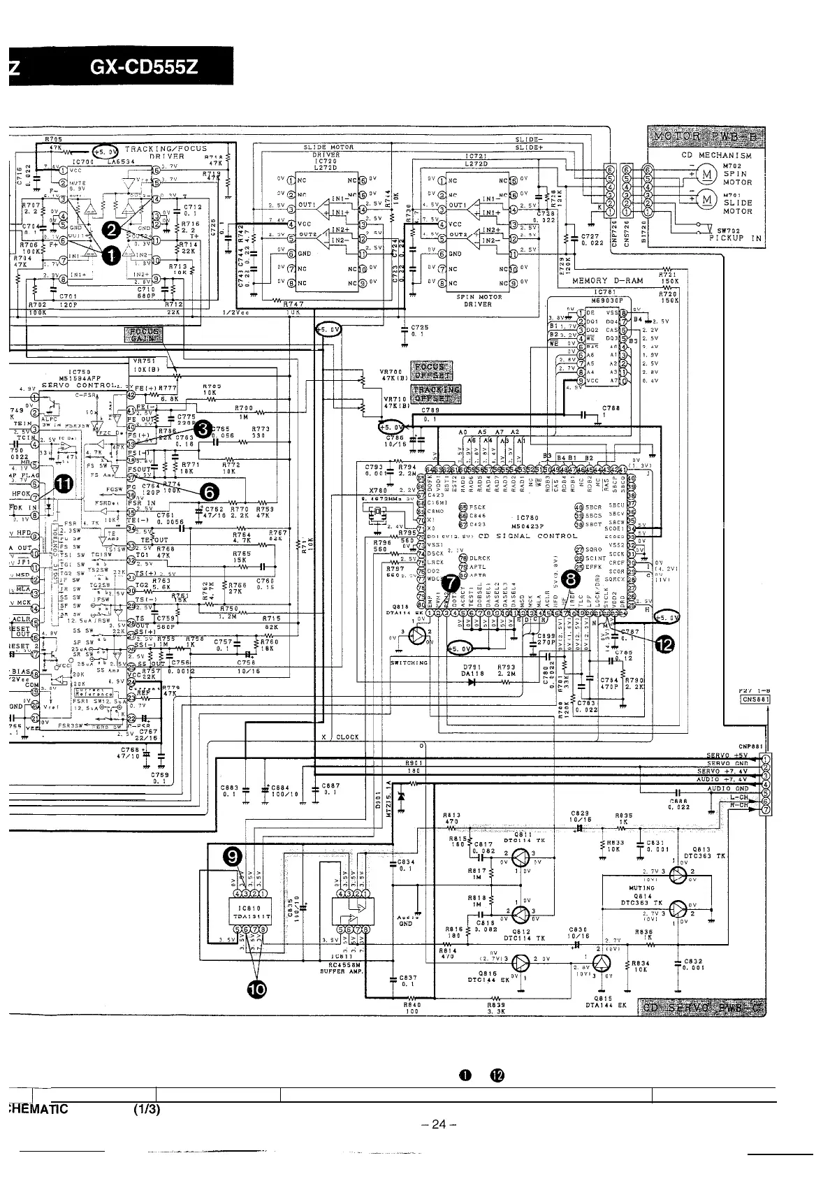
:HEMATIC
DIAGRAM
(l/3)
8
The numbers
@
to
@
are waveform numbers shown in page 16.
9
I
10
!
/
11
12
I
-24-

Related product manuals