EasyManua.ls Logo

Sharp HT-X1 - Chapter 4. Diagrams; Block Diagram

Sharp HT-X1
92 pages
Print Icon
To Next Page IconTo Next Page
To Next Page IconTo Next Page
To Previous Page IconTo Previous Page
To Previous Page IconTo Previous Page
Loading...
HT-X1
4 – 1
AudioHT-X1Service ManualHT-X1MarketE
CHAPTER 4. DIAGRAMS
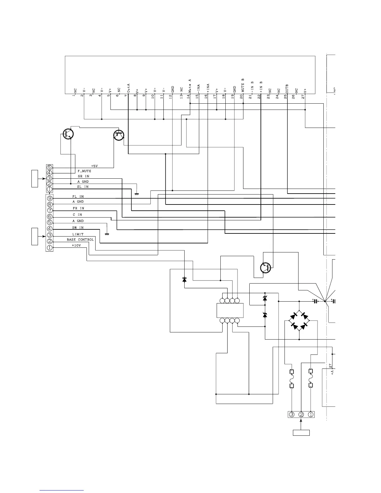
[1] Block diagram
Q103
CNP402B
CNP402A
D102
Q102
Q101
F102
6.3A/125V
6.3A/125V
ZD102
ZD101
IC104
NJM4558D
F101
CNP202
D101
CNS402A
FROM
POWER1 PWB
CNS402B
FROM
POWER1 PWB
FROM
MAIN POWER TRANSFORMER
CNS202
C/SW
IC101
POWER AMP.
LM4732TA
3
4
5
6
7
1
2
8
IC104
BUFFER
AMP.
Figure 4-1 BLOCK DIAGRAM (1/8)

Other manuals for Sharp HT-X1

Related product manuals