EasyManua.ls Logo

Sharp HT-X1 - Page 29

Sharp HT-X1
92 pages
Print Icon
To Next Page IconTo Next Page
To Next Page IconTo Next Page
To Previous Page IconTo Previous Page
To Previous Page IconTo Previous Page
Loading...
HT-X1
6 – 4
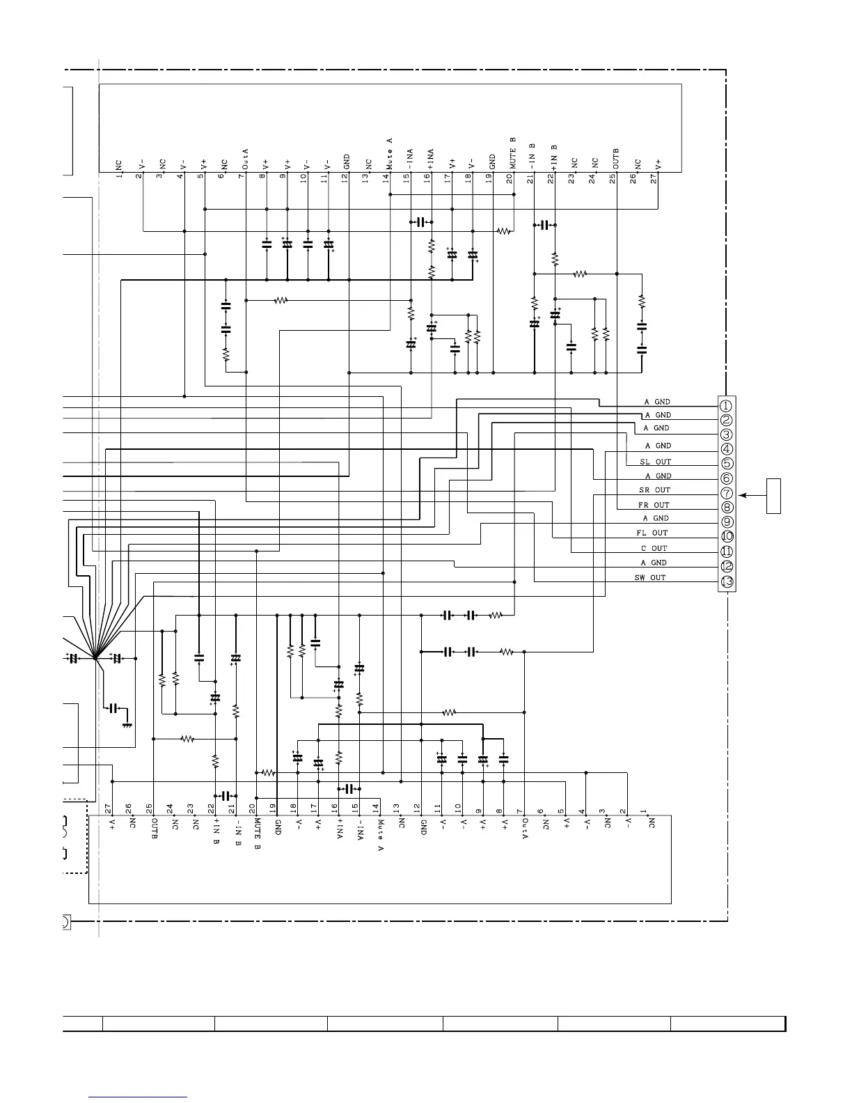
Figure 6-4 SCHEMATIC DIAGRAM (4/10)
C127
0.1
CNP401
R102
1K
JR401
0
R103
1K
R116
82K
R109A
82K
R117A
82K
R107
82K
C206B
150P
C205
150P
C203
150P
C204
150P
R112
18K
C177
0.1
C176
10/50
C175
0.1
C174
10/50
R110
12K
C188
0.022
C189
0.022
C198
0.022
R195
4.7
C199
0.022
R194
4.7
R192
4.7
C194
0.022
C195
0.022
R193
4.7
C196
0.022
C197
0.022
9
2
2
9
3
2
2
R122
18K
F101
6.3A/125V
0
1
0
GM
C129
4700/50
0
R118
18K
C124
1/50
R116A
82K
C114
10/50
C119
47/50
C120
1/50
C116
10/50
R149
470
C117
10/50
C113
0.1
C118
10/50
R151
470
C115
0.1
R104
1K
R107A
82K
C123
47/50
C121
150P
C125
150P
R111
12K
R105
1K
R121
18K
R117
82K
C169
150P
C167
47/50
R134
470
C168
1/50
C112
1/50
R109
82K
C172
47/50
C170
10/50
C173
10/50
JB103
0
R147
470
C166
150P
F
ORMER
IC103
POWER AMP.
LM4732TA
CNS401
P6-1 6-A
FROM
POWER1 PWB
FL/FR
IC102
POWER AMP.
LM4732TA
SL/SR
7
8 9 10 11 12

Other manuals for Sharp HT-X1

Related product manuals