EasyManua.ls Logo

Sharp JC-K99 - Page 21

Sharp JC-K99
Print Icon
To Next Page IconTo Next Page
To Next Page IconTo Next Page
To Previous Page IconTo Previous Page
To Previous Page IconTo Previous Page
Loading...
Playback
Signal
R25
R27
cis
NI
Jt
REMOTE
CONTROL
7
R31
OOP
33K
He)
R1i3
R2i
c21
470K
2.
7K}
0.
47
0.
71VQ
PLAYBACK
HEAD
1c
-1V
TA77S95FN
PRE
AMP.
EMD
0.
72v,
C19
Rog
3.
9K
+ADDA
REV
+ADDB
c20
0.
018
Ri44
820
c12gh!34,
1710
&
2
nig
ar:
82°
FED R20 R22
100K
-2.
7K
REV
R14
TA8157FN
+
470K
POWER
AMP
Meas
c18
BATTERY
:
Rig
8200P|
c22
SUM—-3
:
18K
0.
47
6}
aoa
|
6)
20.
S2V
CONT.
Meltel=0V]
NORMAL
R32
RECHARGEABLE
33K
RIPPLE
(AD—B3)
R16
:
FILTER
O
R36
C40
R399:
4
a
N
METAL/
13K
0.
O01390K
N
Cr02
SWITCHING
Q22
DTA143TU
R26
R28
C26
2272
REMOTE
SWITCHING
R1it3
2SA1576
R
DTC124xU
SWITCHING
R112
Ra/Play
1X1753
MECHANISM
Q13
COMMUTATION
2504081
R
LED
CONTROL
CONT.
PRIVER
COMPUTER
TAPE
RUN
1,
5V
1.5V
PLUNGER
1.
5V
H1
ca4
0.51V
0.
33
Feat
Ea
i
RADIO+B
ore
POWER
ON
2804081
R
Torey
“y
RESET
SW5
z
SWITCHING
FWD/REV
2
Q2t
Dis
SELECTOR
(4)
284081
R
eioteas
FWD
REV
>
(7)
PHI
POWER
0
GP-2L09B
/BATTERY
z
8)
PHOTO—INTERRUPTOR
Qis
2804081
R
|
s
|
+
cié
.
Swi
32"
2272
;
TAPE
SELECTOR
3.372
+
O
SWITCHING
ov
MOTOR
THE
INDICATED
VOLTAGE:
TAPE
PLAYBACK
MODE
POWER
SUPPLY
VOLTAGE:
1.
5V
OPST
NOTES
ascioa1
a
LED
DRIVER
*1:
For
UK
and
Europe
(x
x
x00001~
x
x
x
01518)
»2:
For
UK
and
Europe
(x
x
x01519~)
For
other
than
UK
and
Europe
(x
x
x
00001
~
x x
x
00523)
For
other
than
UK
and
Europe
(x
x
x00524~)
(©).
NOTES
ON
SCHEMATIC
DIAGRAM
can
be
found
on
page
25.(O)-
ANMERKUNGEN
ZUM
SCHEMATISCHEN
SCHALTPLAN
stehen
auf
Seite
26.(F).
REMARQUES
CONCERNANT
LE
DIAGRAMME
SCHEMATIQUE
sont
indiquées
a
la
page
26.
ee
Ea
RE
eae
EINE
Soe
eal
CRE:
OEE
PRUE
ae
am
7
Oe
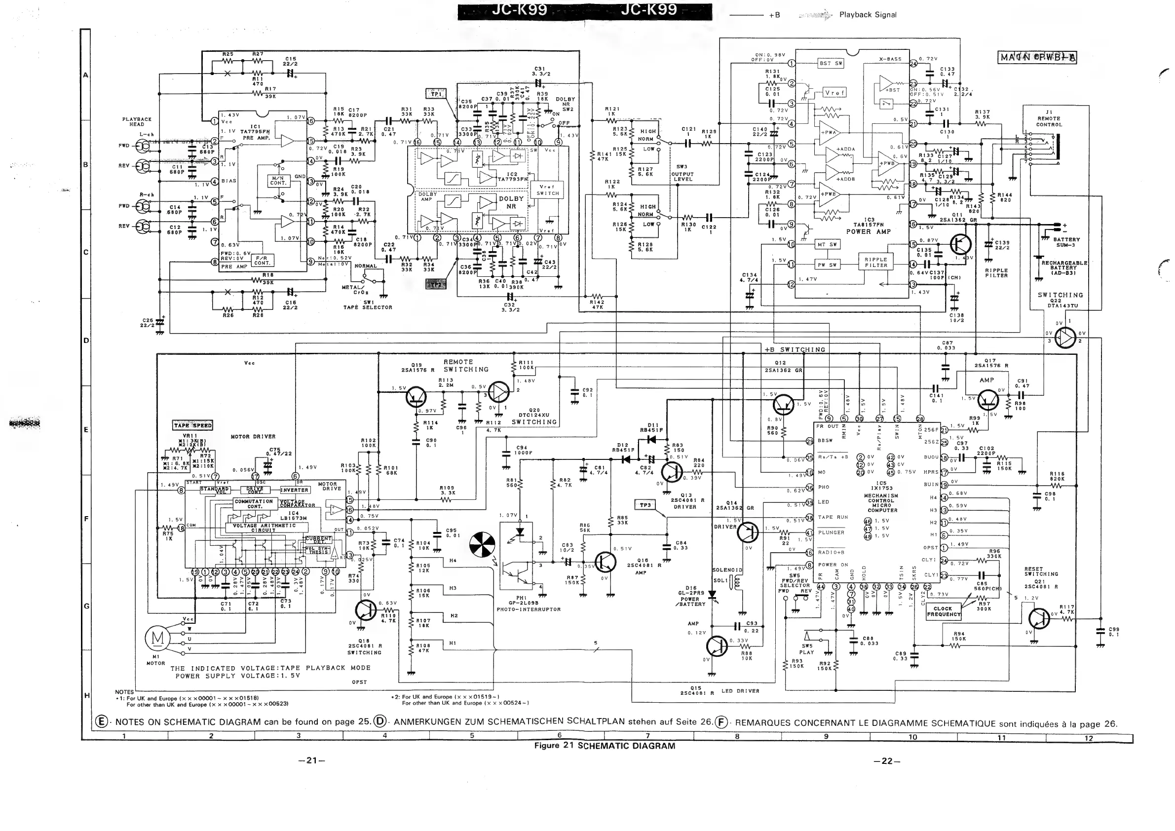
Figure
21
SCHEMATIC
DIAGRAM
my
i
—22-—

Related product manuals