EasyManua.ls Logo

Sharp KB-6525PS - Schematic (off Condition)

Sharp KB-6525PS
36 pages
Print Icon
To Next Page IconTo Next Page
To Next Page IconTo Next Page
To Previous Page IconTo Previous Page
To Previous Page IconTo Previous Page
Loading...
10
KB-6524PS
KB-6524PK
KB-6524PW
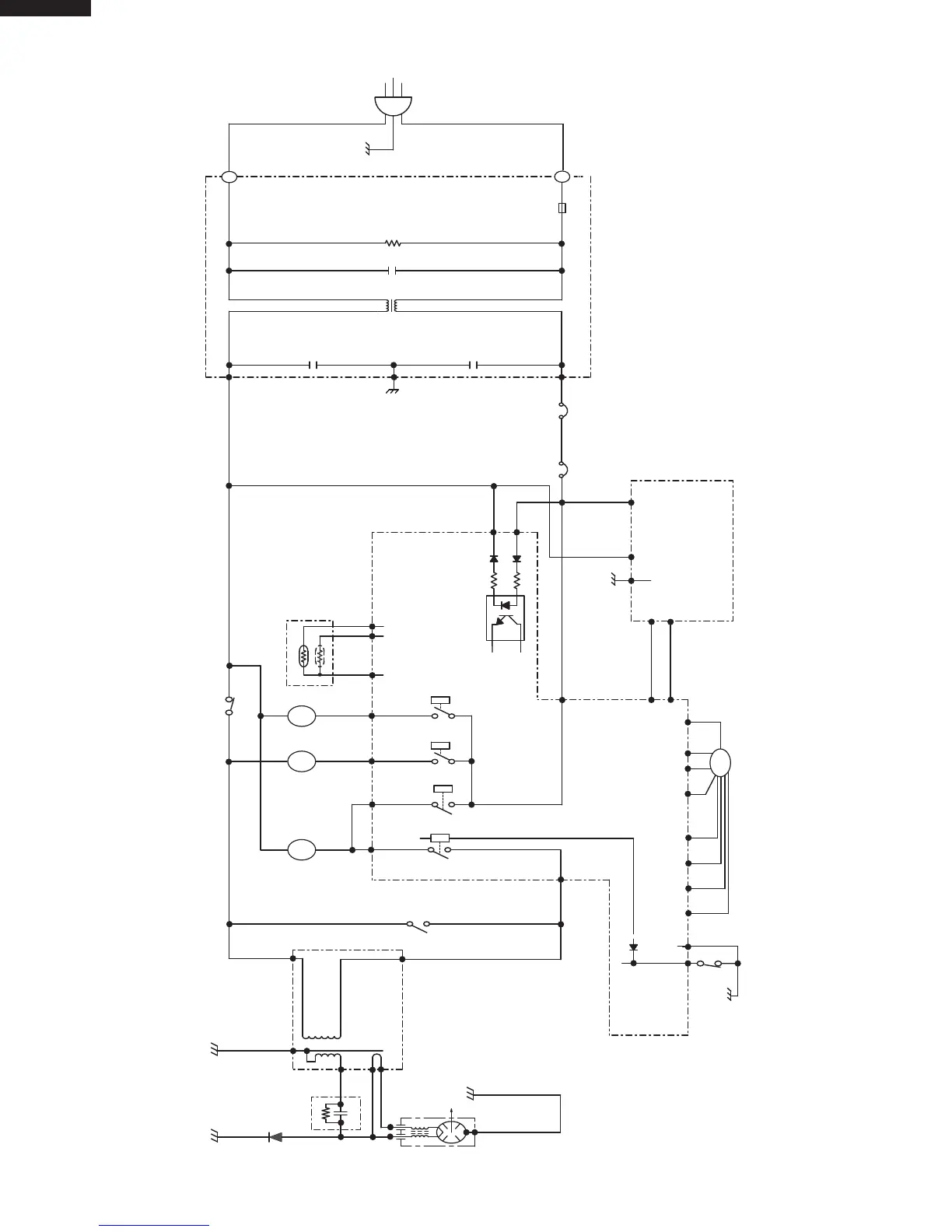
SCHEMATIC (OFF CONDITION)
FM
HUMIDITY
SENSOR
NOISESUPRESSIONCOIL
RESISTOR 470kΩ1/2W
LINECROSSCAPACITOR1.0μF275V
LINEBYPASSCAPACITOR
0.0033μF250V
LINEBYPASSCAPACITOR
0.0033μF250V
FUSE
20A
FANMOTOR
OVENLAMP
MONITORSWITCH
PRIMARYINTERLOCKRELAY
RECTIFIER MAGNETRON
POWERTRANSFORMAR
CAPACITOR
1.00μF
AC2300V
STIRRER
MOTOR
C
C
1
5
CONTROLUNIT
SWITCHINGREGULATOR
OVEN
THERMAL
CUT-OUT
MG
THERMAL
CUT-OUT
SECONDARYINTELOCKSWITCH
DM
MICROWAVEDRAWER
DOOROPEN-CLOSE
MOTOR
DOOR
SENSING
SWITCH
C
C

Table of Contents

Other manuals for Sharp KB-6525PS

Related product manuals